Google Groups no longer supports new Usenet posts or subscriptions. Historical content remains viewable.
Dismiss

Solder Joints in Transmitting Loop Antennas

563 views
Skip to first unread message

rickman

unread,
Oct 31, 2015, 6:58:41 PM10/31/15
to
I have heard a number of people say that solder joints in
transmittingloop antennas are *very bad*. I'm looking at the situation
and I can't see how it would matter.

If the joints are made well with small spacing between the metal tubes I
can't see how the difference in resistivity would amount to much.
Essentially the solder would be equivalent to about four times that
amount of copper which would be a tiny fraction of the resistance of the
rest of the loop. If a high silver content solder is used, it may well
be a lower resistance than the copper or aluminum of the loop.

So what is the big deal of insisting solid metal loops are a "must" for
a high efficiency transmitting loop antenna rather than soldered sections?

--

Rick

Jeff Liebermann

unread,
Oct 31, 2015, 10:18:32 PM10/31/15
to
On Sat, 31 Oct 2015 18:58:38 -0400, rickman <gnu...@gmail.com> wrote:

>So what is the big deal of insisting solid metal loops are a "must" for
>a high efficiency transmitting loop antenna rather than soldered sections?

Paranoia. See:
<http://www.nonstopsystems.com/radio/frank_radio_antenna_magloop.htm>
There's quite a bit of useful info on building magnetic loops. One
interesting comment was:
UPDATE 24-Feb-2012: one and a half year after construction,
I have used a professional milliohm meter (HP 4328A) to measure
the DC-resistance of the copper parts of my loop (i.e., octagon
+ wires to the clamps): 3.2 milliohm. I also measured the resistance
of a brand new round loop - without solder joints: also 3.2
milliohms. My joints are pretty good! However: I measured a
DC-resistance of over 4 milliohm between the copper wires and
the stainless steel clamps (i.e., 2 x 4 milliohms total). This
kills the efficiency of the antenna - which I had already noticed
over time. Must use a different method in my next design!

I've seen the same thing with a loop I built (using an ESR meter to
measure resistance). The DC resistance of mating parts is the same
whether it's soldered, or just stuck together. In other words, the
loop resistance doesn't change with soldering.

So, what does the soldering do? One possibility is that it helps
produce an unbroken surface area, which is useful when all the RF
conduction is via skin effect. Unless there's some kind of dramatic
change in element diameter, I don't see skin effect as a problem
worthy of soldering.

There's also the theory that different construction techniques produce
a different loop Q. That's easy enough to measure in receive with a
VSWR guesser, or in my case, a return loss bridge. However, I wanted
to do it in transmit. So, I fed the transmitter with a sweep
generator (with markers)[1] and looked at the return with a ferrite
toroid directional coupler. A loop, before and after soldering,
looked the same which I suspect means the Q is also the same.

My guess(tm) is that soldering improves the mechanical stability of
the loop so that things do not change when the TX power is applied. I
somewhat verified this guess(tm) when I found myself constantly
retuning a press fit and duct tape loop made from overpriced copper.
The copper would expand when hot while transmitting, which would put
some stress on the solder. The solder is soft, so it moves, thus
changing the tuning. Had I braze or weld the connection instead of
soldering, it would have been somewhat stronger, moved less, and
probably require less retuning.

I'm not sure about silver solder versus ordinary unleaded solder. I
haven't done any testing here. Silver solder is much strong than
regular Sn-Cu solder which produces a stiffer joing.

In short, all soldering and welding does is add some desperately
needed mechanical rigidity.


[1] Hint: Don't do that on a weekend during a contest.


--
Jeff Liebermann je...@cruzio.com
150 Felker St #D http://www.LearnByDestroying.com
Santa Cruz CA 95060 http://802.11junk.com
Skype: JeffLiebermann AE6KS 831-336-2558

Dave Platt

unread,
Nov 1, 2015, 12:06:15 AM11/1/15
to
In article <h1sa3b9l93teoi91s...@4ax.com>,
Jeff Liebermann <je...@cruzio.com> wrote:

>Paranoia. See:
><http://www.nonstopsystems.com/radio/frank_radio_antenna_magloop.htm>
>There's quite a bit of useful info on building magnetic loops. One
>interesting comment was:
> UPDATE 24-Feb-2012: one and a half year after construction,
> I have used a professional milliohm meter (HP 4328A) to measure
> the DC-resistance of the copper parts of my loop (i.e., octagon
> + wires to the clamps): 3.2 milliohm. I also measured the resistance
> of a brand new round loop - without solder joints: also 3.2
> milliohms. My joints are pretty good! However: I measured a
> DC-resistance of over 4 milliohm between the copper wires and
> the stainless steel clamps (i.e., 2 x 4 milliohms total). This
> kills the efficiency of the antenna - which I had already noticed
> over time. Must use a different method in my next design!
>
>I've seen the same thing with a loop I built (using an ESR meter to
>measure resistance). The DC resistance of mating parts is the same
>whether it's soldered, or just stuck together. In other words, the
>loop resistance doesn't change with soldering.
>
>So, what does the soldering do? One possibility is that it helps
>produce an unbroken surface area, which is useful when all the RF
>conduction is via skin effect. Unless there's some kind of dramatic
>change in element diameter, I don't see skin effect as a problem
>worthy of soldering.

>In short, all soldering and welding does is add some desperately
>needed mechanical rigidity.

If a loop made from tubing and junctions is just "stuck together", it
may have the same resistance as a one-piece loop initially. The
tubing-to-joint connections typically involve enough scraping (an
interference fit) to create a fresh metal-to-metal junction... nice
low resistance.

I strongly doubt that it'd remain so, after a year or so of exposure
to air (and water and sun). Oxygen is going to infiltrate those
contact surfaces and oxidize the metal; any sulphur vapor in the air
will attack the surfaces as well. The quality of the connection will
deteriorate and the resistance will climb.

(Audiophiles who know their stuff will unplug and replug their signal
cables periodically, to "wipe" the contact surfaces free of oxide
and create a clean connection once again... RCA connectors are
quite awful and this is one of their failure modes. An unplug/replug
is far cheaper than buying the latest new overpriced "magic" cables
at the boutique audio store, and works just as well!)

I've seen plenty of antennas fail due to oxidizing and corroding
connections. We had to completely rebuild the grounding-and-radials
base of a Hustler G7-144 when the original interference-fit
connections deteriorated after a decade up in the sun.

A big benefit to soldering the joints, is that you'll seal the metal
contact regions away from oxygen, and fill the gaps with a metal which
is also a reasonably good conductor. Even if oxygen starts affecting
the outer surface of the tube, there will still be solid metal beneath
it.

A similar problem with oxidation affects screwed-together "American
Legion" J-pole antennas... they start generating intermod interference
and broadband hash when transmitting. A dab of TIG-weld bead to bond
the elements to the base eliminates the problem.

You might get some of the same benefit by using an antioxidant paste
on the joints when connecting them, but it wouldn't provide quite the
same protection, and it wouldn't provide the mechanical strength you
quite rightly point to as a benefit.



rickman

unread,
Nov 1, 2015, 3:02:48 AM11/1/15
to
I'm not certain what you are saying.

The part you quote sounds like he measured the DC resistance of the loop
which has little to do with the AC resistance at RF. In particular the
solder joints end up being literally undetectable with DC because there
is a large parallel surface between the 45° unions I assume he used and
the pipe. Solder in this space joins the two copper parts with a much
larger cross section reducing the resistance of a path through a more
limited area of contact.

But with RF currents the path will only be on the outside surface of the
conductor. So without the solder the connection will be through a
limited amount of area but the same is true for the solder joint since
only the outer few mils of the pipe are used depending on the frequency
involved. However, I literally can't imagine why the joints would not
be soldered. The issue I was addressing is the difference between a
solid tube and soldered joints.

As to the strength issue and temperature effects, the entire loop would
expand evenly and so no real stress would be on the solder other than
the differential expansion of the two metals.

In a loop I was thinking of using tin-lead solder for the overlap area
of the joints and then finishing off the visible portion of the joint
with silver solder. I wasn't aware silver solder is stronger than other
solder. If so, I might just use it for the entire soldering process.

I'm actually thinking of using aluminum tubing and silver plating the
joint areas. I've seen a video on doing this, although they used copper
in the video they say it works with aluminum and allows it to be
soldered easily if plated thick enough. Tuning capacitors are usually
aluminum so I'm thinking it would be better with all the same material
as long as there aren't any chemical reactions between the aluminum and
the solder. I've been told aluminum likes to mess with other metals.

--

Rick

Jeff Liebermann

unread,
Nov 1, 2015, 2:01:25 PM11/1/15
to
On Sun, 1 Nov 2015 03:02:44 -0500, rickman <gnu...@gmail.com> wrote:

>I'm not certain what you are saying.

Short summary:
1. DC resistance does not change with soldering.
2. Temp and mechanical stability of the loop is greatly improved by
soldering and welding. The stronger the joint, the more stable.
3. Soldering did not seem to affect the Q of the loop, although my
method was rather sloppy and results uncertain.

>The part you quote sounds like he measured the DC resistance of the loop
>which has little to do with the AC resistance at RF.

Correct. We're dealing with skin effect in a transmit loop.

I guess this begs the question of why are magnetic loop builders NOT
silver plating their loops? If skin effect is so important, then why
are many home made loops using unplated and often unprotected copper?
Electroless silver is easy to do and fairly inexpensive. I vaguely
recall that it's difficult to plate electroless silver thicker than
the RF skin depth on the lower bands, but I don't recall.

>In particular the
>solder joints end up being literally undetectable with DC because there
>is a large parallel surface between the 45° unions I assume he used and
>the pipe. Solder in this space joins the two copper parts with a much
>larger cross section reducing the resistance of a path through a more
>limited area of contact.

Hardly. Even if there was an air gap between the overlapping copper
sections, there would be enough capacitance in between for the antenna
to operate normally. Of course, the tuning would change, and it might
arc over, but it would still have roughly the same Q.

>But with RF currents the path will only be on the outside surface of the
>conductor. So without the solder the connection will be through a
>limited amount of area but the same is true for the solder joint since
>only the outer few mils of the pipe are used depending on the frequency
>involved.

If the overlapping copper connections is really deemed a labyrinth,
which increases the effective length of the loop, it would produce a
rather drastic change in tuning. I've noticed a tuning change as the
loop is moved before soldering but not much. The lengths involved are
quite short when compared to the overall length of the loop.

The skin effect of different materials seems to be current issue:
<http://owenduffy.net/calc/SkinDepth.htm>
Looks like the higher resistivity of 63/37 solder, compared to copper,
required more skin depth. Adding some silver to the solder should fix
that.

In any case, the tiny amount of solder area, compared to the area of
the loop, isn't going to dramatically increase the loop resistance.
Let's try by example. I take two copper overlapping fittings and
grind off some copper so that when stuck together, they have an air
gap in between. I then fill the gap with solder. The added DC
resistance will be the bulk resistivity of the solder times the
surface area, which is small, but potentially significant when we're
dealing with milliohms. However, the RF path only has to bridge the
solder filled gap between the copper pipes. The increased RF path is
just the difference in areas between the inner tube OD, and the outer
tube ID. In other words, not much added RF path length from
soldering.

>However, I literally can't imagine why the joints would not
>be soldered.

Perhaps an analogy might help. If you assemble the parts of a ladder
but don't tighten any of the bolts holding it together, it would still
function as a ladder, but just wouldn't be particularly stable. Same
with the loop antenna. It's customary to assemble the sections
together, to see if they fit together, before soldering. It's also a
good idea to test the tuning of the antenna, which might require some
mechanical adjustments before soldering.

>The issue I was addressing is the difference between a
>solid tube and soldered joints.

My explanation, admittedly a guess(tm), is that there's little
difference in DC and RF resistance, but a substantial difference in
mechanical and electrical stability.

>As to the strength issue and temperature effects, the entire loop would
>expand evenly and so no real stress would be on the solder other than
>the differential expansion of the two metals.

I ran my IR thermometer around a copper loop to see if there was any
unexpected heating. It was tricky, because the RF drove my IR
thermometer nuts. So, I had to xmit 10 mins, turn off the
transmitter, and then quickly take measurements. Hot spots were
difficult to see because the thermally conductive copper would
distribute the heat very quickly. Still, I managed to see tiny
increases in temperature around some soldered joints, and a rather
large jump where I had dissimilar metals (stainless hose clamps in the
T-match). I think the hot spots in the joints were caused by the
lower thermal conductivity of the solder compared to copper.

>In a loop I was thinking of using tin-lead solder for the overlap area
>of the joints and then finishing off the visible portion of the joint
>with silver solder. I wasn't aware silver solder is stronger than other
>solder. If so, I might just use it for the entire soldering process.

I forgot to include a link to the strength of various solder
compositions.
<http://alasir.com/reference/solder_alloys/>
On the top table, not the approximately 80% increase in tensile
strength for solder compositions that include silver. Although I do
it often, I'm not a big fan of mixing solders.

>I'm actually thinking of using aluminum tubing and silver plating the
>joint areas. I've seen a video on doing this, although they used copper
>in the video they say it works with aluminum and allows it to be
>soldered easily if plated thick enough.

If you build the loop in sections, such as in the original article I
cited:
<http://www.nonstopsystems.com/radio/frank_radio_antenna_magloop.htm>
plating the loop in sections is easy. Plating a single piece loop,
made on a tubing bender, is not so easy.

I've copper plated aluminum tubing, but haven't had a need to try
silver. No advice, but I suggest you calculate the skin depth and
make sure your plating is thick enough.

>Tuning capacitors are usually
>aluminum so I'm thinking it would be better with all the same material
>as long as there aren't any chemical reactions between the aluminum and
>the solder. I've been told aluminum likes to mess with other metals.

Visit your local hardware store and you'll find all kinds of bonded
copper to aluminum lugs, adapters, crimps, corrosion inhibitors etc.
Al to Cu transitions are common problem in house wiring.

You can plate copper on aluminum yourself, but it usually requires an
initial zinc coating:
<http://www.finishing.com/0400-0599/555.shtml>
I've copper plated aluminum foil, but nothing heavy or large. Again,
I suggest you want your skin depth (plating to 3 times the skin depth
is good enough).

Personally, I think you're overdoing it and are hung up on minutiae
and detail. Optimizing the loop resistance to the last remaining
decimal point might be useful after you have a reproducible initial
design, or if you're trying to build the ultimate magnetic loop
antenna. However, the various dimensional aspects of the design are
far more important. How big a loop? How to match it to 50 ohms?
What's the takeoff angle? Tuning range and bandwidth? Start here:
<http://www.aa5tb.com/loop.html>
<http://www.aa5tb.com/aa5tb_loop_v1.22a.xls>
See Note 2.

Good luck.

rickman

unread,
Nov 1, 2015, 2:57:39 PM11/1/15
to
On 11/1/2015 2:02 PM, Jeff Liebermann wrote:
> On Sun, 1 Nov 2015 03:02:44 -0500, rickman <gnu...@gmail.com> wrote:
>
>> I'm not certain what you are saying.
>
> Short summary:
> 1. DC resistance does not change with soldering.
> 2. Temp and mechanical stability of the loop is greatly improved by
> soldering and welding. The stronger the joint, the more stable.
> 3. Soldering did not seem to affect the Q of the loop, although my
> method was rather sloppy and results uncertain.

That's a lot more clear, but why do you say the "temp" stability of the
loop was improved? But first, you mean compared to doing *nothing* at
the joints to actually join the materials, right? I can't see how "no
connection" is an option. I would expect the durn thing to fall down
and if it didn't fall down the joints would oxidize to the point of not
working.


>> The part you quote sounds like he measured the DC resistance of the loop
>> which has little to do with the AC resistance at RF.
>
> Correct. We're dealing with skin effect in a transmit loop.
>
> I guess this begs the question of why are magnetic loop builders NOT
> silver plating their loops? If skin effect is so important, then why
> are many home made loops using unplated and often unprotected copper?
> Electroless silver is easy to do and fairly inexpensive. I vaguely
> recall that it's difficult to plate electroless silver thicker than
> the RF skin depth on the lower bands, but I don't recall.

That would be a lot of work for a 12 foot tall antenna even if not
terribly expensive, for very little gain, about 5% conductivity which is
cut in half by the skin effect. Do you really want to go to all that
trouble for a 2.5% improvement when you can just use copper with a 2.5%
larger OD to achieve the same benefit?


>> In particular the
>> solder joints end up being literally undetectable with DC because there
>> is a large parallel surface between the 45° unions I assume he used and
>> the pipe. Solder in this space joins the two copper parts with a much
>> larger cross section reducing the resistance of a path through a more
>> limited area of contact.
>
> Hardly. Even if there was an air gap between the overlapping copper
> sections, there would be enough capacitance in between for the antenna
> to operate normally. Of course, the tuning would change, and it might
> arc over, but it would still have roughly the same Q.

Really? You want to design a copper antenna with series capacitors
scattered in your loop? Yes, it would not just affect the tuning, but
the tuning range and vary with all sorts of changes like temperature and
humidity. That strikes me as a crazy way to build an antenna.


>> But with RF currents the path will only be on the outside surface of the
>> conductor. So without the solder the connection will be through a
>> limited amount of area but the same is true for the solder joint since
>> only the outer few mils of the pipe are used depending on the frequency
>> involved.
>
> If the overlapping copper connections is really deemed a labyrinth,
> which increases the effective length of the loop, it would produce a
> rather drastic change in tuning. I've noticed a tuning change as the
> loop is moved before soldering but not much. The lengths involved are
> quite short when compared to the overall length of the loop.
>
> The skin effect of different materials seems to be current issue:
> <http://owenduffy.net/calc/SkinDepth.htm>
> Looks like the higher resistivity of 63/37 solder, compared to copper,
> required more skin depth. Adding some silver to the solder should fix
> that.

I don't know what "required more skin depth" implies. I have yet to
find a conductor that wasn't thick enough to provide 95% of the max
potential conductivity down to 70 kHz. The skin depth goes by the
square root of the resistivity, so there is minimal difference because
of that.


> In any case, the tiny amount of solder area, compared to the area of
> the loop, isn't going to dramatically increase the loop resistance.

BINGO!

> Let's try by example. I take two copper overlapping fittings and
> grind off some copper so that when stuck together, they have an air
> gap in between. I then fill the gap with solder. The added DC
> resistance will be the bulk resistivity of the solder times the
> surface area, which is small, but potentially significant when we're
> dealing with milliohms. However, the RF path only has to bridge the
> solder filled gap between the copper pipes. The increased RF path is
> just the difference in areas between the inner tube OD, and the outer
> tube ID. In other words, not much added RF path length from
> soldering.

Again, no one cares about the DC resistance. The issue is not the
volume of solder in the overlap which would only be useful for
mechanical support, but in the *length* of the solder path at the outer
skin. Instead of an over lapped case, if two pipes were butted with a
tiny gap between them (and a pipe inside for mechanical support) the
length of the gap filled with solder would be tiny compared to the
length of the copper pipe. So even if the solder if four times more
resistive it will be swamped by the 100's of times greater length of
copper.

To then consider the case of the overlapped joints, the RF current will
only flow in the outer 3 skin depths (roughly) and see only the solder
making the fillet at the end of the overlap. If high resistance solder
is used you would want to remove as much of this fillet as possible and
sand off any solder on the surface of the tube. The solder inside the
overlap would be inconsequential other than mechanical support.


>> The issue I was addressing is the difference between a
>> solid tube and soldered joints.
>
> My explanation, admittedly a guess(tm), is that there's little
> difference in DC and RF resistance, but a substantial difference in
> mechanical and electrical stability.

I don't see any reason for a difference mechanically. We aren't talking
about a supporting structure for a house, it only has to hold itself up
and usually is supported at two points.

I have no idea why you think soldered joint would have poor electrical
Why would I want the silver to be as thick as the skin depth? The
silver is just at the contact areas to provide a solderable surface, not
for the conductivity. The aluminum is plenty good for that. The point
is to use a large diameter aluminum tube to get a low resistance. Then
to connect the sections the silver plating allows soldering.


>> Tuning capacitors are usually
>> aluminum so I'm thinking it would be better with all the same material
>> as long as there aren't any chemical reactions between the aluminum and
>> the solder. I've been told aluminum likes to mess with other metals.
>
> Visit your local hardware store and you'll find all kinds of bonded
> copper to aluminum lugs, adapters, crimps, corrosion inhibitors etc.
> Al to Cu transitions are common problem in house wiring.
>
> You can plate copper on aluminum yourself, but it usually requires an
> initial zinc coating:
> <http://www.finishing.com/0400-0599/555.shtml>
> I've copper plated aluminum foil, but nothing heavy or large. Again,
> I suggest you want your skin depth (plating to 3 times the skin depth
> is good enough).

I have no interest in plating copper on zinc on aluminum. If I can do
silver that seems like the way to go.


> Personally, I think you're overdoing it and are hung up on minutiae
> and detail. Optimizing the loop resistance to the last remaining
> decimal point might be useful after you have a reproducible initial
> design, or if you're trying to build the ultimate magnetic loop
> antenna. However, the various dimensional aspects of the design are
> far more important. How big a loop? How to match it to 50 ohms?
> What's the takeoff angle? Tuning range and bandwidth? Start here:
> <http://www.aa5tb.com/loop.html>
> <http://www.aa5tb.com/aa5tb_loop_v1.22a.xls>
> See Note 2.

I'm trying to identify significant issues and the easy steps to mitigate
them. If it is not clear how significant an issue is, but the step to
mitigate it is easy, then why not do it.

I can't see *not* soldering the connections. The tuning capacitor will
be aluminum. To avoid connections between different metals the entire
unit will be aluminum. So I will need to solder the aluminum unless it
is easier to weld which I'm pretty sure is not the case. I think the
silver plating and silver solder is the short and easy path to an
optimum solution with low cost. But the jury is still out.

--

Rick

Jeff Liebermann

unread,
Nov 1, 2015, 10:58:22 PM11/1/15
to
On Sun, 1 Nov 2015 14:57:36 -0500, rickman <gnu...@gmail.com> wrote:


>> Short summary:
>> 1. DC resistance does not change with soldering.
>> 2. Temp and mechanical stability of the loop is greatly improved by
>> soldering and welding. The stronger the joint, the more stable.
>> 3. Soldering did not seem to affect the Q of the loop, although my
>> method was rather sloppy and results uncertain.

>That's a lot more clear, but why do you say the "temp" stability of the
>loop was improved?

Sorry. Temp stability should not be included.

<silver plated antennas>

>That would be a lot of work for a 12 foot tall antenna even if not
>terribly expensive, for very little gain, about 5% conductivity which is
>cut in half by the skin effect. Do you really want to go to all that
>trouble for a 2.5% improvement when you can just use copper with a 2.5%
>larger OD to achieve the same benefit?

Hams have spend considerably more money of smaller improvements. I
keep seeing HF antennas fed by 7/8" Heliax and wondering about the
size of the owners bank account. Anything for that last tenth of a
decibel. Considering the cost of monster towers, lowest possible loss
coax, digital everything, and strange looking antennas, I see silver
plating as a trivial expense.

Larger diameter tubing is probably a good alternative. I initially
played with a loop made from a length of RG-8/u coax cable. When I
found that the resistance of the braid was a problem, I switched to
RG-214/u (silver plated double braid). That worked much better, but
the higher Q now made mechanical rigidity an issue. So, I tried a
length of 9913, which was stiffer, but lacked the improved
conductivity of the silver plated double shielded braid. After that,
I tried a chunk of unlabeled CATV 75 ohm semi-rigid coax about 3/4"
diameter. The conductivity of the aluminum was lousy, but the
mechanical rigidity was great. There were also some marginal efforts
using Hula Hoops, aluminized duct tape, and Litz wire antennas (25
pair of #24 awg insulated telco wires). Incidentally, besides the
usual OTA (over the air) testing, I used the measured Q as a figure of
merit on the assumption that higher Q means lower losses.

>Really? You want to design a copper antenna with series capacitors
>scattered in your loop?

Nope. The press fit copper overlap is sufficient to make a tolerable
connection. The problem is that it's not a perfect connection, so
anything that moves will affect the tuning. If overlapping copper
didn't work, then all the coaxial connectors also wouldn't work.

>Yes, it would not just affect the tuning, but
>the tuning range and vary with all sorts of changes like temperature and
>humidity. That strikes me as a crazy way to build an antenna.

Yep. I hadn't planned to sell the antenna in that condition. I was
doing the same thing as the author of the article. I was testing the
antenna before soldering everything permanently in place to allow for
easier tweaking and adjusting.

>> The skin effect of different materials seems to be current issue:
>> <http://owenduffy.net/calc/SkinDepth.htm>
>> Looks like the higher resistivity of 63/37 solder, compared to copper,
>> required more skin depth. Adding some silver to the solder should fix
>> that.

>I don't know what "required more skin depth" implies. I have yet to
>find a conductor that wasn't thick enough to provide 95% of the max
>potential conductivity down to 70 kHz. The skin depth goes by the
>square root of the resistivity, so there is minimal difference because
>of that.

It's not the conductor. It's the plating thickness. I get into that
quite a bit with PIM (passive intermodulation) where the two
dissimilar metals create a diode junction and produce a mixing action.
Anyway, the idea is to make the plating thickness thick enough so that
all the RF is concentrated in the plating, and not distributed into
the base metal. As I recall, the calculated skin depth is roughly
where 63% of the RF is concentrated in the outer part of the conductor
down to the skin depth. In order to get that closer to something like
90%, you need 3 skin depth thickness. If you want to take advantage
of silver plating, it needs to be plated where the RF is moving.

>So even if the solder if four times more
>resistive it will be swamped by the 100's of times greater length of
>copper.
(...)
>The solder inside the
>overlap would be inconsequential other than mechanical support.

Agreed. The only place where the solder might have an effect is on
mechanical rigidity. The small amounts used, even for a square loop
assembled from sections, it trivial compared to the losses in the
areas affected by skin effect. However trivial, it's not zero. I
suggest that you run the spreadsheet at:
<http://www.aa5tb.com/aa5tb_loop_v1.22a.xls>
and plug in various numbers for added resistance of the solder. The
numbers are tiny, but they will produce a noticeable change in Q and
therefore efficiency.

>I have no idea why you think soldered joint would have poor electrical
>stability.

Because solder is soft compared to copper pipe. I don't know the
mechanism involved, but when I assembled a loop from pieces and used
it as a receive antenna, I found myself constantly retuning the loops.
I later put it on a sweeper and a return loss bridge and noticed that
the tuning was changing a little as the antenna was tapped with a
stick. I couldn't tell exactly what was causing the tuning change
because everything was moving. When I later soldered the antenna
together (using 60/40 solder), it was much more mechanically stable in
receive but still not perfect. The only thing loose was the coax
connector. At that point, I stopped tinkering and tried it on the air
at 5 and later 50 watts. Even if I did nothing to the antenna, it had
to retune it every 15 minutes or so. A similar loop (but somewhat
larger) where I had the local mechanical contractor bend into a loop,
didn't have these problems and only required retuning when the
temperature changed, or when I changed in frequency. I might have
missed some factor, but it would seem to me that the use of solder was
the only major difference between the loops. (Incidentally, the
various coax cable loops were worse than the soldered pipe section
loop and were only useable because the Q was lower and therefore had a
wider operating bandwidth).

>Why would I want the silver to be as thick as the skin depth?

Because the RF goes through the outside of the conductor. Better to
have it silver, with its slightly better conductivity, than ordinary
solder. If I could silver plate the solder, just like the copper, I
probably would.

>I have no interest in plating copper on zinc on aluminum. If I can do
>silver that seems like the way to go.

With copper plating on the ends of the aluminum pipes, you can solder
them together. Of course, you could also weld aluminum pipes
together, so that's not a big advantage except to attach coax
connectors and tuning caps.

>> Personally, I think you're overdoing it and are hung up on minutiae
>> and detail. Optimizing the loop resistance to the last remaining
>> decimal point might be useful after you have a reproducible initial
>> design, or if you're trying to build the ultimate magnetic loop
>> antenna. However, the various dimensional aspects of the design are
>> far more important. How big a loop? How to match it to 50 ohms?
>> What's the takeoff angle? Tuning range and bandwidth? Start here:
>> <http://www.aa5tb.com/loop.html>
>> <http://www.aa5tb.com/aa5tb_loop_v1.22a.xls>
>> See Note 2.

>I'm trying to identify significant issues and the easy steps to mitigate
>them. If it is not clear how significant an issue is, but the step to
>mitigate it is easy, then why not do it.

Fair enough. Permit me to offer a suggestion. Please state your
objective when you begin asking questions. Most of your postings
appear to be target practice aimed at the comments of the poster. It
often feels like a duck shoot, where you take shots at anything that
fly by. Your points are usually well taken, but totally aimless
unless you state what you are trying to accomplish. For example, you
haven't indicated if you plan to actually build an antenna, have built
an antenna, are having problems with an antenna, or simply want to
understand the technology from an academic point of view. The type of
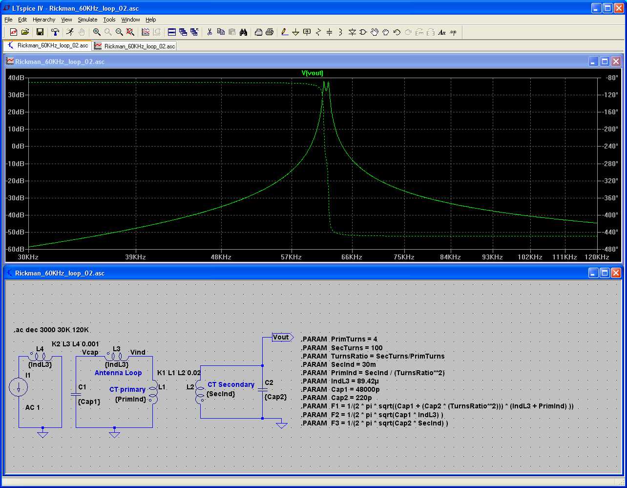
replies vary with the intent. I was very interested in your LTspice
model of a loop antenna, but on which I do not consider myself
qualified to comment. However, when it comes to construction and
testing, I can supply some help.

>I can't see *not* soldering the connections. The tuning capacitor will
>be aluminum. To avoid connections between different metals the entire
>unit will be aluminum. So I will need to solder the aluminum unless it
>is easier to weld which I'm pretty sure is not the case. I think the
>silver plating and silver solder is the short and easy path to an
>optimum solution with low cost. But the jury is still out.

Have you considered copper or brass butterfly capacitors?
<http://files.qrz.com/a/ab1pa/IMG_2964.JPG>
I suspect that there are kits available in brass. The benefits of
soldering the rotor plates to the center shaft is well worth trying
copper. In an ordinary variable cap, any series resistance between
the plates and their connecting rod is going to cause problems. One
reason why butterfly caps are preferred is because they eliminate any
losses in the rotor plate to center shaft (at the price of half the
capacitance).

rickman

unread,
Nov 2, 2015, 12:16:46 AM11/2/15
to
On 11/1/2015 10:59 PM, Jeff Liebermann wrote:
> On Sun, 1 Nov 2015 14:57:36 -0500, rickman <gnu...@gmail.com> wrote:
>
>
>>> Short summary:
>>> 1. DC resistance does not change with soldering.
>>> 2. Temp and mechanical stability of the loop is greatly improved by
>>> soldering and welding. The stronger the joint, the more stable.
>>> 3. Soldering did not seem to affect the Q of the loop, although my
>>> method was rather sloppy and results uncertain.
>
>> That's a lot more clear, but why do you say the "temp" stability of the
>> loop was improved?
>
> Sorry. Temp stability should not be included.
>
> <silver plated antennas>
>
>> That would be a lot of work for a 12 foot tall antenna even if not
>> terribly expensive, for very little gain, about 5% conductivity which is
>> cut in half by the skin effect. Do you really want to go to all that
>> trouble for a 2.5% improvement when you can just use copper with a 2.5%
>> larger OD to achieve the same benefit?
>
> Hams have spend considerably more money of smaller improvements. I
> keep seeing HF antennas fed by 7/8" Heliax and wondering about the
> size of the owners bank account. Anything for that last tenth of a
> decibel. Considering the cost of monster towers, lowest possible loss
> coax, digital everything, and strange looking antennas, I see silver
> plating as a trivial expense.

I didn't say anything about cost. I said trouble.


> Larger diameter tubing is probably a good alternative. I initially
> played with a loop made from a length of RG-8/u coax cable. When I
> found that the resistance of the braid was a problem, I switched to
> RG-214/u (silver plated double braid). That worked much better, but
> the higher Q now made mechanical rigidity an issue. So, I tried a
> length of 9913, which was stiffer, but lacked the improved
> conductivity of the silver plated double shielded braid. After that,
> I tried a chunk of unlabeled CATV 75 ohm semi-rigid coax about 3/4"
> diameter. The conductivity of the aluminum was lousy, but the
> mechanical rigidity was great. There were also some marginal efforts
> using Hula Hoops, aluminized duct tape, and Litz wire antennas (25
> pair of #24 awg insulated telco wires). Incidentally, besides the
> usual OTA (over the air) testing, I used the measured Q as a figure of
> merit on the assumption that higher Q means lower losses.

A larger diameter loop is a great way to go. Radiation resistance goes
up with the 4th power of radius while the dissipative resistance goes up
by linearly, greatly increasing the efficiency.

Larger diameter tubing is good way to reduce the dissipative resistance,
as long as you can afford it or can work with it. The tubing isn't so
pricy, but I've seen that joints cost as much as a 10 foot piece. I
haven't checked that myself. The perception of many is that joints are
bad, so they will want to bend the tubing to form a circle, this gets to
be hard with larger diameter tubing. I'm ok with an octagon (only
loosing 5% of the area of a circle with the same circumference) or maybe
even a square Which looses about 21% of the area. In terms of radiation
resistance these impacts should be squared to give 90% and 62% of the
radiation resistance. The square is easier to make, but the octagon in
addition to being half again more efficient, has a certain panache
compared to a square. I need to find out just how much unions are for
large diameter tubing.


>> Really? You want to design a copper antenna with series capacitors
>> scattered in your loop?
>
> Nope. The press fit copper overlap is sufficient to make a tolerable
> connection. The problem is that it's not a perfect connection, so
> anything that moves will affect the tuning. If overlapping copper
> didn't work, then all the coaxial connectors also wouldn't work.

There is a *big* difference between a precision machined connector and
concentric copper tubes. Heck, there is a big difference between
quality connectors and cheap ones!!! Besides, a coax connector isn't
designed to pass such high currents as a tuned loop antenna. Try
putting those in your loop and I bet it fails very quickly.


>> Yes, it would not just affect the tuning, but
>> the tuning range and vary with all sorts of changes like temperature and
>> humidity. That strikes me as a crazy way to build an antenna.
>
> Yep. I hadn't planned to sell the antenna in that condition. I was
> doing the same thing as the author of the article. I was testing the
> antenna before soldering everything permanently in place to allow for
> easier tweaking and adjusting.

When constructing a loop antenna of copper or aluminum tubing, what is
there to tweak that would be easier with unsoldered joints?


>>> The skin effect of different materials seems to be current issue:
>>> <http://owenduffy.net/calc/SkinDepth.htm>
>>> Looks like the higher resistivity of 63/37 solder, compared to copper,
>>> required more skin depth. Adding some silver to the solder should fix
>>> that.
>
>> I don't know what "required more skin depth" implies. I have yet to
>> find a conductor that wasn't thick enough to provide 95% of the max
>> potential conductivity down to 70 kHz. The skin depth goes by the
>> square root of the resistivity, so there is minimal difference because
>> of that.
>
> It's not the conductor. It's the plating thickness. I get into that
> quite a bit with PIM (passive intermodulation) where the two
> dissimilar metals create a diode junction and produce a mixing action.
> Anyway, the idea is to make the plating thickness thick enough so that
> all the RF is concentrated in the plating, and not distributed into
> the base metal. As I recall, the calculated skin depth is roughly
> where 63% of the RF is concentrated in the outer part of the conductor
> down to the skin depth. In order to get that closer to something like
> 90%, you need 3 skin depth thickness. If you want to take advantage
> of silver plating, it needs to be plated where the RF is moving.

3 skin depths gets you 95% of the conductivity. But the context isn't
making any sense. Copper tubing and solder joints. What are you
planning to plate to get 3 skin depths, the entire copper tube? I'm lost.

In my thinking you need to minimize the use of solder and keep it to as
small an area as possible. Because of the skin effect it will impact
any surface it is on the outside of. So get rid of it or don't use it
in the first place. Or use a very high silver content solder.


>> So even if the solder if four times more
>> resistive it will be swamped by the 100's of times greater length of
>> copper.
> (...)
>> The solder inside the
>> overlap would be inconsequential other than mechanical support.
>
> Agreed. The only place where the solder might have an effect is on
> mechanical rigidity. The small amounts used, even for a square loop
> assembled from sections, it trivial compared to the losses in the
> areas affected by skin effect. However trivial, it's not zero. I
> suggest that you run the spreadsheet at:
> <http://www.aa5tb.com/aa5tb_loop_v1.22a.xls>
> and plug in various numbers for added resistance of the solder. The
> numbers are tiny, but they will produce a noticeable change in Q and
> therefore efficiency.

I think that is a pretty bogus statement. Using the default numbers in
the spreadsheet I could add up to 0.1 mohms before it even changed the Q
factor in the 4th significant digit. The formulas seem to be locked, so
I can't tell what is being done, but I assume the "added loss" is just
added to the loss resistance formula shown on the "formulas" sheet.

Tube thickness of 40 mils. Resistivity (rho) around 1.5 * 10^-7 ohm-m.
Tube diameter of 2 inches. Assume the solder forms a triangular fillet
in the L at the end of the overlap. Length of the hypotenuse is 56
mils. So change the triangle into a rectangle of half that length 28
mil and 28 mil high (max thickness from hypotenuse to right angle
corner). So the resistance will be...

I'm not sure this ascii art will help, lol.

---------,./.
| | \ .
| | \ . 56mil
40mil | \ .
| | \ .
| | \ .
---------' \ /
--------------------------
|-40mil-|

R = rho * L / ( W * H ) = 1.5e-7 ohm-m * 0.712 mm / (0.712 mm * 50.8
mm) = 3 micro-ohms. Yes, MICRO ohms.


>> I have no idea why you think soldered joint would have poor electrical
>> stability.
>
> Because solder is soft compared to copper pipe. I don't know the
> mechanism involved, but when I assembled a loop from pieces and used
> it as a receive antenna, I found myself constantly retuning the loops.
> I later put it on a sweeper and a return loss bridge and noticed that
> the tuning was changing a little as the antenna was tapped with a
> stick. I couldn't tell exactly what was causing the tuning change
> because everything was moving. When I later soldered the antenna
> together (using 60/40 solder), it was much more mechanically stable in
> receive but still not perfect. The only thing loose was the coax
> connector. At that point, I stopped tinkering and tried it on the air
> at 5 and later 50 watts. Even if I did nothing to the antenna, it had
> to retune it every 15 minutes or so. A similar loop (but somewhat
> larger) where I had the local mechanical contractor bend into a loop,
> didn't have these problems and only required retuning when the
> temperature changed, or when I changed in frequency. I might have
> missed some factor, but it would seem to me that the use of solder was
> the only major difference between the loops. (Incidentally, the
> various coax cable loops were worse than the soldered pipe section
> loop and were only useable because the Q was lower and therefore had a
> wider operating bandwidth).

Unexplained issues are not really proof. Someone in another group has a
coax antenna that detunes with temperature. I should ask him if it
detunes with time or just temperature. His frequency drift is some 20
times larger than I can explain with the expansion of the materials in
the capacitor and the loop. Since he is using the coax which is very
flexible, maybe the plastics involved are causing a dimensional change
large than would be seen for solid metal???

Solder may be softer than copper, but it is hard to explain how a solder
joint would change the length of the tubing by enough to cause a detune.


>> Why would I want the silver to be as thick as the skin depth?
>
> Because the RF goes through the outside of the conductor. Better to
> have it silver, with its slightly better conductivity, than ordinary
> solder. If I could silver plate the solder, just like the copper, I
> probably would.

I've lost context here. Silver only gives a 2.5% improvement in
conductivity when accounting for skin depth. This is pointless really.
I don't know where this silver is supposed to be, but the sliver
plating I am talking about will be the surface the solder adheres to, so
it would be *under* the solder, not on top of it. I am only considering
using it because it is very hard to solder aluminum unless it is plated.
I'm not trying to improve conductivity at all. If I want better
conduction, I'll use a larger diameter aluminum tube.


>> I have no interest in plating copper on zinc on aluminum. If I can do
>> silver that seems like the way to go.
>
> With copper plating on the ends of the aluminum pipes, you can solder
> them together. Of course, you could also weld aluminum pipes
> together, so that's not a big advantage except to attach coax
> connectors and tuning caps.

I can solder the silver plating which is why I'm doing it.
Sorry if my comments feel like pot shots. That is not my goal. I am
trying to understand what is being said. To be honest, a lot of your
comments seem to wander and not connect to what I have posted or even to
what you have stated elsewhere in the post or thread. This is probably
because I'm not picturing fully the ideas you have.

To respond to your request, initially my interest was basically
academic, but as I hear more seat of the pants info from experienced
people I am more interested in finding out what really works and what
doesn't which means I'll have to build my own.

Did I ever send you my spice model? I haven't done anything with it in
a long time. It was a receiving antenna. One point I understand better
now is the radiation resistance which I could add in a calculation for.
Initially someone gave me a number I used. But for the small loop I
was looking at and the very low frequency (60 kHz) the radiation
resistance would be very tiny and so not really a factor.


>> I can't see *not* soldering the connections. The tuning capacitor will
>> be aluminum. To avoid connections between different metals the entire
>> unit will be aluminum. So I will need to solder the aluminum unless it
>> is easier to weld which I'm pretty sure is not the case. I think the
>> silver plating and silver solder is the short and easy path to an
>> optimum solution with low cost. But the jury is still out.
>
> Have you considered copper or brass butterfly capacitors?
> <http://files.qrz.com/a/ab1pa/IMG_2964.JPG>
> I suspect that there are kits available in brass. The benefits of
> soldering the rotor plates to the center shaft is well worth trying
> copper. In an ordinary variable cap, any series resistance between
> the plates and their connecting rod is going to cause problems. One
> reason why butterfly caps are preferred is because they eliminate any
> losses in the rotor plate to center shaft (at the price of half the
> capacitance).

I want to build this from scratch if I do it. I don't see a problem
with aluminum. I can't see the benefit of soldering the rotor plates.
So far no one has been able to explain how there would be any difference
in voltage except for very small values. If I felt the need to connect
them I would likely silver plate and solder rather than weld. But your
findings above with the lack of stability concern me with soldering, at
least in the main loop.

--

Rick

Jeff Liebermann

unread,
Nov 2, 2015, 12:17:35 PM11/2/15
to
On Mon, 2 Nov 2015 00:16:42 -0500, rickman <gnu...@gmail.com> wrote:

Short replies... It's Monday and the phone is ringing.

>There is a *big* difference between a precision machined connector and
>concentric copper tubes. Heck, there is a big difference between
>quality connectors and cheap ones!!! Besides, a coax connector isn't
>designed to pass such high currents as a tuned loop antenna. Try
>putting those in your loop and I bet it fails very quickly.

I'm using the shield connection, not the center conductor. The center
pin will probably be destroyed by the high currents and from arcing
due to high voltages. If crimped, the shield will probably survive.
If I wanted to prove it, I would calculate the square mils of surface
contact area for the shield in the connector. Overlapping CLEAN
copper 3/4" tubing makes a tolerable coax connector with the addition
of slots and a hose clamp for compression. I've seen Cu plumbing
parts used as welding cable connectors.

>When constructing a loop antenna of copper or aluminum tubing, what is
>there to tweak that would be easier with unsoldered joints?

The lengths of various sections so that the tuning range of the
capacitor works as planned. My first plumbing loop was calculated for
a loop circumference based on the center line of the plumbing. I had
forgotten to include the length of the capacitor stator frame in the
loop length. I also found that the location where I attached my
tuning capacitor was important. I ended up too low in frequency and
had to trim back a few Cu pipe sections.

>3 skin depths gets you 95% of the conductivity. But the context isn't
>making any sense. Copper tubing and solder joints. What are you
>planning to plate to get 3 skin depths, the entire copper tube? I'm lost.

Yes, I want to silver plate the entire tube, any hardware that carries
RF, and possibly the tuning capacitor. The silver isn't what costs
money, it's the setup and plating labor. If all the copper parts are
plated individually, it's much easier, but then the solder doesn't get
plated. Plating the finished antenna is probably impractical. So, I
guess the solder doesn't get plated.

>In my thinking you need to minimize the use of solder and keep it to as
>small an area as possible. Because of the skin effect it will impact
>any surface it is on the outside of. So get rid of it or don't use it
>in the first place. Or use a very high silver content solder.

Agreed. However, I know what every home building will do. They'll go
to the hardware store, buy the plumbing parts, buy plumbers flux and
Sn-Cu solder, and solder it exactly like a plumber. Using silver
solder will probably be limited to the fanatics and those that have an
inventory of silver bearing solder.

>> Agreed. The only place where the solder might have an effect is on
>> mechanical rigidity. The small amounts used, even for a square loop
>> assembled from sections, it trivial compared to the losses in the
>> areas affected by skin effect. However trivial, it's not zero. I
>> suggest that you run the spreadsheet at:
>> <http://www.aa5tb.com/aa5tb_loop_v1.22a.xls>
>> and plug in various numbers for added resistance of the solder. The
>> numbers are tiny, but they will produce a noticeable change in Q and
>> therefore efficiency.
>
>I think that is a pretty bogus statement. Using the default numbers in
>the spreadsheet I could add up to 0.1 mohms before it even changed the Q
>factor in the 4th significant digit. The formulas seem to be locked, so
>I can't tell what is being done, but I assume the "added loss" is just
>added to the loss resistance formula shown on the "formulas" sheet.
>
>Tube thickness of 40 mils. Resistivity (rho) around 1.5 * 10^-7 ohm-m.
> Tube diameter of 2 inches. Assume the solder forms a triangular fillet
>in the L at the end of the overlap. Length of the hypotenuse is 56
>mils. So change the triangle into a rectangle of half that length 28
>mil and 28 mil high (max thickness from hypotenuse to right angle
>corner). So the resistance will be...
>
>I'm not sure this ascii art will help, lol.

Nice drawing. I like it.

> ---------,./.
> | | \ .
> | | \ . 56mil
> 40mil | \ .
> | | \ .
> | | \ .
> ---------' \ /
> --------------------------
> |-40mil-|
>
> R = rho * L / ( W * H ) = 1.5e-7 ohm-m * 0.712 mm / (0.712 mm * 50.8
>mm) = 3 micro-ohms. Yes, MICRO ohms.

Ok, I yield. That's a much smaller resistance than I would have
expected. Since the other resistive losses are 3 orders of magnitude
larger, I guess we can discount the resistance of the solder.

>Unexplained issues are not really proof.

Agreed. I just thought my observations might be of interest. I think
I made it clear that I don't have a complete understanding of what
happened, only a guess(tm).

>Someone in another group has a
>coax antenna that detunes with temperature. I should ask him if it
>detunes with time or just temperature. His frequency drift is some 20
>times larger than I can explain with the expansion of the materials in
>the capacitor and the loop. Since he is using the coax which is very
>flexible, maybe the plastics involved are causing a dimensional change
>large than would be seen for solid metal???

Good point. A few minutes with a heat gun should demonstrate the
cause of the drift. If he has an MFJ-259/269 antenna analyzer, it can
be used to measure resonance. White knuckle tuning is the only
problem:
<https://www.youtube.com/watch?v=0CgO5ThFsQs> (3:19)
I haven't tried this yet because I just bought a very used MFJ-269,
fixed it, and now the RF connector is intermittent. That's what I
should have been doing this weekend instead of ranting on usenet.

>Solder may be softer than copper, but it is hard to explain how a solder
>joint would change the length of the tubing by enough to cause a detune.

Good question. I don't have an answer. Something moved the tuning,
but I couldn't tell what it was. I might have soldered it together
under tension, which was somehow relieved by heating in transmit.
Dunno.

>Sorry if my comments feel like pot shots. That is not my goal. I am
>trying to understand what is being said. To be honest, a lot of your
>comments seem to wander and not connect to what I have posted or even to
>what you have stated elsewhere in the post or thread. This is probably
>because I'm not picturing fully the ideas you have.

No problem, as long as you don't expect my unrelated experiences to
directly answer your question. I was working on a completely
different problem (minimum practical size of a loop) and not working
so much on the effects of soldering and plating. I apologize if my
experiences and speculation don't neatly dovetail with your questions
and seem unrelated. I had hoped that you would accept them as clues
or partial answer, not rigorous proofs.

>To respond to your request, initially my interest was basically
>academic, but as I hear more seat of the pants info from experienced
>people I am more interested in finding out what really works and what
>doesn't which means I'll have to build my own.

Once upon a time, I worked with an engineer who refused to build
anything until he completely understood the design. I was the exact
opposite, and would rush to build a prototype even if I had some
unanswered questions. The results were predictable. His final design
was usually good, took forever to deliver, and blew multiple
deadlines. Mine were a series of failures eventually leading to
something that worked. The total elapsed times were about the same. I
still don't know which method is better, but today I still prefer a
series of tweaked prototypes to a pile of calculations and a detailed
model. That might explain some of my recommendations and choice of
methods.

>Did I ever send you my spice model? I haven't done anything with it in
>a long time. It was a receiving antenna. One point I understand better
>now is the radiation resistance which I could add in a calculation for.
> Initially someone gave me a number I used. But for the small loop I
>was looking at and the very low frequency (60 kHz) the radiation
>resistance would be very tiny and so not really a factor.

You posted it to S.E.D. I looked it over but there were runtime
errors that I didn't want to fix. The title is Antenna_trans_loop.asc
dated 2013-02-27. If you have something later, I would be interested.
However, my abilities to use LTspice for RF design seems to have hit a
roadblock. About a month ago in S.E.D., I was involved in a
discussion about the operation of a common CATV splitter/combiner. I
decided to model the device with LTspice and ran into an odd problem.
The graphs produced by LTspice are in dB(volts) rather than dBm or
watts. I'm stuck trying to figure out how to produce dBm so that
graphs of filters, loops, and such look sane.

>I want to build this from scratch if I do it. I don't see a problem
>with aluminum.

No problem electrically. Big PITA mechanically because aluminum is
difficult to solder without Cu or Ag plating.

>I can't see the benefit of soldering the rotor plates.

If you use an ordinary non-butterfly capacitor, the loop current goes
through the capacitor. That means it goes from the stator mounting
rod, through the plates, through the air, through the rotor plates,
though a bearing/bushing, and finally through the rotor shaft. Just
follow the RF path. Most of that path is fairly solidly built or
welded, but not the connections between the plates and the shafts.
Often, they're crimped together, resulting in a minimal point contact.
Better is on a threaded shaft, with compression making the connection.
Best is soldered, welded, or machined from a solid piece of metal.

A butterfly capacitor eliminates the worst culprit by removing the
rotating shaft from the RF path. There are two sets of stator plates
that need to be secured to two mounting shafts, but these are fairly
simple to build, compared to the rotor shaft found in the common
variable capacitor. The only problem is cost and the half the
capacitance from stator to stator.

>So far no one has been able to explain how there would be any difference
>in voltage except for very small values. If I felt the need to connect
>them I would likely silver plate and solder rather than weld. But your
>findings above with the lack of stability concern me with soldering, at
>least in the main loop.

Well, the easy way would be to discount my observations and move
onward. The worst that can happen is that you'll repeat my
observations, my mistakes, or both.

As I previously concluded, the only real benefits of silver solder is
mechanical strength and rigidity. If your method of construction
requires these, such as if the tuning capacitor mounting is such that
movement of the loop will cause a movement in the capacitor, then
silver solder might help.

rickman

unread,
Nov 3, 2015, 3:37:40 AM11/3/15
to
On 11/2/2015 12:17 PM, Jeff Liebermann wrote:
> On Mon, 2 Nov 2015 00:16:42 -0500, rickman <gnu...@gmail.com> wrote:
>
> Short replies... It's Monday and the phone is ringing.
>
>> There is a *big* difference between a precision machined connector and
>> concentric copper tubes. Heck, there is a big difference between
>> quality connectors and cheap ones!!! Besides, a coax connector isn't
>> designed to pass such high currents as a tuned loop antenna. Try
>> putting those in your loop and I bet it fails very quickly.
>
> I'm using the shield connection, not the center conductor. The center
> pin will probably be destroyed by the high currents and from arcing
> due to high voltages. If crimped, the shield will probably survive.
> If I wanted to prove it, I would calculate the square mils of surface
> contact area for the shield in the connector. Overlapping CLEAN
> copper 3/4" tubing makes a tolerable coax connector with the addition
> of slots and a hose clamp for compression. I've seen Cu plumbing
> parts used as welding cable connectors.

I don't know why you keep shifting gears. DC current is nothing like RF
current. DC will use every molecule of conduction path. The skin
effect hugely influences AC conduction making much of the connection
between two concentric conductors unavailable for conduction.

I looked up the coax connector shield connection and they are rated for
0.2 mohm outer contact and 0.1 mohm braid to body, so maybe they could
pass the large currents seen in these antenna. But that does not relate
to the concentric copper tube because the coax connector is specifically
designed for this. The copper tube is just the opposite.


>> When constructing a loop antenna of copper or aluminum tubing, what is
>> there to tweak that would be easier with unsoldered joints?
>
> The lengths of various sections so that the tuning range of the
> capacitor works as planned. My first plumbing loop was calculated for
> a loop circumference based on the center line of the plumbing. I had
> forgotten to include the length of the capacitor stator frame in the
> loop length. I also found that the location where I attached my
> tuning capacitor was important. I ended up too low in frequency and
> had to trim back a few Cu pipe sections.

You have to do that exactly once. After that there is no reason to
leave the joints unsoldered.


>> 3 skin depths gets you 95% of the conductivity. But the context isn't
>> making any sense. Copper tubing and solder joints. What are you
>> planning to plate to get 3 skin depths, the entire copper tube? I'm lost.
>
> Yes, I want to silver plate the entire tube, any hardware that carries
> RF, and possibly the tuning capacitor. The silver isn't what costs
> money, it's the setup and plating labor. If all the copper parts are
> plated individually, it's much easier, but then the solder doesn't get
> plated. Plating the finished antenna is probably impractical. So, I
> guess the solder doesn't get plated.

I don't see any useful value to silver plating. It gains you 2.5% in
improved conductivity. Really? You are the one telling me *I'm*
overdoing this. Also, I'm not planning to use copper, rather aluminum.
I found 20 foot lengths of aluminum 3 inch Al tubing for $3 a foot,
much cheaper and as good a conductor as 2.5 inch copper.

Why silver plate when you can get a bigger improvement by going up in
tube diameter?

The solder, properly done, will only cover a tiny fraction of the total
loop. Pointless to even consider plating it, especially when it can be
a silver compound as well.


>> In my thinking you need to minimize the use of solder and keep it to as
>> small an area as possible. Because of the skin effect it will impact
>> any surface it is on the outside of. So get rid of it or don't use it
>> in the first place. Or use a very high silver content solder.
>
> Agreed. However, I know what every home building will do. They'll go
> to the hardware store, buy the plumbing parts, buy plumbers flux and
> Sn-Cu solder, and solder it exactly like a plumber. Using silver
> solder will probably be limited to the fanatics and those that have an
> inventory of silver bearing solder.

So? If people can't follow instructions they get what they get.
What about other effects. What happens to the inductance if the loop is
a bit out of plane? Any idea if your loop flexes around in wind or
whatever?


>> Sorry if my comments feel like pot shots. That is not my goal. I am
>> trying to understand what is being said. To be honest, a lot of your
>> comments seem to wander and not connect to what I have posted or even to
>> what you have stated elsewhere in the post or thread. This is probably
>> because I'm not picturing fully the ideas you have.
>
> No problem, as long as you don't expect my unrelated experiences to
> directly answer your question. I was working on a completely
> different problem (minimum practical size of a loop) and not working
> so much on the effects of soldering and plating. I apologize if my
> experiences and speculation don't neatly dovetail with your questions
> and seem unrelated. I had hoped that you would accept them as clues
> or partial answer, not rigorous proofs.

As to the minimum size of the antenna... the formula that surprised me
and made me realize there is a nearly brick wall is for radiation
resistance. It's proportional to the 4th power of the ratio of loop
radius to wavelength... the *4th* power! That is hard to overcome by
any small effect or even moderately large ones. Push just a little bit
and you see huge results, like making your loop 33% larger increasing
the radiation resistance by 3x! (or making your loop 25% smaller
reducing the radiation resistance 3x ;) Makes it hard to get anything
like acceptable efficiency if the loop is even a little too small.
Are you saying the version I posted didn't even run? Odd. It is late
now, but I'll try to dig it out tomorrow.


>> I want to build this from scratch if I do it. I don't see a problem
>> with aluminum.
>
> No problem electrically. Big PITA mechanically because aluminum is
> difficult to solder without Cu or Ag plating.

That's why I want to silver plate it. The plating looks to be easy.
Others have talked about being able to solder aluminum by using
something to block the air, but I don't recall the details. It sounds
much more difficult.


>> I can't see the benefit of soldering the rotor plates.
>
> If you use an ordinary non-butterfly capacitor, the loop current goes
> through the capacitor. That means it goes from the stator mounting
> rod, through the plates, through the air, through the rotor plates,
> though a bearing/bushing, and finally through the rotor shaft. Just
> follow the RF path. Most of that path is fairly solidly built or
> welded, but not the connections between the plates and the shafts.
> Often, they're crimped together, resulting in a minimal point contact.
> Better is on a threaded shaft, with compression making the connection.
> Best is soldered, welded, or machined from a solid piece of metal.

But you still have the bearing contact which makes it impractical for a
transmitter from what I hear. No point in welding a rotor if you have
such a joint carrying the RF.


> A butterfly capacitor eliminates the worst culprit by removing the
> rotating shaft from the RF path. There are two sets of stator plates
> that need to be secured to two mounting shafts, but these are fairly
> simple to build, compared to the rotor shaft found in the common
> variable capacitor. The only problem is cost and the half the
> capacitance from stator to stator.

Not really an issue if the difference is that it works and the brushed
or bushed rotor doesn't work at high RF power levels.


>> So far no one has been able to explain how there would be any difference
>> in voltage except for very small values. If I felt the need to connect
>> them I would likely silver plate and solder rather than weld. But your
>> findings above with the lack of stability concern me with soldering, at
>> least in the main loop.
>
> Well, the easy way would be to discount my observations and move
> onward. The worst that can happen is that you'll repeat my
> observations, my mistakes, or both.

Yes, but this will be a *lot* of work to assemble a large antenna like
this. The cost won't be small either.


> As I previously concluded, the only real benefits of silver solder is
> mechanical strength and rigidity. If your method of construction
> requires these, such as if the tuning capacitor mounting is such that
> movement of the loop will cause a movement in the capacitor, then
> silver solder might help.

Yeah. I should stick by my guns and believe that standard tin-lead
solder just won't impact the function of the loop to any detectable level.

--

Rick

Jeff Liebermann

unread,
Nov 4, 2015, 12:41:38 AM11/4/15
to
On Tue, 3 Nov 2015 03:37:36 -0500, rickman <gnu...@gmail.com> wrote:

Sorry, but I need to bail out of this interesting discussion for about
a week. I just landed another satellite dish repair job and need to
steal some time.

>You have to do that exactly once. After that there is no reason to
>leave the joints unsoldered.

I'm not suggesting that one build a loop that is NOT soldered.
However, I am suggesting that TESTING a loop that is not soldered is a
good idea in order to nail the tuning range.

>Why silver plate when you can get a bigger improvement by going up in
>tube diameter?

Because eventually, one runs out of diameter and has to use other
tricks in order to improve efficiency.

>So? If people can't follow instructions they get what they get.

I'm one of those people. I find it embarassing to be caught reading
the instructions. Customers will think I don't know what I'm doing if
they see me reading the instructions. Besides, if the product were
designed correctly, it wouldn't need any instructions.

>What about other effects. What happens to the inductance if the loop is
>a bit out of plane? Any idea if your loop flexes around in wind or
>whatever?

If I can find some mythical spare time, I'll buy an 8ft vent hose,
attach it to my LRC meter, and see what thrashing it around does to
the inductance. That should be a fair indication of what the tuning
might do. For fun, I might just tie it in a knot. Remind me in case
I get distracted by paying work.

>As to the minimum size of the antenna.

My interest in the minimum size was inspired by an article that I
can't seem to find right now. The author claimed that scaling a loop
increasing the gain and efficiency, but the SNR (ratio between the
baseline atmospheric noise level picked up by the loop, and the
receive signal level) remains constant until the loop becomes so small
that the noise level drops below the thermal noise floor. I agree
with this but want to test it for myself. That means building a
collection of receive only loops with different L/C ratios. Hopefully,
I can derive or deduce some method for calculating the minimum usable
loop size.

>.. the formula that surprised me
>and made me realize there is a nearly brick wall is for radiation
>resistance. It's proportional to the 4th power of the ratio of loop
>radius to wavelength... the *4th* power! That is hard to overcome by
>any small effect or even moderately large ones. Push just a little bit
>and you see huge results, like making your loop 33% larger increasing
>the radiation resistance by 3x! (or making your loop 25% smaller
>reducing the radiation resistance 3x ;) Makes it hard to get anything
>like acceptable efficiency if the loop is even a little too small.

Hmmm... if that's correct, it might be useful for my quest for the
worlds smallest practical HF loop.

>> You posted it to S.E.D. I looked it over but there were runtime
>> errors that I didn't want to fix. The title is Antenna_trans_loop.asc
>> dated 2013-02-27.
>
>Are you saying the version I posted didn't even run? Odd. It is late
>now, but I'll try to dig it out tomorrow.

It ran, but with errors. I don't have your email address so I'll just
dump it on my web pile probably tomorrow evening.

>That's why I want to silver plate it. The plating looks to be easy.
>Others have talked about being able to solder aluminum by using
>something to block the air, but I don't recall the details. It sounds
>much more difficult.

Alumiweld. It's actually quite easy if you have an acetylene torch or
MAPP gass burner. Propane works, but I found more is more better. You
buy coated aluminum rod and braze normally. It wasn't difficult but I
did manage to screw up a few joints before I got the hang of it.
<http://www.alumiweld.com>
<https://www.forneyind.com/store/detail/682/oxy-acetylene_welding_brazing_rod/5018/easy-flo_aluminum_brazing_rod_18_x_18_-_12_lbs/>
<http://www.harborfreight.com/8-piece-low-temperature-aluminum-welding-rods-44810.html>
<https://www.youtube.com/watch?v=CJ42scaWFnw>
<https://www.youtube.com/watch?v=y-iw3BiR4IQ>
Lots of other videos on aluminum brazing on YouTube.
I have no idea how it will work on thinwall sections.

This is cute:
<https://www.youtube.com/watch?v=TaSORWC-BMU>
They're brazing an aluminum engine block by pre-heating the block in a
Weber barbeque.

rickman

unread,
Nov 4, 2015, 1:27:18 AM11/4/15
to
On 11/4/2015 12:41 AM, Jeff Liebermann wrote:
> On Tue, 3 Nov 2015 03:37:36 -0500, rickman <gnu...@gmail.com> wrote:
>
> Sorry, but I need to bail out of this interesting discussion for about
> a week. I just landed another satellite dish repair job and need to
> steal some time.

Yeah, me too.


>> You have to do that exactly once. After that there is no reason to
>> leave the joints unsoldered.
>
> I'm not suggesting that one build a loop that is NOT soldered.
> However, I am suggesting that TESTING a loop that is not soldered is a
> good idea in order to nail the tuning range.
>
>> Why silver plate when you can get a bigger improvement by going up in
>> tube diameter?
>
> Because eventually, one runs out of diameter and has to use other
> tricks in order to improve efficiency.

It is not very useful to get a 2.5% improvement. That's the bottom line.


>> So? If people can't follow instructions they get what they get.
>
> I'm one of those people. I find it embarassing to be caught reading
> the instructions. Customers will think I don't know what I'm doing if
> they see me reading the instructions. Besides, if the product were
> designed correctly, it wouldn't need any instructions.
>
>> What about other effects. What happens to the inductance if the loop is
>> a bit out of plane? Any idea if your loop flexes around in wind or
>> whatever?
>
> If I can find some mythical spare time, I'll buy an 8ft vent hose,
> attach it to my LRC meter, and see what thrashing it around does to
> the inductance. That should be a fair indication of what the tuning
> might do. For fun, I might just tie it in a knot. Remind me in case
> I get distracted by paying work.
>
>> As to the minimum size of the antenna.
>
> My interest in the minimum size was inspired by an article that I
> can't seem to find right now. The author claimed that scaling a loop
> increasing the gain and efficiency, but the SNR (ratio between the
> baseline atmospheric noise level picked up by the loop, and the
> receive signal level) remains constant until the loop becomes so small
> that the noise level drops below the thermal noise floor. I agree
> with this but want to test it for myself. That means building a
> collection of receive only loops with different L/C ratios. Hopefully,
> I can derive or deduce some method for calculating the minimum usable
> loop size.

You are now analyzing receiving antennas. That's a gear shift. I've
been discussing transmitting antennas. Big distinction.


>> .. the formula that surprised me
>> and made me realize there is a nearly brick wall is for radiation
>> resistance. It's proportional to the 4th power of the ratio of loop
>> radius to wavelength... the *4th* power! That is hard to overcome by
>> any small effect or even moderately large ones. Push just a little bit
>> and you see huge results, like making your loop 33% larger increasing
>> the radiation resistance by 3x! (or making your loop 25% smaller
>> reducing the radiation resistance 3x ;) Makes it hard to get anything
>> like acceptable efficiency if the loop is even a little too small.
>
> Hmmm... if that's correct, it might be useful for my quest for the
> worlds smallest practical HF loop.

Xmit and receive put very different requirements on the antenna. Which
do you wish to optimize? What power level/range are you shooting for?


>>> You posted it to S.E.D. I looked it over but there were runtime
>>> errors that I didn't want to fix. The title is Antenna_trans_loop.asc
>>> dated 2013-02-27.
>>
>> Are you saying the version I posted didn't even run? Odd. It is late
>> now, but I'll try to dig it out tomorrow.
>
> It ran, but with errors. I don't have your email address so I'll just
> dump it on my web pile probably tomorrow evening.

I seem to recall some errors were reported, but I don't recall them
being of any consequence.


>> That's why I want to silver plate it. The plating looks to be easy.
>> Others have talked about being able to solder aluminum by using
>> something to block the air, but I don't recall the details. It sounds
>> much more difficult.
>
> Alumiweld. It's actually quite easy if you have an acetylene torch or
> MAPP gass burner. Propane works, but I found more is more better. You
> buy coated aluminum rod and braze normally. It wasn't difficult but I
> did manage to screw up a few joints before I got the hang of it.
> <http://www.alumiweld.com>
> <https://www.forneyind.com/store/detail/682/oxy-acetylene_welding_brazing_rod/5018/easy-flo_aluminum_brazing_rod_18_x_18_-_12_lbs/>
> <http://www.harborfreight.com/8-piece-low-temperature-aluminum-welding-rods-44810.html>
> <https://www.youtube.com/watch?v=CJ42scaWFnw>
> <https://www.youtube.com/watch?v=y-iw3BiR4IQ>
> Lots of other videos on aluminum brazing on YouTube.
> I have no idea how it will work on thinwall sections.

That's a big deal. It needs to work with thin tubing.

I'm happy with the idea of soldering.


> This is cute:
> <https://www.youtube.com/watch?v=TaSORWC-BMU>
> They're brazing an aluminum engine block by pre-heating the block in a
> Weber barbeque.



--

Rick

Jeff Liebermann

unread,
Nov 4, 2015, 8:06:34 PM11/4/15
to
On Wed, 4 Nov 2015 01:27:16 -0500, rickman <gnu...@gmail.com> wrote:

>On 11/4/2015 12:41 AM, Jeff Liebermann wrote:
>> On Tue, 3 Nov 2015 03:37:36 -0500, rickman <gnu...@gmail.com> wrote:
>>
>> Sorry, but I need to bail out of this interesting discussion for about
>> a week. I just landed another satellite dish repair job and need to
>> steal some time.
>
>Yeah, me too.

I'm back. I got a one week delay. I get to do the dishes next Thurs.
However, I still need to reduce my usenet time in order to get a few
important things done. (If I did everything I promised to do, I'd
never get anything done).

>It is not very useful to get a 2.5% improvement. That's the bottom line.

Yes, but silver plating looks cool and will probably sell a few more
overpriced antennas. I guess the generic version should be polished
copper coated with Krylon, while the "pro" version might be silver
plated and coated with Krylon. Sorry, but no "Monster Cable" model in
2% gold is planned. Besides, at the high end, diminishing returns
becomes a fact-o-life. For a 2.5% improvement, you get to pay 50%
more. Seems fair to me.

>You are now analyzing receiving antennas. That's a gear shift. I've
>been discussing transmitting antennas. Big distinction.

Receive is my main area of interest. I'm trying not to do anything
that will preclude its use as a transmit antenna. At QRP levels
(<5watts), the distinction isn't that big. The fun starts at 50 watts
and up. From the standpoint of construction, the big difference is
that the tuning cap has to handle high voltages and that the loop
needs to survive high currents.

Incidentally, this is one reason why I can't directly answer some of
your questions and why I seem to be drifting in topic. I'm following
my own reading and tinkering, not yours.

>> Hmmm... if that's correct, it might be useful for my quest for the
>> worlds smallest practical HF loop.
>
>Xmit and receive put very different requirements on the antenna. Which
>do you wish to optimize?

Initially, just receive performance. Once that's working and
understood, the tuning cap and loop construction can be beefed up to
handle the voltages and current levels needed for transmit.

> What power level/range are you shooting for?

Initially QRP (5 watts). Next about 50 watts (digital modes).
Eventually, 150 watts (SSB). These can be 3 different models, with 3
different capacitors and 3 different mechanical designs. After some
tinkering, I know what it takes to make something that works in
transmit. What I don't know is how small I can make the loop and
that's what I'm initially working on calculating and testing.

An all too common problem is that the tuning changes between trnansmit
and receive. If I can't cure that, I'll probably need remote antenna
tuning, motor drive, uP control, etc.

>I seem to recall some errors were reported, but I don't recall them
>being of any consequence.

You haven't indicated if it's your model. I uploaded it to:
<http://802.11junk.com/jeffl/antennas/magnetic-loop/Antenna_trans_LTspice/Antenna_trans_loop.asc>
Is this the latest? This is what it produces:
Circuit: *
C:\blah-blah\jeffl\antennas\magnetic-loop\Antenna_trans_LTspice\Antenna_trans_loop.asc
Number of points per octave reduced from 3000000 to 19545.
Multiply defined .measure result: max
Each .measure statement needs a unique result name.
Date: Wed Nov 04 16:49:57 2015
Total elapsed time: 0.266 seconds.

>> I have no idea how it will work on thinwall sections.
>
>That's a big deal. It needs to work with thin tubing.

Time permitting, I'll try it on whatever aluminum tubing I can find. I
have an aluminum ladder than could use some reinforcing, so I'll get
some practice. I'll probably have to use propane as oxy-acetylene
will probably burn a hole in it.

>I'm happy with the idea of soldering.

"How to Solder Aluminum Thin Wall Tubing"
<http://www.ehow.com/how_6069853_solder-aluminum-thin-wall-tubing.html>

rickman

unread,
Nov 4, 2015, 9:24:56 PM11/4/15
to
On 11/4/2015 8:06 PM, Jeff Liebermann wrote:
> On Wed, 4 Nov 2015 01:27:16 -0500, rickman <gnu...@gmail.com> wrote:
>
>> On 11/4/2015 12:41 AM, Jeff Liebermann wrote:
>>> On Tue, 3 Nov 2015 03:37:36 -0500, rickman <gnu...@gmail.com> wrote:
>>>
>>> Sorry, but I need to bail out of this interesting discussion for about
>>> a week. I just landed another satellite dish repair job and need to
>>> steal some time.
>>
>> Yeah, me too.
>
> I'm back. I got a one week delay. I get to do the dishes next Thurs.
> However, I still need to reduce my usenet time in order to get a few
> important things done. (If I did everything I promised to do, I'd
> never get anything done).
>
>> It is not very useful to get a 2.5% improvement. That's the bottom line.
>
> Yes, but silver plating looks cool and will probably sell a few more
> overpriced antennas. I guess the generic version should be polished
> copper coated with Krylon, while the "pro" version might be silver
> plated and coated with Krylon. Sorry, but no "Monster Cable" model in
> 2% gold is planned. Besides, at the high end, diminishing returns
> becomes a fact-o-life. For a 2.5% improvement, you get to pay 50%
> more. Seems fair to me.

I believe gold is not as good a conductor as copper. The rank is
silver, copper, gold, aluminum with silver only 5% better than copper
which is mitigated to 2.5% with the skin effect.

I'm looking at aluminum because of the cost and the weight, but
noticeably less with aluminum.


>> You are now analyzing receiving antennas. That's a gear shift. I've
>> been discussing transmitting antennas. Big distinction.
>
> Receive is my main area of interest. I'm trying not to do anything
> that will preclude its use as a transmit antenna. At QRP levels
> (<5watts), the distinction isn't that big. The fun starts at 50 watts
> and up. From the standpoint of construction, the big difference is
> that the tuning cap has to handle high voltages and that the loop
> needs to survive high currents.

Receive and transmit are opposed goals for optimization. A high
radiation resistance means some of your received signal is radiated
again. A low radiation resistance lowers the transmission efficiency.
The other issues both have in common, but it is easier to optimize a
receive antenna than a transmit antenna. I have seen more than one have
use separate antennas for each.


> Incidentally, this is one reason why I can't directly answer some of
> your questions and why I seem to be drifting in topic. I'm following
> my own reading and tinkering, not yours.

It makes a huge difference. No one makes a transmit antenna with
multiturns and small wire which are both perfectly ok for receive. Here
are the key equations for receive antennas...

In general the receive voltage relates to the various parameters
assuming the radiation resistance is small -
L ∝ r * ln(r) * N2
R ∝ r * N
Q ∝ N * ln(r)
V ∝ r² * N * Q * ln(r)
V ∝ r² * N² * ln(r)
l ∝ r * N * ln(r)
V ∝ l² * ln(r)

So maximizing signal strength means maximizing the total length of the
coil independent of the number of turns other than the small effect from
ln(r). Smaller loops with more turns is nearly as good as larger loops
with fewer turns. Not so for transmitting antennas because the
radiation resistance which needs to be >> than the ohmic resistance. A
large radiation resistance can hurt the Q relative to what you get with
a receive antenna.

Consider using two antennas where the receive antenna has a lot more
length. No high voltages or currents are used so the components can be
much less costly. A simple air cap with a standard wiper or bearing
connected rotor can be used.


>>> Hmmm... if that's correct, it might be useful for my quest for the
>>> worlds smallest practical HF loop.
>>
>> Xmit and receive put very different requirements on the antenna. Which
>> do you wish to optimize?
>
> Initially, just receive performance. Once that's working and
> understood, the tuning cap and loop construction can be beefed up to
> handle the voltages and current levels needed for transmit.
>
>> What power level/range are you shooting for?
>
> Initially QRP (5 watts). Next about 50 watts (digital modes).
> Eventually, 150 watts (SSB). These can be 3 different models, with 3
> different capacitors and 3 different mechanical designs. After some
> tinkering, I know what it takes to make something that works in
> transmit. What I don't know is how small I can make the loop and
> that's what I'm initially working on calculating and testing.
>
> An all too common problem is that the tuning changes between trnansmit
> and receive. If I can't cure that, I'll probably need remote antenna
> tuning, motor drive, uP control, etc.

Are you talking about self heating effects?


>> I seem to recall some errors were reported, but I don't recall them
>> being of any consequence.
>
> You haven't indicated if it's your model. I uploaded it to:
> <http://802.11junk.com/jeffl/antennas/magnetic-loop/Antenna_trans_LTspice/Antenna_trans_loop.asc>
> Is this the latest? This is what it produces:
> Circuit: *
> C:\blah-blah\jeffl\antennas\magnetic-loop\Antenna_trans_LTspice\Antenna_trans_loop.asc
> Number of points per octave reduced from 3000000 to 19545.
> Multiply defined .measure result: max
> Each .measure statement needs a unique result name.
> Date: Wed Nov 04 16:49:57 2015
> Total elapsed time: 0.266 seconds.

Yes, I wrote the simulation with help from a variety of sources. The
above is not really an error. Just reduce the number of points used. I
don't recall how that is set, but much of it is parametrized.

I'm not sure what is up with the MAX error report. That sounds like a
problem with a line continuation.


>>> I have no idea how it will work on thinwall sections.
>>
>> That's a big deal. It needs to work with thin tubing.
>
> Time permitting, I'll try it on whatever aluminum tubing I can find. I
> have an aluminum ladder than could use some reinforcing, so I'll get
> some practice. I'll probably have to use propane as oxy-acetylene
> will probably burn a hole in it.

I have a friend who is a great welder, but he is older than myself and
doesn't spend much time in the shop these days. I visited him today and
we just hung out in the workshop and talked about stuff. He is trying
to improve his TV reception by adding another antenna on the same pole
and connecting the two together through one preamp. I told him if the
antenna are close together they may interfere and using one preamp is
likely to be a problem. He was not happy... :(


>> I'm happy with the idea of soldering.
>
> "How to Solder Aluminum Thin Wall Tubing"
> <http://www.ehow.com/how_6069853_solder-aluminum-thin-wall-tubing.html>

I will look into that.

--

Rick

Jeff Liebermann

unread,
Nov 4, 2015, 10:30:48 PM11/4/15
to
On Wed, 4 Nov 2015 21:24:55 -0500, rickman <gnu...@gmail.com> wrote:


>>> I seem to recall some errors were reported, but I don't recall them
>>> being of any consequence.
>>
>> You haven't indicated if it's your model. I uploaded it to:
>> <http://802.11junk.com/jeffl/antennas/magnetic-loop/Antenna_trans_LTspice/Antenna_trans_loop.asc>
>> Is this the latest? This is what it produces:
>> Circuit: *
>> C:\blah-blah\jeffl\antennas\magnetic-loop\Antenna_trans_LTspice\Antenna_trans_loop.asc
>> Number of points per octave reduced from 3000000 to 19545.
>> Multiply defined .measure result: max
>> Each .measure statement needs a unique result name.
>> Date: Wed Nov 04 16:49:57 2015
>> Total elapsed time: 0.266 seconds.
>
>Yes, I wrote the simulation with help from a variety of sources. The
>above is not really an error. Just reduce the number of points used. I
>don't recall how that is set, but much of it is parametrized.
>
>I'm not sure what is up with the MAX error report. That sounds like a
>problem with a line continuation.

That was the .ac directive. Too many points per octave.

Here's my tweaked version of the loop. No errors this time:
<http://802.11junk.com/jeffl/antennas/magnetic-loop/Antenna_trans_LTspice/Rickman_60KHz_loop_02.asc>
Screen grab of the output:
<http://802.11junk.com/jeffl/antennas/magnetic-loop/Antenna_trans_LTspice/Rickman_60KHz_loop_02.jpg>

What I done did:
1. Removed all the .MEAS stuff that was producing errors. Just put
the probe on the "output" line.
2. L1 and L2 were over coupled. I reduced the coupling from 1 to
0.02. I intentionally did NOT overlap the resonant peaks so the
tuning is slightly off. It's fairly close to critically coupled.
3. Adjusted C1 and C2 for 60 KHz tuning.
4. Change frequency axis (.ac) parameters.
5. I got lazy and didn't add the usual title block stuff.
6. There are no values for Rs which needs to be considered.

I hope this helps and I'm gone for dinner.

rickman

unread,
Nov 4, 2015, 11:50:39 PM11/4/15
to
Why is this over coupled?


> 3. Adjusted C1 and C2 for 60 KHz tuning.
> 4. Change frequency axis (.ac) parameters.

I like to have a major tick at the frequency I am interested in, 60 kHz
in this case.


> 5. I got lazy and didn't add the usual title block stuff.
> 6. There are no values for Rs which needs to be considered.

What is Rs, the loss resistance? Hmmm, this must have been an older
copy, I am sure I included that, possibly in one of the coils since that
is what it is from. I'm not sure I included radiation resistance as I
barely knew what that was. I recall someone said it should be in there
and gave me a rough value which was very small. I now understand it
better and the calculated number is 2.669E-010 ohms, so obviously it can
be totally ignored.

My real circuit had some other components at the output that complicate
the real circuit. The "receiver" is an FPGA with a very high input
impedance. To bias the input to the threshold of the input there is an
output of the quantized value which is filtered by an RC circuit and
used to bias the other side of the CT secondary rather than grounding
it. I haven't decided on the exact circuit for the digital side.

--

Rick

Jeff Liebermann

unread,
Nov 5, 2015, 12:35:03 AM11/5/15
to
On Wed, 4 Nov 2015 23:50:38 -0500, rickman <gnu...@gmail.com> wrote:

>> 2. L1 and L2 were over coupled. I reduced the coupling from 1 to
>> 0.02. I intentionally did NOT overlap the resonant peaks so the
>> tuning is slightly off. It's fairly close to critically coupled.
>
>Why is this over coupled?

When you couple together two tuned circuits, over coupling will result
in an overly broad peak (low Q) while under coupling will result in
low output. The degree of coupling also has some effect on whether
you see one or two peaks in case you really do want a broadband
design. For a 60 KHz loop, you want it as narrow as possible, even if
it means some additional loss.

For a power xformer, you always want as much coupling as possible with
as little stray fields leaving the transformer. However, for tuned
circuits, you want whatever coupling gives you the desired bandwidth.
Different goals, I guess.

>> 3. Adjusted C1 and C2 for 60 KHz tuning.
>> 4. Change frequency axis (.ac) parameters.
>
>I like to have a major tick at the frequency I am interested in, 60 kHz
>in this case.

So, add it. I spent about 15 minutes (mostly tuning L1 and L2) making
the changes and left out all kinds of goodies that would be nice.
Title block info, formatting L3/L4 to look like an xformer, etc. I
also didn't do a sanity check on any of the components. However, in
this case I can't help. I don't know how to add a frequency marker
and couldn't find any clues with Google.

>> 5. I got lazy and didn't add the usual title block stuff.
>> 6. There are no values for Rs which needs to be considered.

>What is Rs, the loss resistance?

Yes.

>Hmmm, this must have been an older copy,

Yep, it appears to be missing some things.

>I am sure I included that, possibly in one of the coils since that
>is what it is from. I'm not sure I included radiation resistance as I
>barely knew what that was. I recall someone said it should be in there
>and gave me a rough value which was very small. I now understand it
>better and the calculated number is 2.669E-010 ohms, so obviously it can
>be totally ignored.

L2 has Rs=7 ohms. L3 has Rs=0.325 ohms. I think both are rather high
for a 60 KHz loop. The other coils have no value for Rs.

When I do an antenna, I usually have the design running in 4NEC2,
which provides me with various parameters including radiation
resistance, efficiency, etc. I don't know what a sane number would be
for a 60 KHz loop, but can probably find a WWVB antenna model that
would give a ballpark value. (However, not now).

>My real circuit had some other components at the output that complicate
>the real circuit. The "receiver" is an FPGA with a very high input
>impedance. To bias the input to the threshold of the input there is an
>output of the quantized value which is filtered by an RC circuit and
>used to bias the other side of the CT secondary rather than grounding
>it. I haven't decided on the exact circuit for the digital side.

High impedance means high voltages. If you use a realistic value for
the input voltage instead of 1, it will show if you're going to
overload your FPGA A/D converter or whatever you're using for input.

rickman

unread,
Nov 5, 2015, 2:44:25 AM11/5/15
to
On 11/5/2015 12:35 AM, Jeff Liebermann wrote:
> On Wed, 4 Nov 2015 23:50:38 -0500, rickman <gnu...@gmail.com> wrote:
>
>>> 2. L1 and L2 were over coupled. I reduced the coupling from 1 to
>>> 0.02. I intentionally did NOT overlap the resonant peaks so the
>>> tuning is slightly off. It's fairly close to critically coupled.
>>
>> Why is this over coupled?
>
> When you couple together two tuned circuits, over coupling will result
> in an overly broad peak (low Q) while under coupling will result in
> low output. The degree of coupling also has some effect on whether
> you see one or two peaks in case you really do want a broadband
> design. For a 60 KHz loop, you want it as narrow as possible, even if
> it means some additional loss.
>
> For a power xformer, you always want as much coupling as possible with
> as little stray fields leaving the transformer. However, for tuned
> circuits, you want whatever coupling gives you the desired bandwidth.
> Different goals, I guess.

How do you control the coupling in the real circuit? I was planning to
use a current transformer which I assume would be strongly coupled. Of
course, I was minimizing C2 which resulted in a high frequency second
peak far above the 60 kHz peak. I don't recall seeing a poor Q in the
circuit. Q is useful to minimize any nearby interference, but otherwise
my concern is max signal strength to get enough signal to be detected by
the crude FPGA comparator input.


>>> 3. Adjusted C1 and C2 for 60 KHz tuning.
>>> 4. Change frequency axis (.ac) parameters.
>>
>> I like to have a major tick at the frequency I am interested in, 60 kHz
>> in this case.
>
> So, add it. I spent about 15 minutes (mostly tuning L1 and L2) making
> the changes and left out all kinds of goodies that would be nice.
> Title block info, formatting L3/L4 to look like an xformer, etc. I
> also didn't do a sanity check on any of the components. However, in
> this case I can't help. I don't know how to add a frequency marker
> and couldn't find any clues with Google.

You have to add a cursor which reads out in a small window, (and may not
show up in screen captures, can't recall) or you can do a measurement...
which you removed.


>>> 5. I got lazy and didn't add the usual title block stuff.
>>> 6. There are no values for Rs which needs to be considered.
>
>> What is Rs, the loss resistance?
>
> Yes.
>
>> Hmmm, this must have been an older copy,
>
> Yep, it appears to be missing some things.
>
>> I am sure I included that, possibly in one of the coils since that
>> is what it is from. I'm not sure I included radiation resistance as I
>> barely knew what that was. I recall someone said it should be in there
>> and gave me a rough value which was very small. I now understand it
>> better and the calculated number is 2.669E-010 ohms, so obviously it can
>> be totally ignored.
>
> L2 has Rs=7 ohms. L3 has Rs=0.325 ohms. I think both are rather high
> for a 60 KHz loop. The other coils have no value for Rs.

Uh, high or not, that is the circuit I was simulating. 50 feet of RG-6
coax, solid copper inner conductor and a current transformer I don't
have a part number for off the top of my head. I was looking for the
turns ratio to give the optimum output voltage from the current
transformer giving the load circuit. I'm not sure the simulation would
provide that given the strong dependance on Q which can be affected by
many unplanned effects. I have already built a frame for 8 turns of
coax, but am thinking more would be better to increase the voltage and Q.

BTW, it is hard to get much lower on the resistance (skin depth = 0.266
mm) so the Q is about as high as you can get unless you use *much*
bigger wire or tubing or add lots more turns. Since adding turns boosts
the signal strength I think that is better than the more exotic types of
conductors that are required for transmitting loops.

Remember, the absolute resistance isn't important, it's the ratio of
inductive impedance to resistance.


> When I do an antenna, I usually have the design running in 4NEC2,
> which provides me with various parameters including radiation
> resistance, efficiency, etc. I don't know what a sane number would be
> for a 60 KHz loop, but can probably find a WWVB antenna model that
> would give a ballpark value. (However, not now).

Most WWVB antennas are ferrite loops. Good luck.


>> My real circuit had some other components at the output that complicate
>> the real circuit. The "receiver" is an FPGA with a very high input
>> impedance. To bias the input to the threshold of the input there is an
>> output of the quantized value which is filtered by an RC circuit and
>> used to bias the other side of the CT secondary rather than grounding
>> it. I haven't decided on the exact circuit for the digital side.
>
> High impedance means high voltages. If you use a realistic value for
> the input voltage instead of 1, it will show if you're going to
> overload your FPGA A/D converter or whatever you're using for input.

Uh, I seriously doubt I can overload the input with just an antenna no
matter how well it is constructed. Look at the E field for the WWVB
transmitter and you will see it is very marginal receiving it at all on
the east coast.

I just want to fix a couple of typos in the formulas I posted earlier
for my own benefit. These help me see what is going on.

L ∝ r * ln(r) * N²
R ∝ r * N
Q ∝ N * ln(r)
V ∝ r² * N * Q * ln(r)
V ∝ r² * N² * ln(r)
V ∝ (r * N)² * ln(r)
l ∝ r * N
V ∝ l² * ln(r)

V = voltage
l = wire total length
L = inductance
R = resistance
r = radius of loop
N = number of turns
Q = quality factor

--

Rick

Jeff Liebermann

unread,
Nov 5, 2015, 8:27:15 PM11/5/15
to
On Thu, 5 Nov 2015 02:44:24 -0500, rickman <gnu...@gmail.com> wrote:

>How do you control the coupling in the real circuit? I was planning to
>use a current transformer which I assume would be strongly coupled. Of
>course, I was minimizing C2 which resulted in a high frequency second
>peak far above the 60 kHz peak. I don't recall seeing a poor Q in the
>circuit. Q is useful to minimize any nearby interference, but otherwise
>my concern is max signal strength to get enough signal to be detected by
>the crude FPGA comparator input.

The Q is approximately set by the ratio of:
tuning_capacitor / coupling_capacitor
However, that doesn't work with inductive coupling where the Q is
controlled by the inductors individual Q. I guess Q is the wrong
term. When you critically couple a collection of LC circuits, as in a
multi-section bandpass filter, the curve goes directly through the 3dB
bandwidth points, no matter how many stages are coupled. In other
words, the Q is set by the Q of one section.
What does change is the filter shape factor, which is the ratio of:
30_dB_bandwidth / 3_dB_bandwidth
or ocassionally:
6_dB_bandwidth / 6_db_bandwidth
depending on which reference book you're following. The first is more
common. Adding additional criticially coupled filter stages doesn't
change the Q, but really changes the shape factor. I can fire up a
filter design program to illustrate how it works, but not now.

I'm also a bit worried about the way you're feeding your FPGA directly
from mag loop. The problem is that WWVB uses both an amplitude
modulated time code, as well as the new phase modulated time code.
Decoding the former is going to require some AGC (automatic gain
control) to insure that the FPGA A/D converter is not going to get
clipped, go non-linear, or offer too low a signal level to get a
decent SNR. The phase modulated signal doesn't have this problem, but
has patent issues if you're going to try an sell chips or devices.
<https://en.wikipedia.org/wiki/WWVB#Phase_modulation>

Gone for a hot chocolate break...

rickman

unread,
Nov 6, 2015, 12:02:55 PM11/6/15
to
On 11/5/2015 8:27 PM, Jeff Liebermann wrote:
> On Thu, 5 Nov 2015 02:44:24 -0500, rickman <gnu...@gmail.com> wrote:
>
>> How do you control the coupling in the real circuit? I was planning to
>> use a current transformer which I assume would be strongly coupled. Of
>> course, I was minimizing C2 which resulted in a high frequency second
>> peak far above the 60 kHz peak. I don't recall seeing a poor Q in the
>> circuit. Q is useful to minimize any nearby interference, but otherwise
>> my concern is max signal strength to get enough signal to be detected by
>> the crude FPGA comparator input.
>
> The Q is approximately set by the ratio of:
> tuning_capacitor / coupling_capacitor

Not sure where you get this. Q is a measure of the energy stored
compared to the energy lost. If the coupling capacitor were the only
path of lost energy that might work, but I've yet seen a situation where
that is the case.


> However, that doesn't work with inductive coupling where the Q is
> controlled by the inductors individual Q. I guess Q is the wrong
> term. When you critically couple a collection of LC circuits, as in a
> multi-section bandpass filter, the curve goes directly through the 3dB
> bandwidth points, no matter how many stages are coupled. In other
> words, the Q is set by the Q of one section.
> What does change is the filter shape factor, which is the ratio of:
> 30_dB_bandwidth / 3_dB_bandwidth
> or ocassionally:
> 6_dB_bandwidth / 6_db_bandwidth
????
> depending on which reference book you're following. The first is more
> common. Adding additional criticially coupled filter stages doesn't
> change the Q, but really changes the shape factor. I can fire up a
> filter design program to illustrate how it works, but not now.

You are assuming the two filters are coupled in a useful way. If the
frequency of the parasitic filter is far above 60 kHz it can be ignored
other than the possibility that it picks up a radio station which
clobbers the WWVB signal.


> I'm also a bit worried about the way you're feeding your FPGA directly
> from mag loop. The problem is that WWVB uses both an amplitude
> modulated time code, as well as the new phase modulated time code.
> Decoding the former is going to require some AGC (automatic gain
> control) to insure that the FPGA A/D converter is not going to get
> clipped, go non-linear, or offer too low a signal level to get a
> decent SNR. The phase modulated signal doesn't have this problem, but
> has patent issues if you're going to try an sell chips or devices.
> <https://en.wikipedia.org/wiki/WWVB#Phase_modulation>

I didn't see anything about patents.

You worry far too much about "overloading" the FPGA input (single
comparator). My concern is being able to detect a signal at all.


> Gone for a hot chocolate break...
>


--

Rick
0 new messages