Beginner friendly VFD PSU circuit

1,149 views
Skip to first unread message

Dylan Distasio

unread,
Dec 18, 2011, 4:10:28 PM12/18/11
to neoni...@googlegroups.com
Hi all-
 
I have been doing some reading up on boost converters and VFD power supplies, but as a beginner who has yet to build a VFD clock from scratch, I wanted to reach out to the more experienced members on this list to see if there was a through hole / beginner friendly VFD PSU circuit that anyone could recommend.  I have built an Ice clock from kit in the past, and reviewed the design behind it, so I have a little experience with the basics.  I would prefer to start with a circuit that doesn't involve a microcontroller like a PIC or Atmel driving the PSU.
 
I am interested in building a IV-11 clock from scratch, and have Maxim 1771s, inductors around 1000 uH, and IRFD220s on hand but am open to ordering whatever parts I need.  I'm most interested in solutions for generating the grid voltage, but ideally am looking for a nice circuit for both grid and filament.  I've also seen MC34063s mentioned as a solution for the anode voltage.
 
Any help would be appreciated.  I was hoping someone might have a favorite circuit they are willing to share.
 
Best,
Dylan

threeneurons

unread,
Dec 18, 2011, 4:55:56 PM12/18/11
to neonixie-l
> I am interested in building a IV-11 clock from scratch, and have Maxim
> 1771s, inductors around 1000 uH, and IRFD220s on hand ...
>
>
> Best,
> Dylan

Since you already have the MAX1771, I wouldn't go to another chip
(like a MC34063 or 555). That's like trading in your Porsche for a
Ford Escort. The 1000uH coil is too much inductance. Try a 100uH. The
1771 will find the best frequency with either, but the 1000uH will
probably be audible. Plus what's the current rating on that coil ? You
want something around an amp, at least. The only real downside of the
1771 is that you have to carefully arrange (physically layout) the
parts. It usually doesn't lend it self to well on perfboard. A PCB is
almost a requirement. I've done it on perfboard, but it was a
copperclad perfboard. That require you to take out an Xacto knife and
cut away copper where you don't want it. I'm crazy, and most of the
nerve endings in my fingers have been cut, due jamming to many sharp
objects into them. I hate it when blood shorts out traces !

Dylan Distasio

unread,
Dec 18, 2011, 5:06:00 PM12/18/11
to neoni...@googlegroups.com
Thanks for the feedback.  I'm not really ready to do PCBs yet from scratch, do you have any recommendations besides the MAX1771 if it's not well suited for perfboard.  I'll look into coils with less inductance also.


--
You received this message because you are subscribed to the Google Groups "neonixie-l" group.
To post to this group, send an email to neoni...@googlegroups.com.
To unsubscribe from this group, send email to neonixie-l+...@googlegroups.com.
For more options, visit this group at http://groups.google.com/group/neonixie-l?hl=en-GB.


threeneurons

unread,
Dec 18, 2011, 6:18:51 PM12/18/11
to neonixie-l
> On Dec 18, 2:06 pm, Dylan Distasio <interz...@gmail.com> wrote:
> Thanks for the feedback.  I'm not really ready to do PCBs yet from scratch,
> do you have any recommendations besides the MAX1771 if it's not well suited
> for perfboard.  I'll look into coils with less inductance also.
>

Are intending to drive them "direct drive" (static), or multiplexed ?
If static, that'll be 25V at ~120mA. Multiplexed, 50V at only ~30mA.

If its static, and you're only looking at 25V, then you really don't
need a switcher. Use a 12VAC wallcube, and just add a simple voltage
doubler. You can make that either a +28V doubler, or a -28V doubler.

For multiplexed operation, 50V@30mA isn't too taxing for either a 555
switcher, or MC34063 switcher. That's only 1.5W of output power. Even
a crappy 555 supply can output 4W. Of course, a MAX1771 can do 20W,
and a MC34063 close to 8W.

John Rehwinkel

unread,
Dec 18, 2011, 8:46:01 PM12/18/11
to neoni...@googlegroups.com
> I am interested in building a IV-11 clock from scratch, and have Maxim 1771s, inductors around 1000 uH, and IRFD220s on hand but am open to ordering whatever parts I need. I'm most interested in solutions for generating the grid voltage, but ideally am looking for a nice circuit for both grid and filament.

An approach other than an inductor based one is a driver and a voltage multiplier. This was one of the example uses for the LM9022 (click on the data sheet link for more details):

http://www.national.com/opf/LM/LM9022.html#Overview

Alas, the LM9022 is obsolete, but our own Konstantin has found a possible replacement in the MAX628, now known as the TSC428, a chip designed for FET gate drive, but basically two power amplifiers in an 8-pin DIP. You need an external clock (unlike the LM9022), but pretty much any oscillator circuit will do, a 555, a couple of transistors, or a logic chip rigged as an oscillator. It could also be driven with a microcontroller pin, but that's not the approach you're interested in.

This lashup appeals to me - it gives real AC filament drive and grid/anode supply with one chip, doesn't require magnetics, or high speed diodes (1N914s will work fine) and is fairly insensitive to layout - you can construct it on a solderless breadboard and it will work.

Alternatively, you could lash up a cheap and common (you can get one at Radio Shack if you're in the states) LM386 as a power oscillator (circuit is in the data sheet) and use that and a voltage multiplier for the anode/grid supply. It's less help with the filament supply, but a single 8-pin DIP is an appealing solution.

- John

Grahame Marsh

unread,
Dec 19, 2011, 4:43:33 AM12/19/11
to neoni...@googlegroups.com

I am interested in building a IV-11 clock from scratch, and have Maxim 1771s, inductors around 1000 uH, and IRFD220s on hand but am open to ordering whatever parts I need. I'm most interested in solutions for generating the grid voltage, but ideally am looking for a nice circuit for both grid and filament.

>
But it is true that you and drive the filament with DC but you get a
brightness gradient across tubes in series or long multisegment VFDs?
I've never seen how severe the gradient is. The anode/grid voltage can
be generated with a simple power supply by selecting the transformer
voltage correctly.

Grahame


MrNixie (UK)

unread,
Dec 19, 2011, 7:03:00 AM12/19/11
to neonixie-l
Dylan, First off, treat the power circuits for the "HT" and heaters
separately. otherwise any circuit that you might come up with is going
to be a compromise, and loading on one voltage rail is going to effect
the other. One problem at a time is best!

Each IV 11 tube has a 1.5V(100ma) heater. So there is your first
challenge - how to drive those? Put all the filaments in parallel and
then design a 1.5V 600mA power supply? Don't think so! Put them all
in series, so now you have to feed your tubes with a 9V 100mA supply?
That starts to sound more likely. But now each tube is "sitting on" a
different heater voltage, so tubes at one end of your array are going
to see a different voltage step of from their heaters to the HT. This
then causes those tubes at the "high" end of your heater chain to glow
less brightly. This is noticeable on multidigit arrays like the IV18
(8 digit mux tube) for example. You might get away with it where
you've got shorter strings of heaters in series - how about two
strings of three heaters each, driven via a diode dropper (0.6V) from
a handy 5V supply? That might work well.

This brightness gradient across an array is also exasperated when the
tubes are directly driven, since the HT voltage is lower, when
compared to the total voltage across your heater chain.

Another way around any brightness gradient is to drive the heaters via
AC. if you don't already have it from your power supply, you have to
make it! And that's what the MAX 628 is all about - you use it a bit
like a four diode bridge rectifier in reverse - DC in, AC out (with a
square wave control signal, of course). That was, over the AC cycle,
each tube "sees" the same average HT voltage.

There are lots of small SMPS designs out there, either using 555's or
something a little more esoteric. Personally, I favour the UC3483
switcher. I've used it for years, and it's bullet-proof. But pick one
that you've worked with before, and try that. And Yes, 1000uH is going
to be WAY too big - come down to something nearer 100uH, that can
handle about 1A peak. your choice of FET looks fine.


Have a look at other designs out there, and experiment!


WARNING! Want to know the QUICKEST way to fry a VFD? Put 5V DC across
the 1.5V heater... marvel at the LIGHT BULB you have just discovered
(briefly), before the filament POPS. Conversely, it is hard to blow up
a VFD with too much HT voltage (within reason!) at least for short
periods of time. DOUBLE CHECK your heater circuits to make sure they
cannot over-volt, or I will be back to say "I told you so..."

Laurence
www.MrNixie.com


On Dec 19, 9:43 am, Grahame Marsh <grahame.ma...@googlemail.com>
wrote:

Adam Jacobs

unread,
Dec 19, 2011, 2:14:46 PM12/19/11
to neoni...@googlegroups.com
An AC filament supply is usually preferable, especially in long tubes
meant to be multiplexed. If you use a DC filament supply in tubes like
these, you'll find that one side is brighter than the other. The same
thing happens with strings of smaller tubes that are run in series (one
side of the tube string is brighter than the other side). However, if
you are using single tubes and supply their filaments in parallel, you
won't see much of a brightness gradient from DC.
Theoretically, running the filaments in DC will shorten the lifespan of
the tube.

So, as with any design, take it apart and decide what works best for
you. If you're familiar with linear AC power supplies, it might make the
most sense to run the filaments in series off of a transformer. This
might make particular sense if you are planning to run the VFD's
"direct", because you can use a small transformer and a voltage doubler
for your HT as well.
You can also use various power amplifier circuits to generate an AC
filament supply from DC.

The technique that I used on my multiplexed VFD clock (which uses
individual tubes) was one that I learned on this list. Simply build a
beefy 5vdc supply (you'll want it to be a bucking switching supply).
Power each tube's filament in parallel from the 5v supply, in series
with a voltage dropping resistor. Since the filament will draw a fixed
amount of current, one can easily calculate the value of the resistor
needed to lower the 5v supply to the supply voltage appropriate for the
filament. This has the disadvantage of wasting a lot of power in the
resistor, however. Make sure that the power dissipation rating for the
resistors used is sufficient!
The advantage to this technique is that it is simple. The filaments are
biased ~3vdc in relation to the board's "ground", so simply grounding
the grid on a VFD will work very well to turn it off. The grid will then
be -3v in relation to the tube.

For the HT supply, I used the same MC34063 supply that I use for nixie
clocks. Instead of a voltage divider on the feedback line that is
calculated for 180vdc, I used one calculated for ~50vdc.

You'll need to figure out a technique for sourcing your HT voltage to
drive the VFD's. I liked the MAX6921 because it was free (sampled) and
available in a PLCC package. I do all of my building on protoboard, so
the cheap availability of DIP PLCC sockets was a primary decision maker
in my choice of driver IC.

-Adam

John Rehwinkel

unread,
Dec 19, 2011, 2:37:03 PM12/19/11
to neoni...@googlegroups.com
> Power each tube's filament in parallel from the 5v supply, in series with a voltage dropping resistor. Since the filament will draw a fixed amount of current, one can easily calculate the value of the resistor needed to lower the 5v supply to the supply voltage appropriate for the filament. This has the disadvantage of wasting a lot of power in the resistor, however.

It also has the advantage to soft-starting the filaments - cold filaments have low resistance and draw heavier current until
they warm up. The series resistors limit this current surge.

- John


Adam Jacobs

unread,
Dec 19, 2011, 2:48:52 PM12/19/11
to neoni...@googlegroups.com
A good point and one that I hadn't considered. It dawns on me that the
old single PA tube transceivers were protected in this way (like the
Swan Cygnet transceivers), whereas the dual PA tube transceivers were
not. When I rewired my Swan 500c from the old two 6LQ6's in series
configuration to running 31LQ6's in parallel, maybe I should have added
current limiting resistors in there. Although I suppose that the
majority of the damage to my sweep tube PA's is not likely to be coming
from cold-starting the filaments.

-Adam AJ9D

fixitsan

unread,
Dec 20, 2011, 4:34:54 AM12/20/11
to neonixie-l

On Dec 19, 7:37 pm, John Rehwinkel <jreh...@mac.com> wrote:
> > Power each tube's filament in parallel from the 5v supply, in series with a voltage dropping resistor.

> It also has the advantage to soft-starting the filaments - cold filaments have low resistance and draw heavier current until
> they warm up.  The series resistors limit this current surge.
>
> - John

This is how I do it for the IV-17 explorer kits I sell.
I have tubes which have run for a couple of years now without any
problem. in the muxh there is no visible signs of any gradient and
even when the tubes are not muxed it is still true. the filament
begins in the lower left of the tube, rises, folds over at the top of
the tube and comes down to the pins again on the right side. Any
gradient should be seen as a different in brightness of the left and
right sides at the tube's base.
I suspect that because of the close proximity of segments at the base
to both sides of the heater (the higher voltage end on the right and
the lower voltage end on the left) some sort of smoothing also takes
place to even out the difference.

Shorting out a resistor (in my case 1/2W 1210 SMD parts) would case
the tube filament to receive too much voltage. I think I will add a
note in my instructions so that builders protect those components
well, if not with a case then a protective coating of some sort.

Perhaps in the next revision i'll think about putting those resistors
on the underside to really protect them well

Chris
http://groups.yahoo.com/group/smartsockets/

Dylan Distasio

unread,
Dec 31, 2011, 1:58:40 AM12/31/11
to neoni...@googlegroups.com
I just wanted to thank everyone for the helpful comments on this thread, and provide a brief update.   Although I still have a ways to go in terms of solidifying my VFD PSU plans, I had an exciting night in VFD land.  I built a simple voltage multiplier as suggested out of two diodes and two capacitors and plugged in a 12VAC as input.  I got out around 36 volts DC based on the caps I used (I am assuming that is the reason it was not closer to 24volts.  I didn't know any values offhand to use, so I tried 1uF caps I had lying around that were good for 50V.

Since I was just breadboarding 1 IV-11, I decided on a very quick and dirty 1.5V battery hooked up to the cathodes.  I was very excited to see a number 8 and a decimal light up after giving power to all the anodes! 

It's a babystep, I know, but it was an important move forward in my VFD explorations.  Happy New Year to all!

John Rehwinkel

unread,
Dec 31, 2011, 8:02:36 AM12/31/11
to neoni...@googlegroups.com
> I built a simple voltage multiplier as suggested out of two diodes and two capacitors and plugged in a 12VAC as input. I got out around 36 volts DC based on the caps I used (I am assuming that is the reason it was not closer to 24volts.

It's not your cap choice, it's how these doublers and multipliers work. With little or no load, they charge to the peak
input voltage. Since AC varies, spending part of its time at low voltages, to deliver the same power* as a DC voltage,
it also has to spend part of its time at higher than the equivalent DC voltage. So 12VAC is generally really 12VAC RMS, delivered as a sine wave. The peak voltage of a sine wave is 1.41 (the square root of 2) times the RMS voltage, or
about 17 volts. The peak to peak (negative peak to positive peak) is twice this, or about 34 volts - which is what you'd
expect from a doubler supply like yours.

I hope I've shed more light than confusion on the issue!

- John

* into a resistive load - it gets more fun when reactance comes into play

Adam Jacobs

unread,
Dec 31, 2011, 2:24:54 PM12/31/11
to neoni...@googlegroups.com
I knew that no ham could resist bringing up the subject of a reactive load..

-Adam AJ9D

Dylan Distasio

unread,
Jan 14, 2012, 12:47:49 AM1/14/12
to neoni...@googlegroups.com
Hi all-

Just wanted to revisit this thread to provide an update on my learning process and ask for some additional advice... I was in Radioshack to grab a one off part I needed for something else, and on a whim decided to look at their transformers.  I noticed they had one that does 25.2VAC out at 450mA.  I ended up grabbing it and have finally gotten around to trying it out.  I have not done any experimentation with transfomers at all yet, so I thought this would be a good opportunity. 

Although I will probably not go with this approach as I start to design and build my own clocks due to the bulk and impracticality of using it in a small space, I figured this might work for my first VFD clock built on perfboard.  I have successfully hooked light up one IV-11 with it, combined with a 1.5v DC battery on the filaments.

I have a few questions...First, is there anything I should be worried about or need to think about when going the transformer route (other than doing something stupid and touching the mains side)?  Second, does anyone have any recommendations on stepping down the voltage for the filaments without another transformer?  I know another poster suggested not using the same power line for everything, but if I can figure out a compromise that I can live with for this particular experiment, I am open to it.  I would like to keep AC power going to the filaments; that's the reason I don't want to use a separate filament supply in this case.

As always, thanks to all for your help.  I'm learning a great deal from this crowd, and am excited to put a prototype VFD clock together even if it is going to be ugly!  

As an aside, I'm very excited to build my dekatron spinner kit!  I'm anxiously awaiting my OG-4s I have on order so I can put this baby together.  It will be my first dekatron project.

John Rehwinkel

unread,
Jan 14, 2012, 11:53:22 AM1/14/12
to neoni...@googlegroups.com
> Just wanted to revisit this thread to provide an update on my learning process and ask for some additional advice... I was in Radioshack to grab a one off part I needed for something else, and on a whim decided to look at their transformers. I noticed they had one that does 25.2VAC out at 450mA. I ended up grabbing it and have finally gotten around to trying it out. I have not done any experimentation with transfomers at all yet, so I thought this would be a good opportunity.
>
> Although I will probably not go with this approach as I start to design and build my own clocks due to the bulk and impracticality of using it in a small space, I figured this might work for my first VFD clock built on perfboard.

That's a good way to learn about things.

> I have a few questions...First, is there anything I should be worried about or need to think about when going the transformer route (other than doing something stupid and touching the mains side)?

Not particularly. Transformers bring a nice degree of safety. Even if you manage to short-circuit it, it won't burn up immediately or anything like that.

> Second, does anyone have any recommendations on stepping down the voltage for the filaments without another transformer?

Normally I step down filament voltage with resistors, which gives the advantage of a soft start. However, if you're using the same transformer for your anode/grid supply, that trick doesn't work as well, since you have the same ground reference for two different things.

One way is to use capacitors instead of resistors, which will pass the AC (which you want) but not the DC (which you want separate for your anode/grid supply). You'd just need to compute the capacitive reactance you need to drop enough voltage at the appropriate current.

> As an aside, I'm very excited to build my dekatron spinner kit! I'm anxiously awaiting my OG-4s I have on order so I can put this baby together. It will be my first dekatron project.

You've got the right attitude - try stuff, and have fun with it!

- John

Dylan Distasio

unread,
Jan 14, 2012, 4:22:12 PM1/14/12
to neoni...@googlegroups.com
Thanks, John.  A few follow up questions...Is AC voltage harmful to the grid/anodes?  I have rectifiers handy and will convert it to DC, but was just curious about the implications of AC in this set up.  I have only really done DC stuff for the most part, so AC is a new chapter in my learning.  

I am also pretty unfamiliar with capacitive reactance but did some googling after your reply.  I will do some continued follow up, but if you have a second to look at this attachment, is the idea here the same concept as the section related to the capacitive transformerless PS?  http://www.electro-tech-online.com/custompdfs/2004/09/00954A.pdf   I realize I am using a transformer, but I figured the step down concept was the same.

Best,
Dylan

John Rehwinkel

unread,
Jan 15, 2012, 1:33:41 PM1/15/12
to neoni...@googlegroups.com
> Thanks, John. A few follow up questions...Is AC voltage harmful to the grid/anodes? I have rectifiers handy and will convert it to DC, but was just curious about the implications of AC in this set up. I have only really done DC stuff for the most part, so AC is a new chapter in my learning.

No, AC won't hurt them - like other triodes, a VFD will only conduct if the anode is positive relative to the filament.

However, we usually use DC supplies for the grids and anodes because it's simpler not to have to deal with transistors conducting in unexpected directions and the like.

> I am also pretty unfamiliar with capacitive reactance but did some googling after your reply. I will do some continued follow up, but if you have a second to look at this attachment, is the idea here the same concept as the section related to the capacitive transformerless PS? http://www.electro-tech-online.com/custompdfs/2004/09/00954A.pdf I realize I am using a transformer, but I figured the step down concept was the same.

Yeah, it's essentially the same idea. Luckily, for VFD filament supply, you have a constant load and don't need regulator circuitry, just a fixed drop.

Let's assume we have a 24V transformer, and a VFD that has a filament that takes 1.5 volts at 150mA. What size capacitor would we need? The first step is to figure out what value to use if it was a resistance. It would need to drop 22.5 volts (24 - 1.5) at 150mA. Ohm's law says R=E/I. Note that I do all my calculations in basic units (volts, amps, ohms, farads) and apply milli- and kilo- and so forth later. So 150mA is 0.15A. Back to R=E/I, that's 22.5 volts divided by 0.15 amperes, for 150 ohms. Now to calculate a capacitor that would have 150 ohms of reactance. The formula for capacitive reactance is X = 1/(2 pi f C). Rearranging to solve for C, I get C = 1 ( 2 pi f X). As I live in the United States, f is 60. So I need 1 / (2 x 3.14 x 60 x 150) or 0.000 017 7 farads, which is 17.7 microfarads.

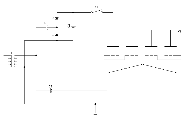
My original idea was to make a symmetrical circuit, with the filament completely DC isolated from the transformer:

http://www.vitriol.com/images/tech/vfdps1.gif

I've deliberately ignored most of the details of the VFD drive, as this is just a power supply illustration.

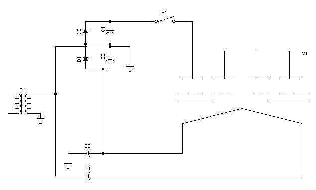
Note that in this case, two capacitors are used, effectively in series, so they would each need to be half the reactance, which is twice the capacitance, or about 35 microfarads apiece. Then I realized I didn't really need to isolate the filament, I could just decide that one side of the transformer winding is "ground", and reference my grid/anode supply to that:

http://www.vitriol.com/images/tech/vfdps2.gif

This uses one 18 microfarad capacitor instead of two 35 microfarad ones, which is nice. I used a different version of the voltage doubler for the anode/grid supply too, but this seems like it ought to work.

Note that you'd probably want a third supply to power the logic, there are a few different ways to address that (more if your transformer offers a center tap).

- John

Dylan Distasio

unread,
Jan 16, 2012, 4:24:30 PM1/16/12
to neoni...@googlegroups.com
As I continue to study this stuff, I have more questions...Thanks to all for your patience and generosity in answering them...

In terms of the capacitors, is there a type you recommend if I am going to go the capacitive reactance route to step down the AC?  Besides using a non-polarized one, is there any material that is preferable to others?  If so, any particular recommendations from online sources?

I also wanted to revisit the use of the MAX628 to get AC from DC for the filaments that was offered as a suggestion earlier in this thread.  I know I originally asked for a non microcontroller based approach, but I am open to that or the use of a 555 or a PIC/ATMega.  

I looked over the Kosbo circuit diagram and the datasheet.  I gather I feed a square wave into pins 2&4 of the MAX628 and connect 5&7 to the filament?  This is all still pretty new to me, and although I know what a square wave is, especially after playing around with CMOS and 555 based noisemakers, could someone spell out in detail how I would use the MAX628 with let's say a 5V DC input and either a PIC/Arduino or 555 to get AC out?

Best,
Dylan 

> I am also pretty unfamiliar with capacitive reactance but did some googling after your reply.  I will do some continued follow up, but if you have a second to look at this attachment, is the idea here the same concept as the section related to the capacitive transformerless PS?  http://www.electro-tech-online.com/custompdfs/2004/09/00954A.pdf   I realize I am using a transformer, but I figured the step down concept was the same.

Yeah, it's essentially the same idea.  Luckily, for VFD filament supply, you have a constant load and don't need regulator circuitry, just a fixed drop.

Let's assume we have a 24V transformer, and a VFD that has a filament that takes 1.5 volts at 150mA.  What size capacitor would we need?  The first step is to figure out what value to use if it was a resistance.  It would need to drop 22.5 volts (24 - 1.5) at 150mA.  Ohm's law says R=E/I.  Note that I do all my calculations in basic units (volts, amps, ohms, farads) and apply milli- and kilo- and so forth later.  So 150mA is 0.15A.  Back to R=E/I, that's 22.5 volts divided by 0.15 amperes, for 150 ohms.  Now to calculate a capacitor that would have 150 ohms of reactance.  The formula for capacitive reactance is X = 1/(2 pi f C).  Rearranging to solve for C, I get C = 1 ( 2 pi f X).  As I live in the United States, f is 60.  So I need 1 / (2 x 3.14 x 60 x 150) or 0.000 017 7 farads, which is 17.7 microfarads.

My original idea was to make a symmetrical circuit, with the filament completely DC isolated from the transformer:

http://www.vitriol.com/images/tech/vfdps1.gif

I've deliberately ignored most of the details of the VFD drive, as this is just a power supply illustration.

Note that in this case, two capacitors are used, effectively in series, so they would each need to be half the reactance, which is twice the capacitance, or about 35 microfarads apiece.  Then I realized I didn't really need to isolate the filament, I could just decide that one side of the transformer winding is "ground", and reference my grid/anode supply to that:

http://www.vitriol.com/images/tech/vfdps2.gif

This uses one 18 microfarad capacitor instead of two 35 microfarad ones, which is nice.  I used a different version of the voltage doubler for the anode/grid supply too, but this seems like it ought to work.

Note that you'd probably want a third supply to power the logic, there are a few different ways to address that (more if your transformer offers a center tap).

- John

John Rehwinkel

unread,
Jan 16, 2012, 5:18:09 PM1/16/12
to neoni...@googlegroups.com
> In terms of the capacitors, is there a type you recommend if I am going to go the capacitive reactance route to step down the AC? Besides using a non-polarized one, is there any material that is preferable to others? If so, any particular recommendations from online sources?

Since you'll probably be looking for more than ten microfarads, your best bet is aluminum electrolytic capacitors. These are made in non polarized versions, which is what you want. You'll want a voltage rating at least as much as the peak voltage from your transformer. A 24VAC transformer would give 33.6 volts peak*, so a 35 volt capacitor would just barely
be adequate - I'd use a 50 or 63 volt unit. They're available from lots of vendors, such as Mouser and Digikey in the United States.

> I looked over the Kosbo circuit diagram and the datasheet. I gather I feed a square wave into pins 2&4 of the MAX628 and connect 5&7 to the filament?

Right. The MAX628 contains two buffers, one inverting and one non-inverting. So if you feed the same square wave to both inputs (pins 2 and 4), you'll get opposite-phase square waves out of the two outputs (pins 5 and 7). That way, one end of the filament will be at the supply voltage while the other is at ground, then they'll swap, so on average the filament won't see a voltage gradient. With this lashup, you don't need the capacitors, but you may need a resistor if your supply voltage is greater than the filament voltage (this is common). Even better, the filament will have an average voltage of half the supply voltage, so if you turn off anodes and grids by pulling them to ground, they'll be negative with respect to the filament, which will give a good solid turn-off.

If you pull up the data sheet for the LM9022 VFD filament driver chip, there's a nice circuit diagram and description of how this works.

http://www.ti.com/lit/ds/symlink/lm9022.pdf

We'd just use the LM9022, but it is no longer made, which is why the Kosbo circuit creatively uses what is intended to be a MOSFET driver chip to do essentially the same thing. Notice also that the LM9022 data sheet shows how to make the filament driver do double duty by adding a voltage multiplier to also provide the anode/grid voltage - nifty! I am planning on trying this with the MAX628, but haven't gotten around to it yet.

> This is all still pretty new to me, and although I know what a square wave is, especially after playing around with CMOS and 555 based noisemakers, could someone spell out in detail how I would use the MAX628 with let's say a 5V DC input and either a PIC/Arduino or 555 to get AC out?

Note, if you try this with a PIC, AVR, or Arduino, it's easiest to just use a PWM command to get a signal out, instead of doing it programatically by setting an output high and low over and over (that works too, but it's unnecessarily complicated).

* An aside about AC voltages - the voltage out of a 24VAC transformer is about 67 volts peak to peak, which can surprise folks who aren't aware of it. It's easy to whomp up a power supply with a couple of diodes and capacitors and come up with enough voltage to mildly overstress a 63V capacitor with a transformer delivering "only" 24VAC. If a transformer is lightly loaded, it can deliver more than its rated voltage, so you can easily come up with 80 volts.

- John

Dylan Distasio

unread,
Jan 18, 2012, 6:54:46 PM1/18/12
to neoni...@googlegroups.com
I'm still experimenting with different techniques, but wanted to post an update.  I picked up a 6volt transformer just to play with.  I may not use it in an actual clock circuit, but I hooked up 3 IV-11 filaments in series and dropped a diode into the start of the circuit.  I powered the grid/anodes off my 26VAC transformer.  It worked like a charm and I got all three VFDs lit! I had the misfortune of reaching over a filament on the breadboard to get to an anode when checking voltage with my multimeter and instantly blew out one side of the filament when 28+volts got applied to it, so I've destroyed my first VFD tube ;).  The two transformer solution is not ideal in practice for a clock, but at least I'm able to get these babies lit easily on a breadboard.  I wish I had gotten into this hobby when LM9022s were still around!

I'll continue to provide updates on my modest experiments for those interested.  I can't express how pleasing it is to simply get three of these tubes to light up on a breadboard!  Simple pleasures for simple minds.

I also have a question that is going to reflect my lack of knowledge with actual electronics circuits.  I had to connect the last of my filaments (what I will call ground) to one of the leads from the second transformer (25VAC secondary - the line on this transformer not going to the anodes/grid) to close the circuit and get things to light up.  If I wanted to keep the two power sources separate when I actually design my clock (i.e. 25V-60VDC to the grid/anodes) and 1.5VAC to each filament, how would I close the loop on the DC side?  Can I keep the power circuits separate with one for the filaments and one for the grid/anodes somehow or do I have to close the loop so that both of them are together.   Hopefully my question makes sense.

Thanks,
Dylan


- John

John Rehwinkel

unread,
Jan 20, 2012, 2:55:44 PM1/20/12
to neoni...@googlegroups.com
> I'm still experimenting with different techniques, but wanted to post an update. I picked up a 6volt transformer just to play with. I may not use it in an actual clock circuit, but I hooked up 3 IV-11 filaments in series and dropped a diode into the start of the circuit. I powered the grid/anodes off my 26VAC transformer. It worked like a charm and I got all three VFDs lit!

Yup, that's some gratifying progress!

> The two transformer solution is not ideal in practice for a clock, but at least I'm able to get these babies lit easily on a breadboard.

It's a good way to learn the concepts.

> I wish I had gotten into this hobby when LM9022s were still around!

There are several similar chips available. Mike Moorrees has a similar lashup too, using LM1877s:

https://skydrive.live.com/?cid=F9DB37B8211CE831&id=F9DB37B8211CE831%211410#cid=F9DB37B8211CE831&id=F9DB37B8211CE831%211914

https://skydrive.live.com/?cid=F9DB37B8211CE831&id=F9DB37B8211CE831%211410#cid=F9DB37B8211CE831&id=F9DB37B8211CE831%211915


> I'll continue to provide updates on my modest experiments for those interested. I can't express how pleasing it is to simply get three of these tubes to light up on a breadboard! Simple pleasures for simple minds.

We're all like that - there's nothing as fulfilling as having your own circuit actually work:

http://www.vitriol.com/images/tech/vfd.jpeg

> I also have a question that is going to reflect my lack of knowledge with actual electronics circuits. I had to connect the last of my filaments (what I will call ground) to one of the leads from the second transformer (25VAC secondary - the line on this transformer not going to the anodes/grid) to close the circuit and get things to light up. If I wanted to keep the two power sources separate when I actually design my clock (i.e. 25V-60VDC to the grid/anodes) and 1.5VAC to each filament, how would I close the loop on the DC side? Can I keep the power circuits separate with one for the filaments and one for the grid/anodes somehow or do I have to close the loop so that both of them are together. Hopefully my question makes sense.

Yes, you do have close the loop. The voltages on the grids and anodes are referenced to the voltage on the filament, so the anode supply has to be connected to the filament.

In the diagram where I isolated the filament, I had to add a connection to the anode supply to get it to work:

http://www.vitriol.com/images/tech/vfdps1.gif

The connection is the one with the ground symbol hanging off of it. When I realized that is when I also realized that all the trouble I'd gone to, to isolate the filament supply, was unnecessary!

Then I went and rearranged things to take advantage of this realization to simplify the circuit:

http://www.vitriol.com/images/tech/vfdps2.gif

So thank you for asking questions that caused me to learn something!

- John

John Rehwinkel

unread,
Jan 20, 2012, 3:29:23 PM1/20/12
to neoni...@googlegroups.com
[replying to myself, as I realized I had made a mistake]
vfdps1.gif
vfdps2.gif

fixitsan

unread,
Jan 21, 2012, 6:01:33 AM1/21/12
to neonixie-l

I've been planning on doing something about losing the energy
absorbing resistors I presently use to hold the filament voltage at
2.45V on the IV-17 Smartsocket

Here's an idea which might be of interest. Putting two filaments in
series produces a requirement for 4.9V. I have a 5v supply and if i
apply that to the filaments i am in the ballpark. Except, there is
quite a large gradient across 2 tubes.

Apologies if this has already been suggested, but I can't see much of
a problem with connecting the 2 series filaments to the output of an H-
bridge being switched in both directions at a few hundred Hertz.
Although I can use a microcontroller output to drive the H-bridge, any
switching signal could be used. No need for AC or a transformer like
this.

Chris

John Rehwinkel

unread,
Jan 21, 2012, 11:24:42 AM1/21/12
to neoni...@googlegroups.com
> Apologies if this has already been suggested, but I can't see much of
> a problem with connecting the 2 series filaments to the output of an H-
> bridge being switched in both directions at a few hundred Hertz.
> Although I can use a microcontroller output to drive the H-bridge, any
> switching signal could be used. No need for AC or a transformer like
> this.

Yeah, this is one of the standard approaches. The LM9022 chip was made for the purpose, but it's no longer available. Konstantin and Mike Moorrees have designs using various other chips to accomplish it. It works pretty well.

- John

fixitsan

unread,
Jan 21, 2012, 1:50:52 PM1/21/12
to neonixie-l

> Yeah, this is one of the standard approaches.  The LM9022 chip was made for the purpose, but it's no longer available.  Konstantin and Mike Moorrees have designs using various other chips to accomplish it.  It works pretty well.
>
> - John

That's neat.
I was just thinking about some old SCR motor controllers, which used
to use a capacitor to switch off the main SCR, just owndering about
this sort of idea
http://tinyurl.com/86pvqb9

Probably requires a fuse at least.

Joseph Bento

unread,
Jan 21, 2012, 3:48:57 PM1/21/12
to neonixie-l
I just ordered a couple samples of the MAX628 from Maxim. The 628 and
TSC428 are both in current production, but the 628 was available in a
DIP package as a sample, hence my choice. Since my PIC coding skills
are novice at best, I'm planning on trying a 555 oscillator to drive
the 628. Since the the chip is inverting / non-inverting at its
outputs, I'll try tying the input pins together. I want to series
connect 6 IV22 filaments and see how this chip will do at driving
them. The rest of the clock will be TTL based with driver transistors
to supply about 24 volts to the segments and grids.

Joe, N6DGY

Adam Jacobs

unread,
Jan 21, 2012, 4:12:03 PM1/21/12
to neoni...@googlegroups.com
This is how the old AC/DC television & radio sets worked. Originally, tube filament voltages were standardized at 6.3vac. You would see a filament transformer in the set that would run the filaments (in parallel).. later, some bright spark figured out that if you run all of the filaments in series in the entire set (+ a resistor) you can get up to 110vac.
Whenever you see a tube with a 31v or 24v filament voltage, that is what those tubes were designed for. In an ironic twist, hams have learned that the more obscure filament voltage versions of the original parts are oftentimes less rare (less expensive). With the addition of a special filament transformer specific to the particular tube, they can be used as drop-in replacements.

-Adam

Joseph Bento

unread,
Jan 21, 2012, 4:22:11 PM1/21/12
to neonixie-l
Audiophiles are discovering the same thing. Who would have thought
there would ever be a audiophile boutique amp made with a 50L6, for
example?

Joe, N6DGY

fixitsan

unread,
Jan 21, 2012, 4:29:24 PM1/21/12
to neonixie-l


On Jan 21, 6:50 pm, fixitsan <chefin...@gmail.com> wrote:
> > Yeah, this is one of the standard approaches.  The LM9022 chip was made for the purpose, but it's no longer available.  Konstantin and Mike Moorrees have designs using various other chips to accomplish it.  It works pretty well.
>
> > - John
>
> That's neat.
> I was just thinking about some old SCR motor controllers, which used
> to use a capacitor to switch off the main SCR, just owndering about
> this sort of ideahttp://tinyurl.com/86pvqb9
>
> Probably requires a fuse at least.

Don't know why it wouldn't Tiny..
http://f1.grp.yahoofs.com/v1/UCcbT8aqDj-jwP22ddljn4Crlkfwo7hx4zN4nXdTzN4zcIyip80ZjgtYUZ3IUM3ZW0Vc_fjnEW95-EPpo7Uc3A/%2CIV-17%20based%20project/capheater.JPG

fixitsan

unread,
Jan 21, 2012, 5:42:41 PM1/21/12
to neonixie-l


On Jan 21, 9:29 pm, fixitsan <chefin...@gmail.com> wrote:
> On Jan 21, 6:50 pm, fixitsan <chefin...@gmail.com> wrote:
>
> > > Yeah, this is one of the standard approaches.  The LM9022 chip was made for the purpose, but it's no longer available.  Konstantin and Mike Moorrees have designs using various other chips to accomplish it.  It works pretty well.
>
> > > - John


LM9022's still available from RS components
http://uk.rs-online.com/web/p/display-driver/6512515/

fixitsan

unread,
Jan 22, 2012, 4:43:30 AM1/22/12
to neonixie-l


On Jan 21, 9:29 pm, fixitsan <chefin...@gmail.com> wrote:

>
> Don't know why it wouldn't Tiny..http://f1.grp.yahoofs.com/v1/UCcbT8aqDj-jwP22ddljn4Crlkfwo7hx4zN4nXdT...

I got the chance to try this out, crudely, lastnight
http://f1.grp.yahoofs.com/v1/UCcbT8aqDj-jwP22ddljn4Crlkfwo7hx4zN4nXdTzN4zcIyip80ZjgtYUZ3IUM3ZW0Vc_fjnEW95-EPpo7Uc3A/%2CIV-17%20based%20project/capheater.JPG

Instead of the transistors I switched the side of the heater not
connected to the capacitor between 7v and 0V using flyleads and
crocodile clips.
The heater connection spent most of the time unconnected because it
was transiting between connecting with one of the two clips, but even
at a rough 8Hz, switched manually, and 150uF of capacitance, with the
room lights out I could get the 2.45V filament to glow.

By using switching which is almost instantaneous the amount of time
spent in between charge and discharge cycles will be greatly reduced
and result in better control.

The nice thing about the circuit is that if the input pulses stop the
filament will not be overloaded because only one charge cycle's worth
of energy is stored in the cap at any time, not enough to take out a
filament on it's own. A shorted capacitor would be fatal to the
heater, unless the heater circuit can operate at full supply voltage.

With two 2.45V heaters in series a shorted capacitor would not be
fatal, however the RC time constant would double and I wonder if that
would become an issue. If using 4 tubes, two paralleled strings of 2
heaters in series will get the RC time back down though. It's
something I might try to mess around with some more. If the same pulse
train or switching currents could also be used to switch an inductor
in circuit, or pass through diodes and caps as if in a voltage
multiplier, perhaps a complete supply could be constructed this way ?

Chris

John Rehwinkel

unread,
Jan 22, 2012, 10:43:50 AM1/22/12
to neoni...@googlegroups.com
> The nice thing about the circuit is that if the input pulses stop the
> filament will not be overloaded because only one charge cycle's worth
> of energy is stored in the cap at any time, not enough to take out a
> filament on it's own. A shorted capacitor would be fatal to the
> heater, unless the heater circuit can operate at full supply voltage.

There are three ways to guard against that. One is to use two capacitors:

http://www.vitriol.com/images/tech/vfdps1.gif

Then they'd both have to short in order to directly hook the power supply to the filament. If one shorted, your series reactance would be halved. The drawback is it takes two capacitors instead of one, and they're both twice as large.

Another approach is to use a Y rated capacitor, which is designed not to fail to a short circuit.

What I'd do is just add a zener clamp and probably a fuse, limiting the voltage that can be applied to the filament. This can be tricky when driving the filament with narrow, high voltage pulses.

> If the same pulse
> train or switching currents could also be used to switch an inductor
> in circuit, or pass through diodes and caps as if in a voltage
> multiplier, perhaps a complete supply could be constructed this way ?

Quite.

This is illustrated on the LM9022 data sheet:

http://docs-europe.electrocomponents.com/webdocs/08da/0900766b808daabb.pdf

- John

Reply all
Reply to author
Forward
0 new messages