Google Groups no longer supports new Usenet posts or subscriptions. Historical content remains viewable.
Dismiss

Tantal vs Kerko

233 views
Skip to first unread message

Timm Reinisch

unread,
Jul 23, 2012, 7:54:58 AM7/23/12
to
Hallo,

manche Applikations-Beispiele sehen an ICs einen kleinen und einen
groᅵen Kondensator vor. Zum Beispiel 0.1ᅵF fᅵr den kleinen und 2.2ᅵF
oder 4.7ᅵF fᅵr den groᅵen.

Der Klassiker ist ja Tantal fᅵr den groᅵen, nun frage ich mich, ob man
nicht auch Keramik verwenden kᅵnnte und was der Grund fᅵr Tantal ist.

Ich dachte, moderne Tantal-Kondensatoren hᅵtten durchaus auch sehr
niedrige ESR.

Besten Dank

Timm

Dieter Wiedmann

unread,
Jul 23, 2012, 7:59:36 AM7/23/12
to
Am 23.07.2012 13:54, schrieb Timm Reinisch:

> manche Applikations-Beispiele sehen an ICs einen kleinen und einen
> groᅵen Kondensator vor. Zum Beispiel 0.1ᅵF fᅵr den kleinen und 2.2ᅵF
> oder 4.7ᅵF fᅵr den groᅵen.
>
> Der Klassiker ist ja Tantal fᅵr den groᅵen, nun frage ich mich, ob man
> nicht auch Keramik verwenden kᅵnnte und was der Grund fᅵr Tantal ist.

Frᅵher gabs praktisch keine so groᅵen Keramikkondensatoren, bzw die
Baugrᅵᅵe wᅵre einfach nichts gewesen.


> Ich dachte, moderne Tantal-Kondensatoren hᅵtten durchaus auch sehr
> niedrige ESR.

Zweifellos, aber Keramikkondensatoren haben niedrigeren ESR, und sind
meist billiger.

Man muss aber bei Spannungsregler schon aufpassen, immer im Datenblatt
nachsehen was an Kapazitᅵt und ESR erlaubt ist. Sonst hat man schnell
statt eines Reglers einen Oszillator.


Gruᅵ Dieter

Timm Reinisch

unread,
Jul 23, 2012, 8:04:58 AM7/23/12
to
Hallo,

Am 23.07.12 13:59, schrieb Dieter Wiedmann:
> Am 23.07.2012 13:54, schrieb Timm Reinisch:

>> Der Klassiker ist ja Tantal fᅵr den groᅵen, nun frage ich mich, ob man
>> nicht auch Keramik verwenden kᅵnnte und was der Grund fᅵr Tantal ist.
>
> Frᅵher gabs praktisch keine so groᅵen Keramikkondensatoren, bzw die
> Baugrᅵᅵe wᅵre einfach nichts gewesen.

Interpretiere ich das also richtig, wenn nicht das Datenblatt einen Elko
mit hoher ESR vorschreibt, kann ich genauso gut einen Keramikkondensator
mit der gleichen Kapazitᅵt verwenden.

2.2ᅵF oder 4.7ᅵF sind ja (heute) bei Keramikkondensatoren ohne
weiteres verfᅵgbar.

Viele Grᅵᅵe

Timm

Uwe Hercksen

unread,
Jul 23, 2012, 8:53:32 AM7/23/12
to


Timm Reinisch schrieb:

> Interpretiere ich das also richtig, wenn nicht das Datenblatt einen Elko
> mit hoher ESR vorschreibt, kann ich genauso gut einen Keramikkondensator
> mit der gleichen Kapazitᅵt verwenden.
>
> 2.2ᅵF oder 4.7ᅵF sind ja (heute) bei Keramikkondensatoren ohne
> weiteres verfᅵgbar.

Hallo,

und dann kommt der nᅵchste und sieht die Parallelschaltung aus zwei
Keramikkondensatoren mit 4,7 ᅵF und 47 nF und denkt sich: da kann man ja
auch den 47 nF weglassen. Der nᅵchste nimmt dann nur noch den 4,7 ᅵF und
wundert sich warum es nicht funktioniert.
Dann erinnert sich hoffentlich wieder jemand daran das ein realer
Kondensator eine Reihenschaltung aus einem idealen Kondensator und einer
Spule ist und das bei genᅵgend hoher Frequenz der Kondensator nur noch
als Induktivitᅵt wirkt und so der 4,7 ᅵF Kondensator bei hᅵheren
Frequenzen den 47 nF nicht ersetzen kann.

Bye

Michael Baeuerle

unread,
Jul 23, 2012, 9:00:07 AM7/23/12
to
Timm Reinisch wrote:
>
> Interpretiere ich das also richtig, wenn nicht das Datenblatt einen Elko
> mit hoher ESR vorschreibt, kann ich genauso gut einen Keramikkondensator
> mit der gleichen Kapazit�t verwenden.

Nicht pauschal, aber in vielen Faellen wird das moeglich sein.

> 2.2�F oder 4.7�F sind ja (heute) bei Keramikkondensatoren ohne
> weiteres verf�gbar.

Auf das Keramikmaterial muss man allerdings schon einen Gedanken
verschwenden. Siehe hier unter "Klasse 2":
http://de.wikipedia.org/wiki/Keramikkondensator
Speziell den z.T. erheblichen Kapazitaetsverlust bei hoher Spannung
und/oder Temperatur darf man nicht unter den Tisch fallen lassen.
Material schlechter als X7R sollte man nur verwenden wenn man genau
hingeschaut hat.


Micha

Joerg

unread,
Jul 23, 2012, 10:19:22 AM7/23/12
to
Timm Reinisch wrote:
> Hallo,
>
> Am 23.07.12 13:59, schrieb Dieter Wiedmann:
>> Am 23.07.2012 13:54, schrieb Timm Reinisch:
>
>>> Der Klassiker ist ja Tantal fᅵr den groᅵen, nun frage ich mich, ob man
>>> nicht auch Keramik verwenden kᅵnnte und was der Grund fᅵr Tantal ist.
>>
>> Frᅵher gabs praktisch keine so groᅵen Keramikkondensatoren, bzw die
>> Baugrᅵᅵe wᅵre einfach nichts gewesen.
>
> Interpretiere ich das also richtig, wenn nicht das Datenblatt einen Elko
> mit hoher ESR vorschreibt, kann ich genauso gut einen Keramikkondensator
> mit der gleichen Kapazitᅵt verwenden.
>

Die Marketingabteilungen schreiben das manchmal nicht so deutlich ins
Datenblatte eines misslungenen Regler-IC, weil es nicht so gut aussieht.
Low Drop-Out Regler-IC sind vom Design her fast alle misslungen, sollte
man also sicher sei dass keiner drin ist.


> 2.2ᅵF oder 4.7ᅵF sind ja (heute) bei Keramikkondensatoren ohne
> weiteres verfᅵgbar.
>

Ja, aber ebenfalls aufpassen. Selbst X7R Keramikmaterial verhaelt sich
bei den ganz "hochverdichteten" Keramikkondensatoren beinahe so wie
billiges Y5V. Das heisst wenn z.B. 80% der zulaessigen Spannung angelegt
wird kann ein 4.7uF Kondensator u.U. nur noch die Haelfte der Kapazitaet
bringen.

--
Gruesse, Joerg

http://www.analogconsultants.com/

Olaf Kaluza

unread,
Jul 23, 2012, 10:41:25 AM7/23/12
to
Joerg <inv...@invalid.invalid> wrote:

>Ja, aber ebenfalls aufpassen. Selbst X7R Keramikmaterial verhaelt sich
>bei den ganz "hochverdichteten" Keramikkondensatoren beinahe so wie
>billiges Y5V. Das heisst wenn z.B. 80% der zulaessigen Spannung angelegt
>wird kann ein 4.7uF Kondensator u.U. nur noch die Haelfte der Kapazitaet
>bringen.

Du kannst ja X8R nehmen. Ich ab gerade in einem Datenblatt gesehen das
es bei Nennspannung nur auf 80% der Kapazitaet zurueckgeht.

Olaf

Joerg

unread,
Jul 23, 2012, 10:53:06 AM7/23/12
to
Da hatte ich mir vor rund zwei Monaten mal zusammen mit Ingenieuren von
Firmen wie Murata fast die Zaehne dran ausgebissen. Man kommt in Sachen
Kapazitaet pro Kubikmillimeter an einen Poller. Da gibt es dann in der
Edelklasse nur X7R und es ist trotzdem fast so weich wie Billigkeramik.

Marcel Müller

unread,
Jul 23, 2012, 1:00:36 PM7/23/12
to
Hallo,

On 23.07.2012 13:54, Timm Reinisch wrote:
> manche Applikations-Beispiele sehen an ICs einen kleinen und einen
> groᅵen Kondensator vor. Zum Beispiel 0.1ᅵF fᅵr den kleinen und 2.2ᅵF
> oder 4.7ᅵF fᅵr den groᅵen.
>
> Der Klassiker ist ja Tantal fᅵr den groᅵen, nun frage ich mich, ob man
> nicht auch Keramik verwenden kᅵnnte und was der Grund fᅵr Tantal ist.

naja, 4,7ᅵ Keramik ist schon lᅵngst ein Ferroelektrisches Material.
Kurzum, bei Nennspannung ist von der Kapazitᅵt nicht mehr viel ᅵbrig.
Wenn Du Pech hast vielleicht noch 10%. Nᅵheres verrᅵt das Datenblatt.
Zudem verformen sich die Biester beim Umladen aufgrund des Piezoeffekt.
Fᅵr einen Abblock-C kein Problem, aber mit zu groᅵer Ripplespannung will
man die Biester eher nicht quᅵlen. Und Kurzschlieᅵen und explodieren
kᅵnnen hochkapazitive Keramik-Cs genauso gut, wie die Tantals.

> Ich dachte, moderne Tantal-Kondensatoren hᅵtten durchaus auch sehr
> niedrige ESR.

Haben sie. An die Keramik-Cs kommen sie aber nicht ran. Zudem spielt
auch die Grᅵᅵe eine Rolle. Je grᅵᅵer, desto mehr ESL (ganz grob). Und
das ist bei xMHz-Stᅵrungen bald wichtiger als ESR.


Marcel

Timm Reinisch

unread,
Jul 23, 2012, 1:17:06 PM7/23/12
to
Hallo,

Konsens ist also, dass man bei Kerkos dieser Grᅵᅵenordnung den
Nennwert getrost abschreiben kann.

Also ist und bleibt die richtige Wahl der Tantal-Elko, wenn ich
eure Ausfᅵhrungen richtig lese.

Joerg

unread,
Jul 23, 2012, 1:27:47 PM7/23/12
to
Timm Reinisch wrote:
> Hallo,
>
> Konsens ist also, dass man bei Kerkos dieser Grᅵᅵenordnung den
> Nennwert getrost abschreiben kann.
>

Nicht so pauschal. Wenn Du nicht die winzigste und gedrungendste Bauform
waehlst verlieren die weniger. D.h. man muss schonmal mehr als einen C
setzen damit die Bauformen nicht unhandlich werden.


> Also ist und bleibt die richtige Wahl der Tantal-Elko, wenn ich
> eure Ausfᅵhrungen richtig lese.
>

Tantal nehme ich nie, zuviel fatz ... *PENG* erlebt. Dann lieber zweimal
soviel Kapazitaet in keramisch.

Timm Reinisch

unread,
Jul 23, 2012, 1:55:43 PM7/23/12
to
Hallo,

Am 23.07.12 19:27, schrieb Joerg:

> Nicht so pauschal. Wenn Du nicht die winzigste und gedrungendste Bauform
> waehlst verlieren die weniger. D.h. man muss schonmal mehr als einen C
> setzen damit die Bauformen nicht unhandlich werden.

jahaa! Was ist denn winzig? Ist 1206 klein oder groᅵ?

Viele Grᅵᅵe und besten Dank

Timm

Joerg

unread,
Jul 23, 2012, 2:05:02 PM7/23/12
to
Timm Reinisch wrote:
> Hallo,
>
> Am 23.07.12 19:27, schrieb Joerg:
>
>> Nicht so pauschal. Wenn Du nicht die winzigste und gedrungendste Bauform
>> waehlst verlieren die weniger. D.h. man muss schonmal mehr als einen C
>> setzen damit die Bauformen nicht unhandlich werden.
>
> jahaa! Was ist denn winzig? Ist 1206 klein oder groᅵ?
>

Kommt auf Kapazitaet und Spannung an :-)

Am besten ist es einen rauszusuchen und den Hersteller zu nageln. Denn
diese Daten ruecken sie oft nicht ueber die Datenblaetter raus, muss man
nachbohren.

Faustregel: Wenn Du von einer Anzahl X7R Kondensatoren gegebener
Kapaziatet und Spannungsfestigkeit den mit der kleinsten Bauform
rauspickst wird der normalerweise am meisten Kapazitaetsverlust bei
hoeherer Spannung haben. 1-2 Nummern groesser ist es dann schon besser.

Timm Reinisch

unread,
Jul 23, 2012, 3:02:51 PM7/23/12
to
Hallo,

Am 23.07.12 20:05, schrieb Joerg:
> Faustregel: Wenn Du von einer Anzahl X7R Kondensatoren gegebener
> Kapaziatet und Spannungsfestigkeit den mit der kleinsten Bauform
> rauspickst wird der normalerweise am meisten Kapazitaetsverlust bei
> hoeherer Spannung haben. 1-2 Nummern groesser ist es dann schon besser.

also, es geht bei mir eigentlich immer um 2,2 ᅵF und 4,7 ᅵF bei 16V
betrieben bei 5 V.
Die gibt es soweit ich sehe standardmᅵᅵig kleinstens als 804. Demnach
sollte ich mit 1206 und eben 5 V von maximal 16 V ganz gut liegen?

Es geht ja eh um Stᅵtzkondensatoren, so exakt sind die doch eh
nicht dimensioniert. (In den Applications meine ich).

Joerg

unread,
Jul 23, 2012, 3:18:37 PM7/23/12
to
Timm Reinisch wrote:
> Hallo,
>
> Am 23.07.12 20:05, schrieb Joerg:
>> Faustregel: Wenn Du von einer Anzahl X7R Kondensatoren gegebener
>> Kapaziatet und Spannungsfestigkeit den mit der kleinsten Bauform
>> rauspickst wird der normalerweise am meisten Kapazitaetsverlust bei
>> hoeherer Spannung haben. 1-2 Nummern groesser ist es dann schon besser.
>
> also, es geht bei mir eigentlich immer um 2,2 ᅵF und 4,7 ᅵF bei 16V
> betrieben bei 5 V.
> Die gibt es soweit ich sehe standardmᅵᅵig kleinstens als 804. Demnach
> sollte ich mit 1206 und eben 5 V von maximal 16 V ganz gut liegen?
>

Ja, bei 30% der maximalen Spannung hat man noch satt Kapazitaet. Die
kleine Bauform heisst nicht 804 sondern 0805. Da gibt es inzwischen
sogar schon 4.7uF/35V. 16V geht aber auch.


> Es geht ja eh um Stᅵtzkondensatoren, so exakt sind die doch eh
> nicht dimensioniert. (In den Applications meine ich).
>

Klar, und da wuerde ich persoenlich niemals Tantal nehmen. Pass aber auf
ob die Platine Torsionen, Biegungen oder Vibrationen ausgesetzt ist.
Dann besser automotive/boardflex Versionen nehmen. Meine muessen
manchmal noch nach "Events" weiterfunktionieren, z.B. nach einer nicht
ganz knitterfreien Landung.

mrre...@googlemail.com

unread,
Jul 23, 2012, 3:25:39 PM7/23/12
to
Am Montag, 23. Juli 2012 21:18:37 UTC+2 schrieb Joerg:
> Klar, und da wuerde ich persoenlich niemals Tantal nehmen.

Das sehen andere anders, bzw. Ausnahmen bestätigen die Regel.

> Dann besser automotive/boardflex Versionen nehmen. Meine muessen
> manchmal noch nach &quot;Events&quot; weiterfunktionieren, z.B. nach einer nicht
> ganz knitterfreien Landung.

Eins der Teile die meistens am längsten leben: http://www.bea.aero/fr/enquetes/vol.af.447/imageshr/figure.23.jpg -> Gleich zwei schön große Tantals.

lg,

Joerg

unread,
Jul 23, 2012, 4:03:21 PM7/23/12
to
mrre...@googlemail.com wrote:
> Am Montag, 23. Juli 2012 21:18:37 UTC+2 schrieb Joerg:
>> Klar, und da wuerde ich persoenlich niemals Tantal nehmen.
>
> Das sehen andere anders, bzw. Ausnahmen best�tigen die Regel.
>

Daher schrieb ich ja "persoenlich".


>> Dann besser automotive/boardflex Versionen nehmen. Meine muessen
>> manchmal noch nach &quot;Events&quot; weiterfunktionieren, z.B. nach einer nicht
>> ganz knitterfreien Landung.
>
> Eins der Teile die meistens am l�ngsten leben: http://www.bea.aero/fr/enquetes/vol.af.447/imageshr/figure.23.jpg -> Gleich zwei sch�n gro�e Tantals.
>

Wir wissen alle wie Air France 447 endete, aber vermutlich nicht wegen
Kondensatoren :-(

Tantals sind ok wenn sie mit wenig Ripple Current belastet werden, weit
weniger als im Datenblatt angegeben. Trotzdem nehme ich sie nicht. Ich
habe mal eine Episode erlebt wo sie einfach nur so da sassen, praktisch
Null Ripple, etwas ueber 59% der zulaessigen Spannung, dann ... *POFF*
... warum auch immer.

Wer Tantals in Designs fuer die Luft- und Raumfahrt einsetzt sollte sich
in Material wie dieses einlesen:

http://nepp.nasa.gov/docuploads/3B82BFF4-77BF-45E1-9F8D076D899E31C6/NEPP%20TC%20Report%20January%202007.pdf

Zitat "Similar information was obtained from manufacturers of DC-DC
converters, which indicated that failures of tantalum capacitors are the
major reason for failures in DC-DC converters during testing".

Gerhard Hoffmann

unread,
Jul 23, 2012, 7:27:25 PM7/23/12
to
Am 23.07.2012 20:05, schrieb Joerg:

> Faustregel: Wenn Du von einer Anzahl X7R Kondensatoren gegebener
> Kapaziatet und Spannungsfestigkeit den mit der kleinsten Bauform
> rauspickst wird der normalerweise am meisten Kapazitaetsverlust bei
> hoeherer Spannung haben. 1-2 Nummern groesser ist es dann schon besser.

Ich bin gerade in .au und kann nicht an die Datenblᅵtter, was ich da
neulich gekauft habe, aber es hat mich doch gewundert:

10u/35V in 1206 und 10u/6V3 in 0612 vom gleichen Hersteller.
Der einzige richtige Unterschied ist, dass die 0612 die Metallisierung
auf der Lᅵngsseite haben. Volumen des Chips ist gleich.
(kann auch 22u sein????)

Die Tantals, die ich gerade im engineering model verbaue, sind
size D, und die raumflugtauglichen haben etwas das 8-fache Volumen.
Irgendwo mᅵssen da schon Unterschiede sein.

grᅵbel, Gerhard




Joerg

unread,
Jul 23, 2012, 9:09:45 PM7/23/12
to
Gerhard Hoffmann wrote:
> Am 23.07.2012 20:05, schrieb Joerg:
>
>> Faustregel: Wenn Du von einer Anzahl X7R Kondensatoren gegebener
>> Kapaziatet und Spannungsfestigkeit den mit der kleinsten Bauform
>> rauspickst wird der normalerweise am meisten Kapazitaetsverlust bei
>> hoeherer Spannung haben. 1-2 Nummern groesser ist es dann schon besser.
>
> Ich bin gerade in .au und kann nicht an die Datenblᅵtter, was ich da
> neulich gekauft habe, aber es hat mich doch gewundert:
>

Ach deswegen kam der Knall gestern nacht von Suedwesten :-)

Wir hatten hier ein stundenlanges Trockengewitter, sehr gefaehrlich sowas.


> 10u/35V in 1206 und 10u/6V3 in 0612 vom gleichen Hersteller.
> Der einzige richtige Unterschied ist, dass die 0612 die Metallisierung
> auf der Lᅵngsseite haben. Volumen des Chips ist gleich.
> (kann auch 22u sein????)
>

22u gibt es da auch schon:

http://www.digikey.com/product-detail/en/LMK316AB7226ML-TR/587-2782-2-ND/2573869


> Die Tantals, die ich gerade im engineering model verbaue, sind
> size D, und die raumflugtauglichen haben etwas das 8-fache Volumen.
> Irgendwo mᅵssen da schon Unterschiede sein.
>

Die kosten dann auch satt. Ich hatte Preise zwischen $5 und $10 gesehen.
Pro Stueck! Nee, Tantal muss echt nicht sein.

Michael S

unread,
Jul 24, 2012, 1:09:21 AM7/24/12
to
Diese Legende lᅵsst sich wohl nicht mehr ausrotten. Jeder schreibt von
jedem ab und auch die IC-Hersteller sind dabei nicht besser.

Schaltet man 2 solche Kondensatoren parallel, erhᅵlt man mitten im
Spektrum ne super Parallelresonanzstelle, an der die Dᅵmpfung der
Kondensatorbeschaltung fast verschwindet. Schlimmer wird das noch durch
das Layout. Zwei Kondensatorern erfordern lᅵngere Leiterbahnen zur
Anbindung, was das ganze dann erst recht Ad Absurdum fᅵhrt. Ist die
Leiterbahn zum C dreimal so lang, wie der C selbst groᅵ ist, hast Du
mehr Induktivitᅵt auf der Leiterbahn als im C selbst. Bei einem 0603er-C
kannst Du Dir dann vorstellen, wie lang die Leiterbahnen sein dᅵrfen.
Sinn macht das ganze nur, wenn man einen relativ groᅵen Elko (mit
schlechter Gᅵte) mit einem Kerko fᅵr die HF unterstᅵtzen will. Da ist
die Resonanzstelle dann nicht so schlimm und wegen der schlechten
Elko-Gᅵte auch nicht sehr ausgeprᅵgt. Aber Kerkos verschiedener Grᅵᅵe
parallelschalten, das mache ich schon lange nicht mehr. Lieber ein
relativ groᅵer so dicht wie mᅵglich ans IC. Dabei sollte man die
kleinstmᅵgliche Bauform nehmen, die haben die geringste Induktivitᅵt.
Mehr C als notwendig schadet bei der HF dann eher wieder.

Es ist ja nicht so, dass ein Kondensator auf seinem induktiven Zweig
seine Wirkung verliert, sie wird mit zunehmender Frequenz einfach immer
schlechter.

--
Michael

Horst-D.Winzler

unread,
Jul 24, 2012, 1:47:29 AM7/24/12
to
Am 24.07.2012 07:09, schrieb Michael S:
> Am 23.07.2012 14:53, schrieb Uwe Hercksen:
>> Timm Reinisch schrieb:
>>

> Schaltet man 2 solche Kondensatoren parallel, erhält man mitten im
> Spektrum ne super Parallelresonanzstelle, an der die Dämpfung der
> Kondensatorbeschaltung fast verschwindet. Schlimmer wird das noch durch
> das Layout. Zwei Kondensatorern erfordern längere Leiterbahnen zur
> Anbindung, was das ganze dann erst recht Ad Absurdum führt.

Stimmt, deshalb sollte bei der Parallelschaltung von Cs, wenn es um das
Abblocken bei ICs geht, die Zuführungen nie gemeinsam genutzt werden.
Also jedes C sollte auf dem kürzesten Weg direkt individuell an die Pins
geführt werden, wobei das C mit dem kleinsten Wert die kürzeste
Zuleitung erhält.

--
mfg hdw

Marcel Müller

unread,
Jul 24, 2012, 2:34:58 AM7/24/12
to
Hallo,

On 23.07.2012 20:05, Joerg wrote:
> Faustregel: Wenn Du von einer Anzahl X7R Kondensatoren gegebener
> Kapaziatet und Spannungsfestigkeit den mit der kleinsten Bauform
> rauspickst wird der normalerweise am meisten Kapazitaetsverlust bei
> hoeherer Spannung haben. 1-2 Nummern groesser ist es dann schon besser.

man sollte vielleicht noch verraten, dass es oft besser ist, einen C mit
hᅵherer Spannungsfestigkeit zu nehmen, als einen mit mehr C. Beide haben
bei der Einsatzspannung mehr Kapazitᅵt, aber ersterer hat eine bessere
Lebensdauer und vor allem bei 0V weniger Kapazitᅵt. Das Netzteil muss ja
schlieᅵlich am Anfang die Dinger erst mal betanken. Wenn sich sehr viele
davon ᅵber die Platinen verteilen, kann da im ersten Moment schon mal
einiges zusammenkommen.


Marcel

Marcel Müller

unread,
Jul 24, 2012, 2:46:12 AM7/24/12
to
On 23.07.2012 21:18, Joerg wrote:
> Klar, und da wuerde ich persoenlich niemals Tantal nehmen.

Ich habe auch schon etliche Keramik-Cs sterben sehen. Und das ist
eigentlich ekliger als Tantals. Wenn ein Tantal-Stᅵtzkondensator
kurzschlieᅵt, kommt ᅵblicherweise eine stinkende Wolke aus dem Gerᅵt und
die Kiste lᅵuft oft sogar erst mal weiter. Den Keramik-Cs sieht man es
hingegen manchmal kaum an

> Pass aber auf
> ob die Platine Torsionen, Biegungen oder Vibrationen ausgesetzt ist.

In der Tat. Riesen Problem.


Marcel

Oliver Betz

unread,
Jul 24, 2012, 3:02:25 AM7/24/12
to
Timm Reinisch schrieb:

>manche Applikations-Beispiele sehen an ICs einen kleinen und einen
>gro�en Kondensator vor. Zum Beispiel 0.1�F f�r den kleinen und 2.2�F
>oder 4.7�F f�r den gro�en.
>
>Der Klassiker ist ja Tantal f�r den gro�en, nun frage ich mich, ob man
>nicht auch Keramik verwenden k�nnte und was der Grund f�r Tantal ist.

Der klassische Grund ist der h�here ESR "normaler"
Tantalkondensatoren, der die Parallelresonanz (s. Posting von Michael)
unterdr�ckt.

Zusammen mit dem kleinen Kerko gibt das eine robuste breitbandige
Entkopplung.

Mit "mehrere verschiedene LOW-ESR" ist das schwieriger.

Dass viele Spannungsregler nicht mit kleinem ESR in Verbindung mit
kleiner Kapazit�t klarkommen, wurde auch schon geschrieben. Das ist
ein ernstes Problem, weil sich das Verhalten des Spannungsreglers �ber
die Betriebsbedingungen (haupts�chlich Laststrom und Temperatur)
�ndern und Du f�r ein sicheres Design nicht "einfach" ausprobieren
kannst.

Bei gro�er Ausgangskapazit�t ist der ESR dann wieder weniger wichtig.
Also 10000uF LOW-ESR klappt meistens wieder <g>.

>Ich dachte, moderne Tantal-Kondensatoren h�tten durchaus auch sehr
>niedrige ESR.

Ja, gibt es, z.B. mit Polymer. Aber es gibt auch immer noch die
"einfachen" Tantals mit gro�em ESR.

Die Warnungen von J�rg bez�glich Tantal und Low-Drop-Spannungsreglern
solltest Du �brigens mit Vorbehalt lesen.

Man kann beides problemlos verwenden, wenn man wei�, wie es geht. Ist
aber nichts f�r unerfahrene und/oder sorglose Entwickler.

Klar, man kann Tantalkondensatoren leicht zerst�ren, und das kann sich
"stark exotherm" �u�ern. Haben viele Entwickler schon mal gemacht.
Tantalkondensatoren m�gen zum Beispiel keine Impulsstr�me in
verbindung mit hoher Spannung, wie sie beim Einschalten an niedriger
Impedanz auftreten.

Es gibt aber auch robustere Ausf�hrungen, und wenn man deutlich unter
der Nennspannung bleibt, halten sie nochmal mehr aus.

Wir haben in �ber zwanzig Jahren schon hunderttausende Tantals verbaut
(auch an der Versorgungspannung, mit einem kleinen Vorwiderstand) und
leben immer noch. Die Schaltung ist nat�rlich sehr sorgf�ltig
dimensioniert und intensiv getestet.

Und in Automobilelektronik werden massenhaft Low-Drop-Regler verbaut,
die nicht schwingen.

Servus

Oliver
--
Oliver Betz, Muenchen (oliverbetz.de)

Hans-Jürgen Schneider

unread,
Jul 24, 2012, 5:00:12 AM7/24/12
to
Marcel M�ller schrieb:
>
> On 23.07.2012 21:18, Joerg wrote:
> > Klar, und da wuerde ich persoenlich niemals Tantal nehmen.
>
> Ich habe auch schon etliche Keramik-Cs sterben sehen. Und das ist
> eigentlich ekliger als Tantals. Wenn ein Tantal-St�tzkondensator
> kurzschlie�t, kommt �blicherweise eine stinkende Wolke aus dem Ger�t und
> die Kiste l�uft oft sogar erst mal weiter. Den Keramik-Cs sieht man es
> hingegen manchmal kaum an

Momentan gibt's die passende Sehhilfe als Angebot:
http://www.flir.com/cs/emea/de/view/?id=56018
In wieweit die genannte Einschr�nkung durchgesetzt wird, das wei�
ich nicht.

MfG
hjs

Michael S

unread,
Jul 24, 2012, 5:02:32 AM7/24/12
to
Die Parallelresonanz verhinderst Du damit aber trotzdem nicht.
Häufig gehts aber nichtmal so, wie Du das beschreibst, weil einfach der
Platz nicht da ist.

Michael

Joerg

unread,
Jul 24, 2012, 10:42:01 AM7/24/12
to
Oliver Betz wrote:
> Timm Reinisch schrieb:

[...]

>> Ich dachte, moderne Tantal-Kondensatoren h�tten durchaus auch sehr
>> niedrige ESR.
>
> Ja, gibt es, z.B. mit Polymer. Aber es gibt auch immer noch die
> "einfachen" Tantals mit gro�em ESR.
>
> Die Warnungen von J�rg bez�glich Tantal und Low-Drop-Spannungsreglern
> solltest Du �brigens mit Vorbehalt lesen.
>

Dann nenne doch endlich mal einen bezahlbaren Low-Dropout
Spannungsregler mit _garantiertem_ Stabilitaetsbereich. Und nein, ein
Graph mit schraffiertem Bereich zaehlt nicht. Jedenfalls nicht in
sicherheitskritischen Anwendungen, sowas fliegt da im Design Review
gleich raus. Da muessen min-max Werte im Tabellenteil des Datenblattes
stehen.

Hic Rhodus, hic salta :-)


> Man kann beides problemlos verwenden, wenn man wei�, wie es geht. Ist
> aber nichts f�r unerfahrene und/oder sorglose Entwickler.
>

So isses.

[...]

Michael Witton

unread,
Jul 24, 2012, 2:39:55 PM7/24/12
to
Am 24.07.2012 16:42 schrieb Joerg:
> Dann nenne doch endlich mal einen bezahlbaren Low-Dropout
> Spannungsregler mit _garantiertem_ Stabilitaetsbereich. Und nein, ein
> Graph mit schraffiertem Bereich zaehlt nicht. Jedenfalls nicht in
> sicherheitskritischen Anwendungen, sowas fliegt da im Design Review
> gleich raus. Da muessen min-max Werte im Tabellenteil des Datenblattes
> stehen.

Was ist den bezahlbar? Beim LP38690 (http://www.ti.com/product/lp38690)
steht im Datenblatt: "The LP38690/2 is stable with any output capacitor
ESR between zero and 100 Ohms." Aber wahrscheinlich z�hlt der auch nicht,
weil es halt Text und keine Tabelle ist.

Michael

Joerg

unread,
Jul 24, 2012, 3:13:28 PM7/24/12
to
Michael Witton wrote:
> Am 24.07.2012 16:42 schrieb Joerg:
>> Dann nenne doch endlich mal einen bezahlbaren Low-Dropout
>> Spannungsregler mit _garantiertem_ Stabilitaetsbereich. Und nein, ein
>> Graph mit schraffiertem Bereich zaehlt nicht. Jedenfalls nicht in
>> sicherheitskritischen Anwendungen, sowas fliegt da im Design Review
>> gleich raus. Da muessen min-max Werte im Tabellenteil des Datenblattes
>> stehen.
>
> Was ist den bezahlbar?


Ich bin bei Linearreglern eher <$0.20 gewoehnt.


> ... Beim LP38690 (http://www.ti.com/product/lp38690)
> steht im Datenblatt: "The LP38690/2 is stable with any output capacitor
> ESR between zero and 100 Ohms." Aber wahrscheinlich zählt der auch nicht,
> weil es halt Text und keine Tabelle ist.
>

Ueber $0.50 ist was viel. Es gab schon laenger LDO die (fast)
unconditionally stable sind, wie etwa die AnyCap Serie. Aber die kosten.

Hast Du Dir mal die Drop-out Werte in der Tabelle auf Seite 4 angesehen?
Geht bis 1.6V hoch. Aehm, na ja ...

Man sollte das auch auf Herz und Nieren testen. Vom gleichen Hersteller
hatte ich mal einen aus der TPS Serie. Korrekt beschaltet, getestet ...
poff ... paff ... pofftig. Ueberall Krater. Es passierte wenn die
Eingangsspannung zu schnell hoch kam. Davon stand natuerlich nichts im
Datenblatt. SPICE Model wurde nicht ausgeklinkt.

Ein anderer von der Firma die sie aufgekauft haben rauchte ab wenn der
Innenwiderstand der Quelle ueber 80ohm oder so ging. Ich hatte den
Kunden eindringlich vor dem Einsatz von LDOs gewarnt aber sie taten es
dennoch, haetten keine negativen Erfahrungen mit der Serie gehabt. Es
kam schlimmer als ich befuerchtet hatte. Hinweise im Datenblatt? Null,
nueschte. Der Hersteller wusste das erst seit dem Tag als ich da anrief.
Das gab einen ziemlichen Aufruhr dort, bloss nutzte uns das nichts.

Klaus Butzmann

unread,
Jul 24, 2012, 5:08:22 PM7/24/12
to
Am 24.07.2012 07:09, schrieb Michael S:

> Diese Legende lᅵsst sich wohl nicht mehr ausrotten. Jeder schreibt von
> jedem ab und auch die IC-Hersteller sind dabei nicht besser.
Danke!
Siehe Christian Dirks FH Furtwangen, diverse Fachartikel.



Butzo

Joerg

unread,
Jul 24, 2012, 5:29:51 PM7/24/12
to
Studienkollege, super Noten aber von Tuten und Blasen ... na ja, Ihr
wisst schon. Der haette nichtmal gewusst wo beim Loetkolben heiss ist.
Konnte nichtmal seinen eigenen Taschenrechner flicken. Kurz nach dem
Diplom irgendwo per Zufall getroffen. "Hey, was machst Du denn jetzt
so?" ... "Ich bin bei <grosse europaeische Halbleiterfirma>" ... "Super,
und woran arbeitest Du?" ... "Ich schreibe Application Notes".

Da fiel mir fast die Kinnlade runter.

Klaus Butzmann

unread,
Jul 24, 2012, 5:32:29 PM7/24/12
to
Am 24.07.2012 23:29, schrieb Joerg:

> Studienkollege, super Noten aber von Tuten und Blasen
Der Dirks?
http://www.emv.biz/seminare/referenten/c-dirks/


Butzo

Joerg

unread,
Jul 24, 2012, 5:47:28 PM7/24/12
to
Klaus Butzmann wrote:
> Am 24.07.2012 23:29, schrieb Joerg:
>
>> Studienkollege, super Noten aber von Tuten und Blasen
> Der Dirks?


Den kenne ich nicht. Aber so alt bin ich nun doch noch nicht :-)


> http://www.emv.biz/seminare/referenten/c-dirks/
>

"Sie mᅵssen sich anmelden, um Zugriff auf die Fachartikel zu erhalten
... Sollten Sie noch nicht registriert sein, kᅵnnen Sie Ihre
Zugangsdaten hier anfordern"

Huargs.

Michael Wieser

unread,
Jul 25, 2012, 2:07:30 AM7/25/12
to
On Tue, 24 Jul 2012 12:13:28 -0700, Joerg <inv...@invalid.invalid>
wrote:

>Ueber $0.50 ist was viel. Es gab schon laenger LDO die (fast)
>unconditionally stable sind, wie etwa die AnyCap Serie. Aber die kosten.

Naja...klassisches Entscheidungsdilemma, entweder LDO der geht und
daf�r ein paar ct teurer ist oder einer der nicht immer tut was er
soll, aber daf�r billigst. Wer Qualit�t will mu� daf�r blechen, ist
nicht nur bei LDOs so. Pa�t doch eh.

Gr��e

-
Michael Wieser
--

Heiko Lechner

unread,
Jul 25, 2012, 3:04:38 AM7/25/12
to
Am 24.07.2012 23:32, schrieb Klaus Butzmann:

> Der Dirks?

Nein, Jörgs Posting hatte, wie öfters, nichts mit "dem Vorgänger" zu tun.

Joerg

unread,
Jul 25, 2012, 9:40:01 AM7/25/12
to
Was das Thema "geht" betrifft bin ich inzwischen skeptischer geworden,
gerade bei LDO. Die haben oft Pathologien gezeigt die mit keinem
Woertchen im Datenblatt erwaehnt wurden. "Zu hoher" Quellwiderstand ..
poff, Eingangsspannung "zu schnell" angestiegen .. peng, "Uebermaessig
starke" Lastwechsel ... rumms.

Bei mir kommen normale Linearregler rein und wenn zuwenig
Eingangsspannung da ist dann eben ein Schaltregler. Wenn schon LDO dann
so wie beim letzten Mal vor ein paar Wochen, selbstgestrickt. Da weiss
man was man hat. Ich habe einfach einen Depletion Mode N-Channel FET
genommen.

Timm Reinisch

unread,
Jul 25, 2012, 12:55:42 PM7/25/12
to
Hallo,

Am 24.07.12 21:13, schrieb Joerg:

> Man sollte das auch auf Herz und Nieren testen. Vom gleichen Hersteller
> hatte ich mal einen aus der TPS Serie. Korrekt beschaltet, getestet ...
> poff ... paff ... pofftig. Ueberall Krater. Es passierte wenn die
> Eingangsspannung zu schnell hoch kam. Davon stand natuerlich nichts im
> Datenblatt. SPICE Model wurde nicht ausgeklinkt.

ob das hier unten noch jemand liest? Ich verwende TPS73033 wenn ich 3.3V
brauche, sollte ich mir da sorgen machen?

Viele Gr��e

Timm

Joerg

unread,
Jul 25, 2012, 1:23:06 PM7/25/12
to
Timm Reinisch wrote:
> Hallo,
>
> Am 24.07.12 21:13, schrieb Joerg:
>
>> Man sollte das auch auf Herz und Nieren testen. Vom gleichen Hersteller
>> hatte ich mal einen aus der TPS Serie. Korrekt beschaltet, getestet ...
>> poff ... paff ... pofftig. Ueberall Krater. Es passierte wenn die
>> Eingangsspannung zu schnell hoch kam. Davon stand natuerlich nichts im
>> Datenblatt. SPICE Model wurde nicht ausgeklinkt.
>
> ob das hier unten noch jemand liest?


Ich weiss ja nicht wo "unten" ist? Tiefster bayrischer Wald? :-) ... <duck>


> ... Ich verwende TPS73033 wenn ich 3.3V
> brauche, sollte ich mir da sorgen machen?
>

Ist lange her und ich habe aus der Serie seitdem nichts mehr verwendet.
IIRC kam es darauf an wie nahe man am Limit fuer die Eingangsspannung
war und wie schnell die Eingangsspannung nach dem Einschalten hochkam.
Bei uns war das aus einer Batterie, d.h. im Gegensatz zu einem Netzteil
war die Spaanung praktisch sofort da. Das mochte der Chip nicht. Wenn
ich ein Labornetzteil normal hochdrehte passierte nie was, beim
Anklemmen der Batterie hingegen machte es paetsch.

Oliver Betz

unread,
Jul 26, 2012, 1:40:04 AM7/26/12
to
Klaus Butzmann schrieb:

(Parallelkombinationen von Kondensatoren zur
Versorgungsspannungsentkopplung)

>Siehe Christian Dirks FH Furtwangen, diverse Fachartikel.

warst Du mal in einem seiner Seminare? Ich war Mitte der Neunziger und
fand einiges sehr nützlich. Mittlerweile hat er das Angebot stark
erweitert, aber ich befürchte, dass zu wenig Neuigkeiten für mich drin
sind, um Zeit und Geld aufzuwenden.

Klaus Butzmann

unread,
Jul 26, 2012, 3:41:37 PM7/26/12
to
Am 26.07.2012 07:40, schrieb Oliver Betz:
> Klaus Butzmann schrieb:

>> Siehe Christian Dirks FH Furtwangen, diverse Fachartikel.
>
> warst Du mal in einem seiner Seminare?
Nee, ich habe mich nur an die Artikel in der Elektronik erinnert.

> aber ich bef�rchte, dass zu wenig Neuigkeiten f�r mich drin
> sind, um Zeit und Geld aufzuwenden.
Durchaus m�glich, die Physik ist ja auch noch die gleiche :-)



Butzo

Hartmut Kraus

unread,
Jul 28, 2012, 3:39:32 PM7/28/12
to
Am 23.07.2012 19:27, schrieb Joerg:
> Tantal nehme ich nie, zuviel fatz ... *PENG* erlebt. Dann lieber
> zweimal soviel Kapazitaet in keramisch.
Dann zeig mir mal einen (bedrahteten) Kerko mit 4,7ᅵF / 35V (Tantal:
Etwa 2 Streichholzkuppen).

Joerg

unread,
Jul 28, 2012, 3:48:49 PM7/28/12
to
Hint: Wird sind inzwischen im 21.Jahrhundert angekommen. Bei mir sind so
gut wie alle Designs SMT, aber schon seit 1986. 4.7uF/35V/X7R bekommst
Du in 0805, z.B. von TDK.

Hartmut Kraus

unread,
Jul 28, 2012, 4:30:40 PM7/28/12
to
Am 28.07.2012 21:48, schrieb Joerg:
> Hartmut Kraus wrote:
>> Am 23.07.2012 19:27, schrieb Joerg:
>>> Tantal nehme ich nie, zuviel fatz ... *PENG* erlebt. Dann lieber
>>> zweimal soviel Kapazitaet in keramisch.
>> Dann zeig mir mal einen (bedrahteten) Kerko mit 4,7ᅵF / 35V (Tantal:
>> Etwa 2 Streichholzkuppen).
>
> Hint: Wird sind inzwischen im 21.Jahrhundert angekommen.
Echt?


> Bei mir sind so gut wie alle Designs SMT, aber schon seit 1986.

Das ist dein Problem. Hab hier gerade ein nagelneues PC - Netzteil
offen. Alles bedrahtet. Was die sich wohl dabei gedacht haben?
Vielleicht ᅵhnliches wie ich bei meinem Projekt ... <:-)


> 4.7uF/35V/X7R bekommst Du in 0805, z.B. von TDK.

Mir ging's eigentlich um den Grᅵᅵenvergleich _bedrahtet_. <:-)

Joerg

unread,
Jul 28, 2012, 4:36:41 PM7/28/12
to
Hartmut Kraus wrote:
> Am 28.07.2012 21:48, schrieb Joerg:
>> Hartmut Kraus wrote:
>>> Am 23.07.2012 19:27, schrieb Joerg:
>>>> Tantal nehme ich nie, zuviel fatz ... *PENG* erlebt. Dann lieber
>>>> zweimal soviel Kapazitaet in keramisch.
>>> Dann zeig mir mal einen (bedrahteten) Kerko mit 4,7ᅵF / 35V (Tantal:
>>> Etwa 2 Streichholzkuppen).
>>
>> Hint: Wird sind inzwischen im 21.Jahrhundert angekommen.
> Echt?
>

<in den Kalender guck>

Ja.

>
>> Bei mir sind so gut wie alle Designs SMT, aber schon seit 1986.
>
> Das ist dein Problem. Hab hier gerade ein nagelneues PC - Netzteil
> offen. Alles bedrahtet. Was die sich wohl dabei gedacht haben?
> Vielleicht ᅵhnliches wie ich bei meinem Projekt ... <:-)
>

Das ist deshalb so weil es viele grosse Bauteile enthaelt und weil die
Arbeiter die das bestuecken nichtmal einen Euro pro Stunde bekommen.
Leiterplatten von Geraeten werden schon lange nicht mehr so gebaut.
Ausser bei einem Audioprojekt wo ich derzeit mitmache, da ist es aber
nur wegen des "Retro Look" bedrahtet. Viele Bauteile gibt es jedoch
nicht in bedrahtetem Gehaeuse und die muessen dann unten auf die Platine.


>
>> 4.7uF/35V/X7R bekommst Du in 0805, z.B. von TDK.
>
> Mir ging's eigentlich um den Grᅵᅵenvergleich _bedrahtet_. <:-)


Die vielleicht, den anderen hier wohl kaum.

Oliver Betz

unread,
Jul 29, 2012, 4:50:08 AM7/29/12
to
Joerg schrieb:

>>> Tantal nehme ich nie, zuviel fatz ... *PENG* erlebt. Dann lieber
>>> zweimal soviel Kapazitaet in keramisch.
>> Dann zeig mir mal einen (bedrahteten) Kerko mit 4,7�F / 35V (Tantal:
>> Etwa 2 Streichholzkuppen).
>
>Hint: Wird sind inzwischen im 21.Jahrhundert angekommen. Bei mir sind so
>gut wie alle Designs SMT, aber schon seit 1986. 4.7uF/35V/X7R bekommst
>Du in 0805, z.B. von TDK.

Falsch (au�er man akzeptiert "PMPO"-Angaben).

Du bekommst in der Baugr��e einen Kondensator, der
* bei wenigen Volt ungef�hr 4,7uF hat,
* notfalls 35V aush�lt,
aber bei den 35V nicht _ann�hernd_ 4,7uF Kapazit�t hat.

Hartmut Kraus

unread,
Jul 29, 2012, 4:59:42 AM7/29/12
to
Am 28.07.2012 22:36, schrieb Joerg:
> Hartmut Kraus wrote:
>> Am 28.07.2012 21:48, schrieb Joerg:
>>> Hartmut Kraus wrote:
>>>> Am 23.07.2012 19:27, schrieb Joerg:
>>>>> Tantal nehme ich nie, zuviel fatz ... *PENG* erlebt. Dann lieber
>>>>> zweimal soviel Kapazitaet in keramisch.
>>>> Dann zeig mir mal einen (bedrahteten) Kerko mit 4,7ᅵF / 35V (Tantal:
>>>> Etwa 2 Streichholzkuppen).
>>> Hint: Wird sind inzwischen im 21.Jahrhundert angekommen.
>> Echt?
>>
> <in den Kalender guck>
>
> Ja.
>
>>> Bei mir sind so gut wie alle Designs SMT, aber schon seit 1986.
>> Das ist dein Problem. Hab hier gerade ein nagelneues PC - Netzteil
>> offen. Alles bedrahtet. Was die sich wohl dabei gedacht haben?
>> Vielleicht ᅵhnliches wie ich bei meinem Projekt ... <:-)
>>
> Das ist deshalb so weil es viele grosse Bauteile enthaelt

Dann wᅵrde ich ja gerne mal deine Schaltregler / - Netzteile sehen. Full
SMD? *** kicher***


> und weil die Arbeiter die das bestuecken nicht mal einen Euro pro Stunde bekommen.

Meinste? Ich wᅵrde die nach Leistung bezahlen. Der Kunde zahlt mir
schlieᅵlich auch pro Netzteil soundsoviel, nicht pro Stunde.


> Leiterplatten von Geraeten werden schon lange nicht mehr so gebaut.

Jaja, klar. "Wenn dein Werkzeugkasten nur Hᅵmmer verschiedener Grᅵᅵe
enthᅵlt, kommt dir die ganze Welt wie eine Ansammlung von Nᅵgeln vor."


Hartmut Kraus

unread,
Jul 29, 2012, 9:54:38 AM7/29/12
to
Am 28.07.2012 22:36, schrieb Joerg:
> Leiterplatten von Geraeten werden schon lange nicht mehr so gebaut.
> Ausser bei einem Audioprojekt wo ich derzeit mitmache, da ist es aber
> nur wegen des "Retro Look" bedrahtet.

Jᅵrg, warum erzᅵhlst du sowas?

Joerg

unread,
Jul 29, 2012, 10:27:24 AM7/29/12
to
Oliver Betz wrote:
> Joerg schrieb:
>
>>>> Tantal nehme ich nie, zuviel fatz ... *PENG* erlebt. Dann lieber
>>>> zweimal soviel Kapazitaet in keramisch.
>>> Dann zeig mir mal einen (bedrahteten) Kerko mit 4,7µF / 35V (Tantal:
>>> Etwa 2 Streichholzkuppen).
>> Hint: Wird sind inzwischen im 21.Jahrhundert angekommen. Bei mir sind so
>> gut wie alle Designs SMT, aber schon seit 1986. 4.7uF/35V/X7R bekommst
>> Du in 0805, z.B. von TDK.
>
> Falsch (außer man akzeptiert "PMPO"-Angaben).
>
> Du bekommst in der Baugröße einen Kondensator, der
> * bei wenigen Volt ungefähr 4,7uF hat,
> * notfalls 35V aushält,


Die halten sogar erheblich mehr aus. Im Test teilweise mehr als das
doppelte. Was man natuerlich nicht im Betrieb machen sollen.


> aber bei den 35V nicht _annähernd_ 4,7uF Kapazität hat.
>

Klar, dazu sind Datenblaettern da. So wie ein Tantal normalerweise einen
schlechten ESR hat. "Hoch verdichtete" X7R koennen bei Nennspannung
schonmal auf rund die Haelfte fallen. Aber sie explodieren nicht.

Im uebrigen ist der X7R weit im Vorteil. Wo gibt es Tantal 4.7u/35V in
0805 Baugroesse? Das kleinste was ich sah war 1210 und die kosten ein
Vielfaches des Keramik-C. Und die hatten fast ein Ohm ESR ... <schauder>.

Joerg

unread,
Jul 29, 2012, 10:40:48 AM7/29/12
to
Hartmut Kraus wrote:
> Am 28.07.2012 22:36, schrieb Joerg:
>> Hartmut Kraus wrote:
>>> Am 28.07.2012 21:48, schrieb Joerg:
>>>> Hartmut Kraus wrote:
>>>>> Am 23.07.2012 19:27, schrieb Joerg:
>>>>>> Tantal nehme ich nie, zuviel fatz ... *PENG* erlebt. Dann lieber
>>>>>> zweimal soviel Kapazitaet in keramisch.
>>>>> Dann zeig mir mal einen (bedrahteten) Kerko mit 4,7µF / 35V (Tantal:
>>>>> Etwa 2 Streichholzkuppen).
>>>> Hint: Wird sind inzwischen im 21.Jahrhundert angekommen.
>>> Echt?
>>>
>> <in den Kalender guck>
>>
>> Ja.
>>
>>>> Bei mir sind so gut wie alle Designs SMT, aber schon seit 1986.
>>> Das ist dein Problem. Hab hier gerade ein nagelneues PC - Netzteil
>>> offen. Alles bedrahtet. Was die sich wohl dabei gedacht haben?
>>> Vielleicht Ähnliches wie ich bei meinem Projekt ... <:-)
>>>
>> Das ist deshalb so weil es viele grosse Bauteile enthaelt
>
> Dann würde ich ja gerne mal deine Schaltregler / - Netzteile sehen. Full
> SMD? *** kicher***
>

Ueber 90% sind full SMT. Der Rest beinahe auch, bis auf Uebertrager und
Drosseln. Manchmal sind die FETs diskret, aber nur wenn es viele hundert
Watt sind oder Kilowattbereich.

>
>> und weil die Arbeiter die das bestuecken nicht mal einen Euro pro
>> Stunde bekommen.
>
> Meinste? Ich würde die nach Leistung bezahlen. Der Kunde zahlt mir
> schließlich auch pro Netzteil soundsoviel, nicht pro Stunde.
>

Ist in der Industrie bei Arbeitern nicht ueblich. Die bekommen pro
Stunde und werden aber oft zeimlich getrietzt wenn dem Line Lead die
Stueckzahl nicht hoch genug ist.

>
>> Leiterplatten von Geraeten werden schon lange nicht mehr so gebaut.
>
> Jaja, klar. "Wenn dein Werkzeugkasten nur Hämmer verschiedener Größe
> enthält, kommt dir die ganze Welt wie eine Ansammlung von Nägeln vor."
>

Ich sagte es schon mal, you need to get out more. Mache wenigstens mal
eine Besichtungung mit bei Flextronics oder aehnlichen
Auftragsbestueckern mit. Da werden Dir die Augen aufgehen.

Hartmut Kraus

unread,
Jul 29, 2012, 10:56:01 AM7/29/12
to
Am 29.07.2012 16:40, schrieb Joerg:
> Hartmut Kraus wrote:
>> Am 28.07.2012 22:36, schrieb Joerg:
>>> Hartmut Kraus wrote:
>>>> Am 28.07.2012 21:48, schrieb Joerg:
>>>>> Hartmut Kraus wrote:
>>>>>> Am 23.07.2012 19:27, schrieb Joerg:
>>>>>>> Tantal nehme ich nie, zuviel fatz ... *PENG* erlebt. Dann lieber
>>>>>>> zweimal soviel Kapazitaet in keramisch.
>>>>>> Dann zeig mir mal einen (bedrahteten) Kerko mit 4,7µF / 35V (Tantal:
>>>>>> Etwa 2 Streichholzkuppen).
>>>>> Hint: Wird sind inzwischen im 21.Jahrhundert angekommen.
>>>> Echt?
>>>>
>>> <in den Kalender guck>
>>>
>>> Ja.
>>>
>>>>> Bei mir sind so gut wie alle Designs SMT, aber schon seit 1986.
>>>> Das ist dein Problem. Hab hier gerade ein nagelneues PC - Netzteil
>>>> offen. Alles bedrahtet. Was die sich wohl dabei gedacht haben?
>>>> Vielleicht Ähnliches wie ich bei meinem Projekt ... <:-)
>>>>
>>> Das ist deshalb so weil es viele grosse Bauteile enthaelt
>> Dann würde ich ja gerne mal deine Schaltregler / - Netzteile sehen. Full
>> SMD? *** kicher***
>>
> Ueber 90% sind full SMT. Der Rest beinahe auch, bis auf Uebertrager und Drosseln. Manchmal sind die FETs diskret, aber nur wenn es viele hundert
> Watt sind oder Kilowattbereich.
Klar, konkret das hier geht bis 400W. <:-)


>
>>> und weil die Arbeiter die das bestuecken nicht mal einen Euro pro Stunde bekommen.
>> Meinste? Ich würde die nach Leistung bezahlen. Der Kunde zahlt mir schließlich auch pro Netzteil soundsoviel, nicht pro Stunde.
>>
> Ist in der Industrie bei Arbeitern nicht ueblich. Die bekommen pro Stunde und werden aber oft zeimlich getrietzt wenn dem Line Lead die
> Stueckzahl nicht hoch genug ist.

Auch klar, ich weiß schon, warum ich weder "Arbeitgeber" noch
"Arbeitnehmer" sein will, sondern mein eigener Chef. <:-)


>
>>> Leiterplatten von Geraeten werden schon lange nicht mehr so gebaut.
>> Jaja, klar. "Wenn dein Werkzeugkasten nur Hämmer verschiedener Größe enthält, kommt dir die ganze Welt wie eine Ansammlung von Nägeln vor."
>>
> Ich sagte es schon mal, you need to get out more. Mache wenigstens mal eine Besichtungung mit bei Flextronics oder aehnlichen Auftragsbestueckern mit. Da werden Dir die Augen aufgehen.

Wozu? Ich habe ein einziges Projekt, und ich habe meine Gründe, das
völlig "kommerziell" zu realisieren. Obwohl (oder gerade weil) ich auch
schon SMD - Bestückungsautomaten in action gesehen habe - andererseits
auch jede Menge "aktuelle" Geräte ohne ein SMD drin. Einseitige
Leiterplatten mit Drahtbrücken, aber im Extremfall riesige.

Joerg

unread,
Jul 29, 2012, 10:59:19 AM7/29/12
to
Hartmut Kraus wrote:
> Am 28.07.2012 22:36, schrieb Joerg:
>> Leiterplatten von Geraeten werden schon lange nicht mehr so gebaut.
>> Ausser bei einem Audioprojekt wo ich derzeit mitmache, da ist es aber
>> nur wegen des "Retro Look" bedrahtet.
>
> Jörg, warum erzählst du sowas?


Weil es so ist.

Hartmut Kraus

unread,
Jul 29, 2012, 11:01:50 AM7/29/12
to
Am 28.07.2012 22:36, schrieb Joerg:
> Leiterplatten von Geraeten werden schon lange nicht mehr so gebaut.

Aus welcher fernen Zukunft schreibst du das? Ich hᅵtte es schon fast
geglaubt. <:-)

http://de.wikipedia.org/wiki/Leiterplatte#Leiterplattentechnologien

Hartmut Kraus

unread,
Jul 29, 2012, 11:24:20 AM7/29/12
to
Am 29.07.2012 16:59, schrieb Joerg:
> Hartmut Kraus wrote:
>> Am 28.07.2012 22:36, schrieb Joerg:
>>> Leiterplatten von Geraeten werden schon lange nicht mehr so gebaut.
>>> Ausser bei einem Audioprojekt wo ich derzeit mitmache, da ist es aber
>>> nur wegen des "Retro Look" bedrahtet.
>> Jᅵrg, warum erzᅵhlst du sowas?
> Weil es so ist.

Wo hast du das her? Bist du der Zeit 50 oder 100 Jahre voraus? <:-)

Nur eins der Suchergebnisse "Bestᅵckte Leiterplatten Kleinserie":

http://www.dg-elektrotechnik.com/bedrahtete-bestueckung.html

Oliver Betz

unread,
Jul 29, 2012, 11:35:28 AM7/29/12
to
Joerg schrieb:

>>> gut wie alle Designs SMT, aber schon seit 1986. 4.7uF/35V/X7R bekommst
>>> Du in 0805, z.B. von TDK.
>>
>> Falsch (au�er man akzeptiert "PMPO"-Angaben).

[...]

>schlechten ESR hat. "Hoch verdichtete" X7R koennen bei Nennspannung
>schonmal auf rund die Haelfte fallen. Aber sie explodieren nicht.

Der von Dir genannte TDK 0805 35V 4,7uF f�llt nicht "auf rund die
Haelfte" sondern viel weniger.

Deine oben zitierte Aussage bleibt falsch.

Hartmut Kraus

unread,
Jul 29, 2012, 11:52:38 AM7/29/12
to
Am 29.07.2012 17:35, schrieb Oliver Betz:
> Joerg schrieb:
>
>>>> gut wie alle Designs SMT, aber schon seit 1986. 4.7uF/35V/X7R bekommst
>>>> Du in 0805, z.B. von TDK.
>>> Falsch (auᅵer man akzeptiert "PMPO"-Angaben).
> [...]
>
>> schlechten ESR hat. "Hoch verdichtete" X7R koennen bei Nennspannung
>> schonmal auf rund die Haelfte fallen. Aber sie explodieren nicht.
> Der von Dir genannte TDK 0805 35V 4,7uF fᅵllt nicht "auf rund die Haelfte" sondern viel weniger.

Heiᅵt das "um viel weniger" oder "auf viel weniger"?

Myn Seudop

unread,
Jul 29, 2012, 11:57:40 AM7/29/12
to
Joerg wrote:

> Weil es so ist.

Lass ihn doch in seinem Glauben. Hartmut hat bewiesen, dass er a) von
diversen Dingen keine Ahnung hat, b) keine andere Meinung duldet und
c) immer das letzte Wort haben will. Das gibt nur wieder so einen
Monster-Thread, wenn Du ihm st�ndig antwortest. (Da hilft es auch
nichts, dass er bei mir gePLONKt ist.) Der Kl�gere gibt nach, J�rg.

Myn

Hartmut Kraus

unread,
Jul 29, 2012, 12:00:18 PM7/29/12
to
Am 29.07.2012 17:57, schrieb Myn Seudop:
> Joerg wrote:
>
>> Weil es so ist.
> Lass ihn doch in seinem Glauben. Hartmut hat bewiesen, dass er a) von
> diversen Dingen keine Ahnung hat, b) keine andere Meinung duldet und
> c) immer das letzte Wort haben will. Das gibt nur wieder so einen
> Monster-Thread, wenn Du ihm stᅵndig antwortest. (Da hilft es auch
> nichts, dass er bei mir gePLONKt ist.) Der Klᅵgere gibt nach, Jᅵrg.
>
> Myn

Machst mir echt Spaᅵ.<:-)

Joerg

unread,
Jul 29, 2012, 12:27:04 PM7/29/12
to
Hint: Einer hat ein knappes Megawatt, laufen viele von in Eurer Gegend.
Bis auf Halbleiter und Induktivitaeten ist auch da alles SMT.

[...]


>>>> Leiterplatten von Geraeten werden schon lange nicht mehr so gebaut.
>>> Jaja, klar. "Wenn dein Werkzeugkasten nur Hämmer verschiedener Größe
>>> enthält, kommt dir die ganze Welt wie eine Ansammlung von Nägeln vor."
>>>
>> Ich sagte es schon mal, you need to get out more. Mache wenigstens mal
>> eine Besichtungung mit bei Flextronics oder aehnlichen
>> Auftragsbestueckern mit. Da werden Dir die Augen aufgehen.
>
> Wozu? Ich habe ein einziges Projekt, und ich habe meine Gründe, das
> völlig "kommerziell" zu realisieren. Obwohl (oder gerade weil) ich auch
> schon SMD - Bestückungsautomaten in action gesehen habe - andererseits
> auch jede Menge "aktuelle" Geräte ohne ein SMD drin. Einseitige
> Leiterplatten mit Drahtbrücken, aber im Extremfall riesige.


Bei Fertigung in Deutschland kannst Du das nur im Hochpreissegment machen.

Joerg

unread,
Jul 29, 2012, 12:28:36 PM7/29/12
to
Dann lern es halt auf die harte Tour. Nicht mein Problem.

Hartmut Kraus

unread,
Jul 29, 2012, 1:27:26 PM7/29/12
to
Am 29.07.2012 18:27, schrieb Joerg:

>> Wozu? Ich habe ein einziges Projekt, und ich habe meine Grᅵnde, das vᅵllig "kommerziell" zu realisieren. Obwohl (oder gerade weil) ich auch schon SMD - Bestᅵckungsautomaten in action gesehen habe - andererseits auch jede Menge "aktuelle" Gerᅵte ohne ein SMD drin. Einseitige
>> Leiterplatten mit Drahtbrᅵcken, aber im Extremfall riesige.
> Bei Fertigung in Deutschland kannst Du das nur im Hochpreissegment machen.

Hm, langsam dᅵmmert's. <:-) Also SMD soweit mᅵglich, Draht soweit nᅵtig.
Korrekt?

Joerg

unread,
Jul 29, 2012, 3:50:32 PM7/29/12
to
Exactamente.

Timm Reinisch

unread,
Aug 1, 2012, 8:02:39 PM8/1/12
to
Hallo,

Am 25.07.12 19:23, schrieb Joerg:
> Timm Reinisch wrote:
>> Hallo,
>>
>> Am 24.07.12 21:13, schrieb Joerg:
>>
>>> Man sollte das auch auf Herz und Nieren testen. Vom gleichen Hersteller
>>> hatte ich mal einen aus der TPS Serie. Korrekt beschaltet, getestet ...
>>> poff ... paff ... pofftig. Ueberall Krater. Es passierte wenn die
>>> Eingangsspannung zu schnell hoch kam. Davon stand natuerlich nichts im
>>> Datenblatt. SPICE Model wurde nicht ausgeklinkt.
>>
>> ob das hier unten noch jemand liest?
>
>
> Ich weiss ja nicht wo "unten" ist? Tiefster bayrischer Wald? :-) ... <duck>
>
>
>> ... Ich verwende TPS73033 wenn ich 3.3V
>> brauche, sollte ich mir da sorgen machen?

jetzt hast Du es verhext! Vorgestern hat einer sang und klanglos
aufgegeben und jetzt gerade ist einer an der selben Stelle verdampft.
Spurlos! Bis auf ein Autogramm auf meinem Arm. (Nicht ber�hrt, war nur
so eng, dass ich nah dran musste, eingeschaltet, Autsch!)

Ich habe den Verdacht, dass das Problem in meinem Fall eine zu langsam
hochkommende Versorgungsspannung ist? Nervt jedenfalls! Alles ist
deutlich innerhalb der Spezifikation.

Viele Gr��e

Timm

Joerg

unread,
Aug 1, 2012, 8:40:46 PM8/1/12
to
Ich sach ja, schmeiss die LDOs raus. LDO .. no no no.

Manche fackeln ab wenn die Versorgung zu hochohmig wird. Andere wenn sie
zu schnell hochkommt. Wieder andere wenn Jupiter und Venus ...

Ich bekomme oefter Boards rein mit der Bemerkung "too many field
failures". Da sind dann LDOs drauf und auch diese elenden Tantals. Die
haben zwar einen recht hohen und passenden ESR aber der wird ihnen zum
Verhaengnis. Wenn das Dingen aus anderen Gruenden anfaengt zu schwingen
und der Tantal hat, sagen wir, ein halbes Ohm und das wird um ein halbes
Ampere mit zig kHz hin- und hergerissen ... *POFF* ... wech isser. Mir
ist es lieber der LDO geht bei den Tests hoch, das stinkt nicht so schlimm.

Kannst Du es nicht mit einem Opamp und einem Depletion Mode FET machen
wenn es unbedingt LDO sein muss?

Ralph A. Schmid, dk5ras

unread,
Aug 2, 2012, 1:10:53 AM8/2/12
to
Joerg <inv...@invalid.invalid> wrote:

>Manche fackeln ab wenn die Versorgung zu hochohmig wird. Andere wenn sie
>zu schnell hochkommt. Wieder andere wenn Jupiter und Venus ...

Und wenn der Schaltregler davor und die Beschaltung danach immer die
gleiche ist und die Charakteristik zum Regler pa�t, dann passiert
genau gar nix, und es funktioniert auch in vierstelliger St�ckzahl mit
genau null Ausf�llen.


-ras

--

Ralph A. Schmid

http://www.schmid.xxx/ http://www.db0fue.de/
http://www.bclog.de/

Hartmut Kraus

unread,
Aug 2, 2012, 1:23:55 AM8/2/12
to
Am 02.08.2012 07:10, schrieb Ralph A. Schmid, dk5ras:
> Joerg <inv...@invalid.invalid> wrote:
>
>> Manche fackeln ab wenn die Versorgung zu hochohmig wird. Andere wenn sie
>> zu schnell hochkommt. Wieder andere wenn Jupiter und Venus ...
> Und wenn der Schaltregler davor und die Beschaltung danach immer die gleiche ist und die Charakteristik zum Regler paᅵt, dann passiert genau gar nix, und es funktioniert auch in vierstelliger Stᅵckzahl mit genau null Ausfᅵllen.
Und Jᅵrg hat einen Auftrag weniger, aber das kann er verkraften. <:-)

Timm Reinisch

unread,
Aug 2, 2012, 4:45:02 AM8/2/12
to
Hallo J�rg,

Am 02.08.12 02:40, schrieb Joerg:

> Kannst Du es nicht mit einem Opamp und einem Depletion Mode FET machen
> wenn es unbedingt LDO sein muss?

meinst Du in etwa so?

http://www.sprechkultur.com/120802_EntwurfLDO_Depletion_Mode.jpg

Viele Gr��e

Timm

Timm Reinisch

unread,
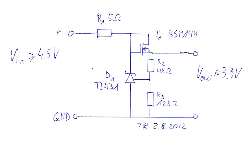
Aug 2, 2012, 4:58:17 AM8/2/12
to
Hallo,

Am 02.08.12 07:10, schrieb Ralph A. Schmid, dk5ras:
> Joerg <inv...@invalid.invalid> wrote:
>
>> Manche fackeln ab wenn die Versorgung zu hochohmig wird. Andere wenn sie
>> zu schnell hochkommt. Wieder andere wenn Jupiter und Venus ...
>
> Und wenn der Schaltregler davor und die Beschaltung danach immer die
> gleiche ist und die Charakteristik zum Regler pa�t, dann passiert
> genau gar nix, und es funktioniert auch in vierstelliger St�ckzahl mit
> genau null Ausf�llen.

das ist wohl so! In meinem Handy ist bestimmt auch ein LDO Regler und
das ist noch nie explodiert.

Was mich halt jetzt eiskalt erwischt hat, ist das diesmal die
�Charakteristik� �berhaupt nicht passt und ich selbst wohl auch keine
Chance hatte, das vorherzusehen und nat�rlich jetzt noch immer nicht
weiss, woran es liegt. Die Spezifikationen des Datenblattes sind
eingehalten und in meinem bisherigen Weltbild sind die Spannungsregler
eigentlich no-brainer gewesen.

Ich verstehe jetzt J�rgs Punkt. Es steht Streichelzoo drauf und drin
ist ein tasmanischer Beutelteufel.

Viele Gr��e

Timm


Andreas Graebe

unread,
Aug 2, 2012, 6:43:07 AM8/2/12
to
> Hallo Jörg,
> Viele Grüße
>
> Timm

Da fehlt wohl ein Widerstand zwischen Gate und Drain.

MfG Andreas

Timm Reinisch

unread,
Aug 2, 2012, 8:10:41 AM8/2/12
to
Hallo,

> Da fehlt wohl ein Widerstand zwischen Gate und Drain.

Jepp. Ich sage: 10Ω.

Aber ich glaube in dieser Variante ist die Schaltung schon mal Schrott.
Der Spielraum für die Last ist minimal. Bei zu geringer Last fließt zu
viel Strom durch die Referenz„diode“.

Oh je.

Vlg

Timm


Marc Santhoff

unread,
Aug 2, 2012, 8:51:26 AM8/2/12
to
Am Thu, 02 Aug 2012 14:10:41 +0200 schrieb Timm Reinisch:


>> Da fehlt wohl ein Widerstand zwischen Gate und Drain.
>
> Jepp. Ich sage: 10Ω.

Neugierig gefragt: Warum willst DU so viel Strom durch die TL431 quälen?
Wieso nicht 100Ohm oder 1kOhm, die soll doch nur die Referenzspannung
bestimmen? OK, das Gate will auch entladfen werden, kann ich aus dem
Ärmel nicht einschätzen, wie sich das Ganze dynamisch betrachetet
aufführt ...

> Aber ich glaube in dieser Variante ist die Schaltung schon mal Schrott.
> Der Spielraum für die Last ist minimal. Bei zu geringer Last fließt zu
> viel Strom durch die Referenz„diode“.

Hab' ich jetzt richtig verstanden, der R soll in den senkrechten Zweig
vom 5Ohm-R zum Gate, ja?

Marc

Hartmut Kraus

unread,
Aug 2, 2012, 9:00:29 AM8/2/12
to
Wenn ich mir eine Bemerkung erlauben darf: Danke, dass ihr in einem
alten Mann Erinnerungen weckt. Mit solchen Reglern hab ich auch mal
angefangen (allerdings mit bipolaren Transis), als halt ICs aller Coleur
auf diesem Gebiet (und auf unserem Territorium halt) <:-) noch nicht
verfᅵgbar bis unbekannt waren.

Hartmut Kraus

unread,
Aug 2, 2012, 9:08:44 AM8/2/12
to
Sorry, da muss ich mich entschuldigen. Habe "Diode" wörtlich genommen,
mich nur gewundert, seit wann "Z-Dioden" 3 Anschlüsse haben. Dann dachte
ich: Musst doch mal nach "TL 431" googeln. <:-)

Andreas Graebe

unread,
Aug 2, 2012, 9:38:43 AM8/2/12
to
> Am Thu, 02 Aug 2012 14:10:41 +0200 schrieb Timm Reinisch:
>
>
>>> Da fehlt wohl ein Widerstand zwischen Gate und Drain.
>>
>> Jepp. Ich sage: 10Ω.
>
> Neugierig gefragt: Warum willst DU so viel Strom durch die TL431 quälen?
> Wieso nicht 100Ohm oder 1kOhm, die soll doch nur die Referenzspannung
> bestimmen? OK, das Gate will auch entladfen werden, kann ich aus dem
> Ärmel nicht einschätzen, wie sich das Ganze dynamisch betrachetet
> aufführt ...

Das entladen übernimmt ja der TL431. Ich habe mir mal dessen Datenblatt
angesehen, die "Kathoden"spannung soll über 2,5V liegen, beim Transistor
kann aber Vgs(th) -2.1V betragen, sodaß nur 1.2V für die Regelung
übrigbleiben - so geht es also nicht.

Für eine Primitivregelung könnte man das Gate über einen NPN auf Masse
ziehen, dessen Basis mittels Z-Diode aus der Ausgangsspannung angesteuert
wird, ist aber nicht sehr genau und auch nicht temperaturstabil.

Wozu dient eigentlich R1? Kurzschlußschutz? Strombegrenzung?

MfG Andreas

Oliver Betz

unread,
Aug 2, 2012, 9:53:37 AM8/2/12
to
Andreas Graebe schrieb:

>>> Kannst Du es nicht mit einem Opamp und einem Depletion Mode FET machen
>>> wenn es unbedingt LDO sein muss?
>>
>> meinst Du in etwa so?
>>
>> http://www.sprechkultur.com/120802_EntwurfLDO_Depletion_Mode.jpg
>>
>Da fehlt wohl ein Widerstand zwischen Gate und Drain.

Nein! Der Widerstand geh�rt nicht nach "drau�en" sondern zwischen Gate
und Source.

Das ist doch gerade der Witz beim Verarmungsregler: Das Gate ist
negativer als Source, das ergibt einen relativ konstanten Strom im
G-S-Widerstand.

http://oliverbetz.de/ureg600/ureg600.htm habe ich "in meiner Jugend"
gemacht, Automotivanwendung (Nutzfahrzeug).

Heute w�rde ich das anders machen, aber das Prinzip sollte klar sein.

Servus

Oliver
--
Oliver Betz, Munich
despammed.com is broken, use Reply-To:

Marc Santhoff

unread,
Aug 2, 2012, 10:01:10 AM8/2/12
to
Am Thu, 02 Aug 2012 13:38:43 +0000 schrieb Andreas Graebe:

>> Am Thu, 02 Aug 2012 14:10:41 +0200 schrieb Timm Reinisch:
>>
>>
>>>> Da fehlt wohl ein Widerstand zwischen Gate und Drain.
>>>
>>> Jepp. Ich sage: 10Ω.
>>
>> Neugierig gefragt: Warum willst DU so viel Strom durch die TL431
>> quälen?
>> Wieso nicht 100Ohm oder 1kOhm, die soll doch nur die Referenzspannung
>> bestimmen? OK, das Gate will auch entladfen werden, kann ich aus dem
>> Ärmel nicht einschätzen, wie sich das Ganze dynamisch betrachetet
>> aufführt ...
>
> Das entladen übernimmt ja der TL431.

Ja, aber ein Querstrom von 1...10mA sollte dem doch reichen?

> Ich habe mir mal dessen Datenblatt
> angesehen, die "Kathoden"spannung soll über 2,5V liegen, beim Transistor
> kann aber Vgs(th) -2.1V betragen, sodaß nur 1.2V für die Regelung
> übrigbleiben - so geht es also nicht.

Anderen MOSFET oder andere Schaltung heißt das dann wohl. Vielleicht doch
'nen PNP nehmen?

Wenn ich Langeweile bekomme simuliere ich das doch mal ... schade, daß
hier grade die Sonne so schön scheint. ;)

> Für eine Primitivregelung könnte man das Gate über einen NPN auf Masse
> ziehen, dessen Basis mittels Z-Diode aus der Ausgangsspannung
> angesteuert wird, ist aber nicht sehr genau und auch nicht
> temperaturstabil.

Vielleicht ist ein PNP hier einfach besser? Naja, irgendwann wird Jörg
sich sicher dazu äußern.

> Wozu dient eigentlich R1? Kurzschlußschutz? Strombegrenzung?

Wie Du aus meinen neugierigen Fragen sehen kannst, weiß ich es auch nicht
genau, aber ich vermute Strombegrenzung. Er klaut bei großem Strom nicht
nur selbst sondern zusätzlich dem Gate die Spannung, steuert dadurch den
Regler "zu".

Marc

Andreas Graebe

unread,
Aug 2, 2012, 10:01:18 AM8/2/12
to
> Nein! Der Widerstand gehört nicht nach "draußen" sondern zwischen Gate
> und Source.
>
> Das ist doch gerade der Witz beim Verarmungsregler: Das Gate ist
> negativer als Source, das ergibt einen relativ konstanten Strom im
> G-S-Widerstand.
>
> http://oliverbetz.de/ureg600/ureg600.htm habe ich "in meiner Jugend"
> gemacht, Automotivanwendung (Nutzfahrzeug).
>
> Heute würde ich das anders machen, aber das Prinzip sollte klar sein.
>
> Servus
>
> Oliver

Geht trotzdem nicht, weil der TL mindestens 2.5V sehen will.

MfG Andreas

Hartmut Kraus

unread,
Aug 2, 2012, 10:07:05 AM8/2/12
to
Am 02.08.2012 15:53, schrieb Oliver Betz:
> Andreas Graebe schrieb:
>
>>>> Kannst Du es nicht mit einem Opamp und einem Depletion Mode FET machen
>>>> wenn es unbedingt LDO sein muss?
>>> meinst Du in etwa so?
>>>
>>> http://www.sprechkultur.com/120802_EntwurfLDO_Depletion_Mode.jpg
>>>
>> Da fehlt wohl ein Widerstand zwischen Gate und Drain.
> Nein! Der Widerstand gehört nicht nach "draußen" sondern zwischen Gate
> und Source.
>
> Das ist doch gerade der Witz beim Verarmungsregler: Das Gate ist
> negativer als Source, das ergibt einen relativ konstanten Strom im
> G-S-Widerstand.
>
> http://oliverbetz.de/ureg600/ureg600.htm

Vestehe ich die einfachste Schaltung richtig: Eine Konstantstromquelle,
die Ausgangsspannung ergibt sich aus Strom * R2?

Ralph A. Schmid, dk5ras

unread,
Aug 2, 2012, 11:00:14 AM8/2/12
to
Hartmut Kraus <hartmut...@web.de> wrote:

>Und J�rg hat einen Auftrag weniger, aber das kann er verkraften. <:-)

Wenn _wir_ wegen so Popelzeugs extern um Hilfe rufen m�ssten, dann
k�nnten wir eh zusperren und den Schl�ssel wegwerfen.

Ralph A. Schmid, dk5ras

unread,
Aug 2, 2012, 11:00:14 AM8/2/12
to
Timm Reinisch <timm.r...@sprechkultur.com> wrote:

>> Und wenn der Schaltregler davor und die Beschaltung danach immer die
>> gleiche ist und die Charakteristik zum Regler pa�t, dann passiert
>> genau gar nix, und es funktioniert auch in vierstelliger St�ckzahl mit
>> genau null Ausf�llen.
>
>das ist wohl so! In meinem Handy ist bestimmt auch ein LDO Regler und
>das ist noch nie explodiert.

Ja, davon gehe ich auch aus :)

>Was mich halt jetzt eiskalt erwischt hat, ist das diesmal die
>�Charakteristik� �berhaupt nicht passt und ich selbst wohl auch keine
>Chance hatte, das vorherzusehen und nat�rlich jetzt noch immer nicht
>weiss, woran es liegt. Die Spezifikationen des Datenblattes sind
>eingehalten und in meinem bisherigen Weltbild sind die Spannungsregler
>eigentlich no-brainer gewesen.

LDOs haben schon ihr Eigenleben.

>Ich verstehe jetzt J�rgs Punkt. Es steht Streichelzoo drauf und drin
>ist ein tasmanischer Beutelteufel.

Wir haben dazu auch Versuche gemacht und dabei schon paar Dinge
festgestellt, die es zu beachten gilt. Zwingend ein C direkt am
Eingang, da wir einen Teil der Leistung vor dem Regler in einem
Widerstand verheizen und das Ding somit ohne den C nicht zuverl�ssig
hochkommt. Der LDO ist nur da, weil beim gegebenen Platz ein
"normaler" Regler zu viel Hitze abgibt, also die Aufteilung,
Vorwiderstand und LDO :)

Man sollte schon wissen, was man mit den Dingern tut, dann aber sind
sie zuverl�ssig und problemlos. Niemals w�rde ich so ein Teil
verwenden, wenn der Eingang oder/und der Ausgang "zug�nglich" sind,
sprich, da� da jemand verschiedene Stromquellen oder Verbraucher
dranh�ngen kann.

Joerg

unread,
Aug 2, 2012, 12:51:26 PM8/2/12
to
Ralph A. Schmid, dk5ras wrote:
> Joerg <inv...@invalid.invalid> wrote:
>
>> Manche fackeln ab wenn die Versorgung zu hochohmig wird. Andere wenn sie
>> zu schnell hochkommt. Wieder andere wenn Jupiter und Venus ...
>
> Und wenn der Schaltregler davor und die Beschaltung danach immer die
> gleiche ist und die Charakteristik zum Regler paßt, dann passiert
> genau gar nix, und es funktioniert auch in vierstelliger Stückzahl mit
> genau null Ausfällen.
>

Klar, wenn man ihn wie eine Prinzessin auf der Erbse behandelt.

Beispiel meines letzten LDO, selbstverstaendlich handgestrickt:

Nennspannung am Eingang 28V. Surge von mehreren 100msec bis 80V,
mehrfach pulsierend. Spikes 300V. Muss runter bis 9V funktionieren.
Eingansimpedanz Null Ohm bis unendlich, Last ebenfalls. Spektrale
Reinheit der Quelle und der Last in etwa wie eine Harley ohne Auspuff.
Und so weiter.

Joerg

unread,
Aug 2, 2012, 1:07:15 PM8/2/12
to
Fast. Du kannst auch TLV431 nehmen mit weniger min Kathodenstrom, R1
weglassen und stattdessen einen Widerstand von einigen kohm von Gate
nach Drain setzen. Muss nur ueber dem min Kathodenstrom bei "voller
Pulle" reichen.

Oder mit Opamp ansteuern.

Joerg

unread,
Aug 2, 2012, 1:10:32 PM8/2/12
to
Timm Reinisch wrote:
> Hallo,
>
>> Da fehlt wohl ein Widerstand zwischen Gate und Drain.
>
> Jepp. Ich sage: 10Ω.
>

Nimm lieber einige hundert Ohm. Oder noch besser LMV431 oder TLV 431 udn
dann einige kOhm.


> Aber ich glaube in dieser Variante ist die Schaltung schon mal Schrott.
> Der Spielraum für die Last ist minimal. Bei zu geringer Last fließt zu
> viel Strom durch die Referenz„diode“.
>
> Oh je.
>

Dann nimm einen Low Power Opamp.

Oliver Betz

unread,
Aug 2, 2012, 2:21:31 PM8/2/12
to
Joerg schrieb:

>> http://www.sprechkultur.com/120802_EntwurfLDO_Depletion_Mode.jpg
>
>Fast. Du kannst auch TLV431 nehmen mit weniger min Kathodenstrom, R1
>weglassen und stattdessen einen Widerstand von einigen kohm von Gate
>nach Drain setzen. Muss nur ueber dem min Kathodenstrom bei "voller
>Pulle" reichen.

Dass Du nach Message-ID:
<3q0l1850on2pk043p...@z1b.oliverbetz.de> *)
immer noch schreibst, der Widerstand müsse zwischen _Drain_ und Gate
liegen, erschüttert mich dann doch.

Servus

Oliver

*) Zitat daraus:

>Nein! Der Widerstand gehört nicht nach "draußen" sondern zwischen Gate
>und Source.
>
>Das ist doch gerade der Witz beim Verarmungsregler: Das Gate ist
>negativer als Source, das ergibt einen relativ konstanten Strom im
>G-S-Widerstand.
--
Oliver Betz, Muenchen (oliverbetz.de)

Oliver Betz

unread,
Aug 2, 2012, 2:21:33 PM8/2/12
to
Hartmut Kraus schrieb:

>> http://oliverbetz.de/ureg600/ureg600.htm
>
>Vestehe ich die einfachste Schaltung richtig: Eine Konstantstromquelle,
>die Ausgangsspannung ergibt sich aus Strom * R2?
^^^^^^^^^^^^^^^^^^^^^^^^^^^^^^^^^^^^^^^^^^^^

falsch.

Servus

Oliver
--
Oliver Betz, Muenchen (oliverbetz.de)

Andreas Graebe

unread,
Aug 2, 2012, 2:54:19 PM8/2/12
to
Am Thu, 02 Aug 2012 20:21:31 +0200 schrieb Oliver Betz:

> Dass Du nach Message-ID:
> <3q0l1850on2pk043p...@z1b.oliverbetz.de> *) immer noch
> schreibst, der Widerstand müsse zwischen _Drain_ und Gate liegen,
> erschüttert mich dann doch.
>
> Servus
>
> Oliver

Nun sei mal nicht so streng. Die Konstantstromfunktion ist hier, bei der
zusätzlichen Regelung, nicht nötig. Allerdings kann ein positiver Wert
von Vgs die Strombelastbarkeit erhöhen. Ist natürlich auch eine Frage der
Kühlung des Transistors.

--
MfG Andreas

Joerg

unread,
Aug 2, 2012, 3:12:45 PM8/2/12
to
Oliver Betz wrote:
> Joerg schrieb:
>
>>> http://www.sprechkultur.com/120802_EntwurfLDO_Depletion_Mode.jpg
>> Fast. Du kannst auch TLV431 nehmen mit weniger min Kathodenstrom, R1
>> weglassen und stattdessen einen Widerstand von einigen kohm von Gate
>> nach Drain setzen. Muss nur ueber dem min Kathodenstrom bei "voller
>> Pulle" reichen.
>
> Dass Du nach Message-ID:
> <3q0l1850on2pk043p...@z1b.oliverbetz.de> *)


Hatte ich schonmal geschrieben, solche Links gehen in Thunderbird nicht.


> immer noch schreibst, der Widerstand m�sse zwischen _Drain_ und Gate
> liegen, ersch�ttert mich dann doch.
>

Wie soll der TLV431 Deiner Meinung nach sonst seinen Kathodenstrom
bekommen? Von einer Elektronenfee? :-)


> Servus
>
> Oliver
>
> *) Zitat daraus:
>
>> Nein! Der Widerstand geh�rt nicht nach "drau�en" sondern zwischen Gate
>> und Source.
>>
>> Das ist doch gerade der Witz beim Verarmungsregler: Das Gate ist
>> negativer als Source, das ergibt einen relativ konstanten Strom im
>> G-S-Widerstand.


Ich wiederhole meine Frage von oben.

Hartmut Kraus

unread,
Aug 2, 2012, 3:44:29 PM8/2/12
to
Am 02.08.2012 17:00, schrieb Ralph A. Schmid, dk5ras:
> Hartmut Kraus <hartmut...@web.de> wrote:
>
>> Und Jᅵrg hat einen Auftrag weniger, aber das kann er verkraften. <:-)
> Wenn _wir_ wegen so Popelzeugs extern um Hilfe rufen mᅵssten, dann kᅵnnten wir eh zusperren und den Schlᅵssel wegwerfen.

Wieso - Jᅵrg hilft euch gerne, nur nicht umsonst. <:-)

Hartmut Kraus

unread,
Aug 2, 2012, 3:48:01 PM8/2/12
to
Am 02.08.2012 17:00, schrieb Ralph A. Schmid, dk5ras:
> Wir haben dazu auch Versuche gemacht und dabei schon paar Dinge festgestellt, die es zu beachten gilt. Zwingend ein C direkt am Eingang, da wir einen Teil der Leistung vor dem Regler in einem Widerstand verheizen und das Ding somit ohne den C nicht zuverlᅵssig hochkommt. Der LDO ist nur da, weil beim gegebenen Platz ein "normaler" Regler zu viel Hitze abgibt, also die Aufteilung, Vorwiderstand und LDO :)

Der Beschiss klappt aber nur in einem begrenzten Strombereich, denek ich
mal ganz laienhaft. <:-)


> Man sollte schon wissen, was man mit den Dingern tut, dann aber sind sie zuverlᅵssig und problemlos. Niemals wᅵrde ich so ein Teil verwenden, wenn der Eingang oder/und der Ausgang "zugᅵnglich" sind, sprich, daᅵ da jemand verschiedene Stromquellen oder Verbraucher dranhᅵngen kann.

So etwa meinte ich das. <:-)

Hartmut Kraus

unread,
Aug 2, 2012, 3:51:02 PM8/2/12
to
Ah richtig, wie war das doch gleich mit dem "Vorregler" ...
Nachvollziehbar, dass das irgendwann langweilig wird, aber deshalb fange
ich jetzt trotzdem nicht an, damit zu experimentieren, was soll das
_mir_ bringen.. <:-)

Hartmut Kraus

unread,
Aug 2, 2012, 3:53:33 PM8/2/12
to
Am 02.08.2012 20:21, schrieb Oliver Betz:
> Hartmut Kraus schrieb:
>
>>> http://oliverbetz.de/ureg600/ureg600.htm
>> Vestehe ich die einfachste Schaltung richtig: Eine Konstantstromquelle,
>> die Ausgangsspannung ergibt sich aus Strom * R2?
> ^^^^^^^^^^^^^^^^^^^^^^^^^^^^^^^^^^^^^^^^^^^^
>
> falsch.
>
> Servus
>
> Oliver
Und richtig? Dann hᅵtte ich gern mal das Kennlinienfeld des FET (der 1.
Quadrant dᅵrfte es tun).

Timm Reinisch

unread,
Aug 2, 2012, 4:09:59 PM8/2/12
to
Hallo,

ich habe mal versucht, das was ich verstanden zu haben meine, in einen
neuen Schaltplan zu gie�en.

TLV431 war eine gute Idee, die niedrigere Referenzspannung ist nat�rlich
sehr praktisch. Ich habe ausserdem den Widerstand aus dem
�Stark�(naja)-Strompfad herausgenommen, wie empfohlen.

So besser jetzt?

Ich bilde mir ein, einen Kathodenstrom f�r die TLV von wenigen hundert
�A ausgerechnet zu haben, 80�A ist lt. Datenblatt der Minimalwert.

http://www.sprechkultur.com/120802_Entwurf2LDO_Depletion_Mode.jpg


Viele Gr��e und besten Dank

Timm

Joerg

unread,
Aug 2, 2012, 4:26:22 PM8/2/12
to
Timm Reinisch wrote:
> Hallo,
>
> ich habe mal versucht, das was ich verstanden zu haben meine, in einen
> neuen Schaltplan zu gießen.
>
> TLV431 war eine gute Idee, die niedrigere Referenzspannung ist natürlich
> sehr praktisch. Ich habe ausserdem den Widerstand aus dem
> „Stark”(naja)-Strompfad herausgenommen, wie empfohlen.
>
> So besser jetzt?
>
> Ich bilde mir ein, einen Kathodenstrom für die TLV von wenigen hundert
> µA ausgerechnet zu haben, 80µA ist lt. Datenblatt der Minimalwert.
>
> http://www.sprechkultur.com/120802_Entwurf2LDO_Depletion_Mode.jpg
>

Das sollte tun. R2 kann man noch wegrationalisieren. Stelle aber sicher
dass der FET bei einer negative Spannung von VOUT-1.24V garantiert
abkneift. Bei 3.3V Ausgang waere das rund -2V. FETs streuen sehr stark.

Andreas Graebe

unread,
Aug 2, 2012, 4:43:13 PM8/2/12
to
> Hallo,
>
> ich habe mal versucht, das was ich verstanden zu haben meine, in einen
> neuen Schaltplan zu gießen.
>
> TLV431 war eine gute Idee, die niedrigere Referenzspannung ist natürlich
> sehr praktisch. Ich habe ausserdem den Widerstand aus dem
> „Stark”(naja)-Strompfad herausgenommen, wie empfohlen.
>
> So besser jetzt?
>
> Ich bilde mir ein, einen Kathodenstrom für die TLV von wenigen hundert
> µA ausgerechnet zu haben, 80µA ist lt. Datenblatt der Minimalwert.
>
> http://www.sprechkultur.com/120802_Entwurf2LDO_Depletion_Mode.jpg
>
>
> Viele Grüße und besten Dank
>
> Timm

Kann leider nicht funktionieren. Der Ausgang soll 3.3V liefern, also
liegt am Gate (3.3 - 1.4) = 1.9V an. Der TL431 will aber mindestens 2.5V
am Kathodenanschluß sehen.

Für höhere Spannungen ist die Schaltung sonst ok, allerdings kannst Du
einen der beiden Gate-Widerstände weglasssen. Welchen, hängt von der
Strombelastung ab. Wenn Du R1 wegläßt, kann Vgs maximal 0V werden, wenn
Du R2 wegläßt, kann Vgs = Vin-Vout werden, dann liefert der Transistor
mehr Strom.

MfG Andreas

Andreas Graebe

unread,
Aug 2, 2012, 4:54:29 PM8/2/12
to
Ich mach mal die Ingrid: Die gezeichnete Schaltung ist ja für 6,67V
Ausgangsspannung dimensioniert, dann geht es natürlich so ;-)

MfG Andreas

Timm Reinisch

unread,
Aug 2, 2012, 4:54:50 PM8/2/12
to
Hallo Andreas,

Am 02.08.12 22:43, schrieb Andreas Graebe:

> Kann leider nicht funktionieren. Der Ausgang soll 3.3V liefern, also
> liegt am Gate (3.3 - 1.4) = 1.9V an. Der TL431 will aber mindestens 2.5V
> am Kathodenanschluß sehen.

Achtung! Planänderung! In diesem Plan ist ein TLV431. Dem genügen 1.24V.
Hast schon recht, vorher war es ein TL431. Aber in dieser Version habe
ich das geändert, eben wegen der 5V :-)

> Für höhere Spannungen ist die Schaltung sonst ok, allerdings kannst Du
> einen der beiden Gate-Widerstände weglasssen. Welchen, hängt von der
> Strombelastung ab. Wenn Du R1 wegläßt, kann Vgs maximal 0V werden, wenn
> Du R2 wegläßt, kann Vgs = Vin-Vout werden, dann liefert der Transistor
> mehr Strom.

Danke! Den R2 werde ich streichen, hatte Jörg ja auch gerade empfohlen.

Vielen Dank

Timm


--
Privatfrickler

Timm Reinisch

unread,
Aug 2, 2012, 4:59:22 PM8/2/12
to
Hallo,


Am 02.08.12 22:26, schrieb Joerg:

>
> Das sollte tun. R2 kann man noch wegrationalisieren.

prima. Wird gemacht.

> Stelle aber sicher
> dass der FET bei einer negative Spannung von VOUT-1.24V garantiert
> abkneift. Bei 3.3V Ausgang waere das rund -2V. FETs streuen sehr stark.

Habe nachgerechnet, wie doof. Du meinst messen, weil die Datenblätter
bei FETs eben nicht immer stimmen, gell? Guter Punkt!


Insgesamt: Das ist ja wirklich eine sehr triviale Schaltung, mit gar
nicht so vielen Bauteilen. Wenn mir die wirklich einen
Stabilitätsvorteil gegenüber einem LDO-Regler bringt, muss ich sagen,
dass ich das für eine realistische Alternative halte.

Einzig der FET ist etwas exotisch, aber überall gut zu bekommen, von
daher ... Aufbauen werde ich die Schaltung in jedem Fall!

Vlg und besten Dank

Timm

--
Privatfrickler

Andreas Graebe

unread,
Aug 2, 2012, 5:04:47 PM8/2/12
to
> Hallo Andreas,

> Achtung! Planänderung! In diesem Plan ist ein TLV431. Dem genügen 1.24V.
> Hast schon recht, vorher war es ein TL431. Aber in dieser Version habe
> ich das geändert, eben wegen der 5V :-)

UUUPS, Sorry, das hatte ich übersehen.

Viel Erfolg!

MfG Andreas

Hartmut Kraus

unread,
Aug 2, 2012, 5:15:49 PM8/2/12
to
Am 02.08.2012 22:59, schrieb Timm Reinisch:
> Hallo,
>
>
> Am 02.08.12 22:26, schrieb Joerg:
>
>>
>> Das sollte tun. R2 kann man noch wegrationalisieren.
>
> prima. Wird gemacht.
>
>> Stelle aber sicher
>> dass der FET bei einer negative Spannung von VOUT-1.24V garantiert
>> abkneift. Bei 3.3V Ausgang waere das rund -2V. FETs streuen sehr stark.
>
> Habe nachgerechnet, wie doof. Du meinst messen, weil die Datenblᅵtter
> bei FETs eben nicht immer stimmen, gell? Guter Punkt!
>
>
> Insgesamt: Das ist ja wirklich eine sehr triviale Schaltung, mit gar
> nicht so vielen Bauteilen. Wenn mir die wirklich einen
> Stabilitᅵtsvorteil gegenᅵber einem LDO-Regler bringt,
Schwer vorstellbar. Berichte dann mal.

Andreas Graebe

unread,
Aug 2, 2012, 5:20:47 PM8/2/12
to
Noch ein Nachtrag: habe mir gerade das Datenblatt vom TLV angesehen, der
Kathodenstrom soll mindestens 100µA betragen. Nimm lieber deutlich mehr,
sagen wir mal Faktor 10, also 1mA, dann muß der Widerstand Gate-Source
also um die 1,4Kiloohm bekommen.

Poste dann (wenn es aufgebaut ist) doch bitte auch, wie stabil das ganze
ist, auch bei plötzlichen Laständerungen.

MfG Andreas

Joerg

unread,
Aug 2, 2012, 5:33:43 PM8/2/12
to
Timm Reinisch wrote:
> Hallo,
>
>
> Am 02.08.12 22:26, schrieb Joerg:
>
>>
>> Das sollte tun. R2 kann man noch wegrationalisieren.
>
> prima. Wird gemacht.
>
>> Stelle aber sicher
>> dass der FET bei einer negative Spannung von VOUT-1.24V garantiert
>> abkneift. Bei 3.3V Ausgang waere das rund -2V. FETs streuen sehr stark.
>
> Habe nachgerechnet, wie doof. Du meinst messen, weil die Datenbl�tter
> bei FETs eben nicht immer stimmen, gell? Guter Punkt!
>

Falls Du den BSP149 nimmst, der hat ja noch ein gusseisern robustes
Datenblatt aus Siemenszeiten:

http://www.infineon.com/dgdl/BSP149_Rev1.2.pdf?folderId=db3a304412b407950112b408e8c90004&fileId=db3a304412b407950112b42ef8fa4acf

Auf Seite 2 stehen die min-max Vgs Bereiche bei 400uA drin, das sind
normalwerweise garantierte Werte. Wenn Du also immer minimal 0.5mA oder
so fliessen hast bist Du im gruenen Bereich. Falls die Last das nicht
tut kannst Du R3 und R4 entsprechend kleiner machen.

>
> Insgesamt: Das ist ja wirklich eine sehr triviale Schaltung, mit gar
> nicht so vielen Bauteilen. Wenn mir die wirklich einen
> Stabilit�tsvorteil gegen�ber einem LDO-Regler bringt, muss ich sagen,
> dass ich das f�r eine realistische Alternative halte.
>
> Einzig der FET ist etwas exotisch, aber �berall gut zu bekommen, von
> daher ... Aufbauen werde ich die Schaltung in jedem Fall!
>

Allein Digikey hat ueber 35000 Stueck om BSP149 auf Lager, das ist kein
Exot :-)

--
Gruesse, Joerg ... Berufsfrickler :-)

http://www.analogconsultants.com/
It is loading more messages.
0 new messages